Middlebrook GFT
Moderatori:
carloc,
g.schgor,
BrunoValente,
IsidoroKZ
24 messaggi
• Pagina 1 di 3 • 1, 2, 3
0
voti
[1] Middlebrook GFT
Salve,qualcuno potrebbe pubblicare qualche articolo sul GFT di Middlebrook con esempi di applicazione ai circuiti elementari con BJT ed Amplificatori Operazionali?Purtroppo non ho trovato in rete semplici circuiti reazionati risolti con tale metodo.Grazie
1
voti
L'unico problema è che nei libri indicati si parla del teorema di Middlebrook prima versione (quello che fa uso di Tv e Ti per il calcolo di T) che è valido per per reti reazionate non bilaterali .Per quanto riguarda invece il GFT (ultima versione del Middlebrook che è valido per le reti raz bilaterali) non se ne parla in nessun testo indicato e non ho visto esempi di applicazione in giro.
1
voti
sila2012 ha scritto:L'unico problema è che nei libri indicati si parla del teorema di Middlebrook prima versione
No, i riferimenti indicati in quella discussione parlano proprio del GFT.
It's a sin to write
instead of
(Anonimo).
...'cos you know that
ain't
, right?
You won't get a sexy tan if you write
in lieu of
.
Take a log for a fireplace, but don't take
for
arithm.
instead of
(Anonimo)....'cos you know that
ain't
, right?You won't get a sexy tan if you write
in lieu of
.Take a log for a fireplace, but don't take
for
arithm.-

DirtyDeeds
55,9k 7 11 13 - G.Master EY

- Messaggi: 7012
- Iscritto il: 13 apr 2010, 16:13
- Località: Somewhere in nowhere
1
voti
Ok...ma qualcuno potrebbe fare qualche sempio pratico di come si utilizza con semplici stadi in reazione?tipo un semplice BJT reazionato e un amplif operazionale inveretente/non inveretent?Giusto per capire come lo si utilizza pratcamente.Grazie
2
voti
Come mai questo interesse per il GFT?
Dato che il GFT lo si puo` impostare e applicare in modi diversi, e` meglio se proponi tu un circuito (in fidocadj, con tutti i valori) su cui poi ragioniamo.
Inoltre dovresti anche dire in che forma conosci il GFT (ce ne sono due o tre equivalenti), altrimenti si rischia di fare un lavoro inutile.
Ad esempio c'e` una macro per spice che permette di applicarlo direttamente (e anche piu` complicato, con triple injection) e di calcolare i risultati con il simulatore.
Dato che il GFT lo si puo` impostare e applicare in modi diversi, e` meglio se proponi tu un circuito (in fidocadj, con tutti i valori) su cui poi ragioniamo.
Inoltre dovresti anche dire in che forma conosci il GFT (ce ne sono due o tre equivalenti), altrimenti si rischia di fare un lavoro inutile.
Ad esempio c'e` una macro per spice che permette di applicarlo direttamente (e anche piu` complicato, con triple injection) e di calcolare i risultati con il simulatore.
Per usare proficuamente un simulatore, bisogna sapere molta più elettronica di lui
Plug it in - it works better!
Il 555 sta all'elettronica come Arduino all'informatica! (entrambi loro malgrado)
Se volete risposte rispondete a tutte le mie domande
Plug it in - it works better!
Il 555 sta all'elettronica come Arduino all'informatica! (entrambi loro malgrado)
Se volete risposte rispondete a tutte le mie domande
1
voti
A me interessa applicarlo a semplici circuti per analizzarlo analiticamente senza fare uso di simulatore.In particolare trovare p.es il guadagno dell'amplific reazionato ad anello chiuso.Se volete posso disegnare 2 o 3 semplici circuiti senza valori dei componenti e poi mi indicate come applicare e calcolare analiticamente il GFT per calcolare il guadagno ad anello chiuso.
1
voti
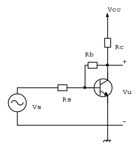
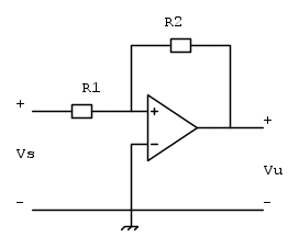
Ecco due semplici circuiti reazionati di cui vorrei l'analisi analitica tramite il GFT di Middlebrook valido per le reti reazionate bilaterali (quella che fa uso di T e Tn per intenderci).
facendo uso dei parametri ibridi h per il transistore,mentr per l'operazionale il modello equivalente composto da Ri,Ro ed AvVi.
facendo uso dei parametri ibridi h per il transistore,mentr per l'operazionale il modello equivalente composto da Ri,Ro ed AvVi.
1
voti
Conosci il metodo del guadagno asintotico con cui il GFT condivide 2 parametri su tre? Ginfinito e T sono gli stessi, poi con il GFT si calcola Tn al posto di Go.
Per usare proficuamente un simulatore, bisogna sapere molta più elettronica di lui
Plug it in - it works better!
Il 555 sta all'elettronica come Arduino all'informatica! (entrambi loro malgrado)
Se volete risposte rispondete a tutte le mie domande
Plug it in - it works better!
Il 555 sta all'elettronica come Arduino all'informatica! (entrambi loro malgrado)
Se volete risposte rispondete a tutte le mie domande
1
voti
[10] Re: Middlebrook GFT
Ecco vorrei qualcuno spiegasse passo passo tutti i passaggi necessari per calcolare il guadagno ad anello chiuso dei circuiti che ho inserito tramite il Middlebrook,in particolare come si calcola T,Tn G(infinito) e ed il guadagno totale ad anello chiuso che sarà se non ho capito male G=G(inf) (1+(1/Tn))/(1+(1/T)).In particolare per applicare tale teorema come è definito T e come si calcola operativamente(dove si applicano i genratori test),come è definito e si calcola Tn ed infinie come è definito e sicalcola G(infinito).Insomma vorrei una specie di mini articoletto in cui vengono spiegate queste cose.Grazie
24 messaggi
• Pagina 1 di 3 • 1, 2, 3
Chi c’è in linea
Visitano il forum: Nessuno e 54 ospiti

Elettrotecnica e non solo (admin)
Un gatto tra gli elettroni (IsidoroKZ)
Esperienza e simulazioni (g.schgor)
Moleskine di un idraulico (RenzoDF)
Il Blog di ElectroYou (webmaster)
Idee microcontrollate (TardoFreak)
PICcoli grandi PICMicro (Paolino)
Il blog elettrico di carloc (carloc)
DirtEYblooog (dirtydeeds)
Di tutto... un po' (jordan20)
AK47 (lillo)
Esperienze elettroniche (marco438)
Telecomunicazioni musicali (clavicordo)
Automazione ed Elettronica (gustavo)
Direttive per la sicurezza (ErnestoCappelletti)
EYnfo dall'Alaska (mir)
Apriamo il quadro! (attilio)
H7-25 (asdf)
Passione Elettrica (massimob)
Elettroni a spasso (guidob)
Bloguerra (guerra)





