Cos'è ElectroYou | Login Iscriviti

ElectroYou - la comunità dei professionisti del mondo elettrico

Calcolo resistenza d'uscita

Elettronica lineare e digitale: didattica ed applicazioni

Moderatori: Foto Utentecarloc, Foto Utenteg.schgor, Foto UtenteBrunoValente, Foto UtenteIsidoroKZ

0
voti

[1] Calcolo resistenza d'uscita

Messaggioda Foto UtenteIanero » 20 giu 2015, 21:55

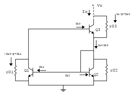
Non riesco a calcolare la resistenza d'uscita del seguente specchio di corrente (Wilson):



Lo schema proposto, per il calcolo della resistenza di uscita per piccoli segnali, è il seguente:



che mi sembra una specie di ibrido tra modello per piccoli segnali e modello in continua.
Da questo schema (uno schema siffatto trascura le r_{pi}?) riesco a scrivere:

v_{x}=r_{03}\left( i_{x}-\beta i_{b3} \right)

E non riesco a trovare altre equazioni utili, ovvero altre equazioni che mi permettano di scrivere un qualcosa tipo:

v_{x}=R_{o}i_{x}

Ma credo che il problema sia nel metodo, qualcuno mi illumina nel procedimeto per favore?
Grazie in anticipo.
:shock:
Avatar utente
Foto UtenteIanero
8.069 5 8 11
Master EY
Master EY
 
Messaggi: 4320
Iscritto il: 21 mar 2012, 15:47

0
voti

[2] Re: Calcolo resistenza d'uscita

Messaggioda Foto UtenteDoppler » 21 giu 2015, 18:51

Considera che il calcolo della resistenza di uscita è molto laborioso, in ogni caso è sempre altissima, si aggira intorno al Gigaohm.
Comunque se ti vuoi divertire a calcolarla ecco qui la formula :-P


CodeCogsEqn.gif
CodeCogsEqn.gif (5.37 KiB) Osservato 4488 volte
Avatar utente
Foto UtenteDoppler
-2 1
 
Messaggi: 17
Iscritto il: 28 mag 2015, 9:58

2
voti

[3] Re: Calcolo resistenza d'uscita

Messaggioda Foto Utentecarloc » 21 giu 2015, 19:06

Urca :shock: :shock:

e da dove viene questa formulona? :D e anzi cosa è R1 che nello schema di Foto UtenteIanero non c'è?

...magari mi sbaglio ma ho come l'impressione che si riferisca ad un circuito diverso, almeno con i tre transistor con differenti nomi e una resistenza al posto del generatore di corrente Iref :?
Se ti serve il valore di beta: hai sbagliato il progetto!
Avatar utente
Foto Utentecarloc
33,8k 6 11 13
G.Master EY
G.Master EY
 
Messaggi: 2153
Iscritto il: 7 set 2010, 19:23

0
voti

[4] Re: Calcolo resistenza d'uscita

Messaggioda Foto UtentePietroBaima » 21 giu 2015, 19:16

Doppler ha scritto:CodeCogsEqn.gif

direi che non a caso ti chiami doppler :D
Quando vuoi inserire delle formule che hai editato su codecogs puoi incollarle qui fra i tag tex, così:

Codice: Seleziona tutto
[tex]tua formula[/tex]
Generatore codice per articoli:
nomi
Sul forum:
[pigreco]=π
[ohm]=Ω
[quadrato]=²
[cubo]=³
Avatar utente
Foto UtentePietroBaima
90,7k 7 12 13
G.Master EY
G.Master EY
 
Messaggi: 12206
Iscritto il: 12 ago 2012, 1:20
Località: Londra

0
voti

[5] Re: Calcolo resistenza d'uscita

Messaggioda Foto Utentecarloc » 21 giu 2015, 19:27

E ancora non è che facendo qualche educated guess si potrebbe ottenere una relazione sì approssimata, ma più maneggevole, che riesca a farci capire il ruolo dei vari parametri nel risultato finale, a bassa entropia si potrebbe dire?

Ad esempio vedi Foto UtenteIanero la prima cosa che si nota è che ro2 è in parallelo a Q2 connesso a "diodo"


in queste condizioni si potrebbe dire tranquillamente che la la resistenza equivalente valga 1/gm2 to all practical purposes

ed ecco magicamente spariti ro2 e rpi2 :D
Se ti serve il valore di beta: hai sbagliato il progetto!
Avatar utente
Foto Utentecarloc
33,8k 6 11 13
G.Master EY
G.Master EY
 
Messaggi: 2153
Iscritto il: 7 set 2010, 19:23

0
voti

[6] Re: Calcolo resistenza d'uscita

Messaggioda Foto UtenteIanero » 21 giu 2015, 20:03

Ok con l'approssimazione che giustamente mi ha fatto notare Foto Utentecarloc mi viene questa cosa abnorme:

R_{o}=r_{03}+\frac{1}{g_{m2}}-\frac{\left( \frac{1}{g_{m2}}-\beta r_{03} \right)\left( \frac{\beta }{r_{\pi 1}gm_{2}}-\frac{r_{03}}{r_{01}} \right)}{1+\frac{\beta }{r_{\pi 1}g_{m2}}-\frac{r_{\pi 3}}{r_{01}}-\frac{\beta r_{03}}{r_{01}}}

dove ho approssimato tutti i paralleli di 1/g_m con le varie r_{ \pi} ed r_0 con solo 1/g_m.
Il libro dice che deve venire circa \beta r_{03}/2, ma non ho il coraggio di semplificare...
:shock:
Avatar utente
Foto UtenteIanero
8.069 5 8 11
Master EY
Master EY
 
Messaggi: 4320
Iscritto il: 21 mar 2012, 15:47

0
voti

[7] Re: Calcolo resistenza d'uscita

Messaggioda Foto UtenteDirtyDeeds » 21 giu 2015, 20:19

Ianero ha scritto:Ok con l'approssimazione che giustamente mi ha fatto notare carloc mi viene questa cosa abnorme:


Mmm...quei "meno" in giro per la formula puzzano d'errore ;-)
It's a sin to write sin instead of \sin (Anonimo).
...'cos you know that cos ain't \cos, right?
You won't get a sexy tan if you write tan in lieu of \tan.
Take a log for a fireplace, but don't take log for \logarithm.
Avatar utente
Foto UtenteDirtyDeeds
55,9k 7 11 13
G.Master EY
G.Master EY
 
Messaggi: 7012
Iscritto il: 13 apr 2010, 16:13
Località: Somewhere in nowhere

0
voti

[8] Re: Calcolo resistenza d'uscita

Messaggioda Foto UtenteIsidoroKZ » 21 giu 2015, 21:25

E` probabile che abbia ragione, anche se in linea di principio potrebbero essere giusti poiche' c'e` una retroazione positiva, per fortuna, che aumenta l'impedenza di ingresso che ha un confronto in parallelo.
Per usare proficuamente un simulatore, bisogna sapere molta più elettronica di lui
Plug it in - it works better!
Il 555 sta all'elettronica come Arduino all'informatica! (entrambi loro malgrado)
Se volete risposte rispondete a tutte le mie domande
Avatar utente
Foto UtenteIsidoroKZ
121,2k 1 3 8
G.Master EY
G.Master EY
 
Messaggi: 21059
Iscritto il: 17 ott 2009, 0:00

2
voti

[9] Re: Calcolo resistenza d'uscita

Messaggioda Foto UtenteIsidoroKZ » 21 giu 2015, 22:24

Foto UtenteDoppler quale libro riporta quella formula? O l'hai ricavata tu? Peraltro mi sembra sbagliata, oppure applicata a un altro circuito. Il grosso della resistenza di uscita e` dato, stando alla tua formula, da r_{o2} moltiplicata per opportuno coefficiente. Ma questa resistenza e` in parallelo al diodo formato da Q2, e non puo` dare nessun contributo significativo.

Con un circuito del genere mi aspettavo una impedenza di uscita piu` bassa, al piu` decine di megaohm, ma probabilmente scendendo abbastanza di corrente, se non scende troppo il beta forse al gigaohm si arriva.

Foto UtenteIanero se hai un po' di pazienza arrivo con una analisi approssimata che si fa in 30 secondi.
Per usare proficuamente un simulatore, bisogna sapere molta più elettronica di lui
Plug it in - it works better!
Il 555 sta all'elettronica come Arduino all'informatica! (entrambi loro malgrado)
Se volete risposte rispondete a tutte le mie domande
Avatar utente
Foto UtenteIsidoroKZ
121,2k 1 3 8
G.Master EY
G.Master EY
 
Messaggi: 21059
Iscritto il: 17 ott 2009, 0:00

0
voti

[10] Re: Calcolo resistenza d'uscita

Messaggioda Foto UtenteDoppler » 22 giu 2015, 9:32

carloc ha scritto:Urca :shock: :shock:

e da dove viene questa formulona? :D e anzi cosa è R1 che nello schema di Foto UtenteIanero non c'è?

...magari mi sbaglio ma ho come l'impressione che si riferisca ad un circuito diverso, almeno con i tre transistor con differenti nomi e una resistenza al posto del generatore di corrente Iref :?


Il Circuito è uguale, solamente ho sostituito il generatore di corrente con una resistenza, tutto qui.
Comunque si possono applicare varie semplificazioni.

IsidoroKZ ha scritto: quale libro riporta quella formula? O l'hai ricavata tu? Peraltro mi sembra sbagliata, oppure applicata a un altro circuito. Il grosso della resistenza di uscita e` dato, stando alla tua formula, da r_{o2} moltiplicata per opportuno coefficiente. Ma questa resistenza e` in parallelo al diodo formato da Q2, e non puo` dare nessun contributo significativo.


Non so che dirti, io ho applicato il modello a pi greco. prova tu vedi cosa viene.
Come ho detto sopra, si possono applicare varie semplificazioni.
Avatar utente
Foto UtenteDoppler
-2 1
 
Messaggi: 17
Iscritto il: 28 mag 2015, 9:58

Prossimo

Torna a Elettronica generale

Chi c’è in linea

Visitano il forum: Nessuno e 117 ospiti