Buonasera e buon anno a tutto i forum.
Mi trovo a dover ritardare l'eccitazione di un normalissimo relè a 12V con un tempo compreso tra 0,1 e 0,5 secondi assolutamente non critico.
Ho visto empiricamente che il relè si eccita anche con 10V.
Mi chiedevo se era possibile fare ciò interponendo in serie al solenoide una resistenza facendo seguire un condensatore elettrolitico in parallelo alla bobina.
Sul PCB non ho molto spazio per aggiungere altro.
Mi chiedevo se questa è una soluzione plausibile.
Grazie.
Ritardare eccitazione di un relé
Moderatori:
carloc,
g.schgor,
BrunoValente,
IsidoroKZ
29 messaggi
• Pagina 1 di 3 • 1, 2, 3
0
voti
Per la bassa resistena del relè, e anche per la mancanza di un trigger, è una soluzione difficile e poco pratica. Sarebbe quantomeno preferibile lavorare sulla base di un Darlington, sperando che saturi prima, piuttosto che poi.
Da dove proviene il segnale di accensione? E che caratteristiche ha il relè a livello di bobina?
Da dove proviene il segnale di accensione? E che caratteristiche ha il relè a livello di bobina?
-

Candy
32,5k 7 10 13 - CRU - Account cancellato su Richiesta utente
- Messaggi: 10123
- Iscritto il: 14 giu 2010, 22:54
0
voti
Candy ha scritto:...Da dove proviene il segnale di accensione?...
Direttamente da alimentazione 12 V.
Candy ha scritto:...E che caratteristiche ha il relè a livello di bobina?...
Non ho la competenza per sapere le caratteristiche del Relè, comunque è questo.
Se quello che funziona basta non lo tocca' sennò te lassa!
0
voti
Candy ha scritto:...con qualche liquido langarolo per le vene...
Queste si, sono cose serie!
Ti faccio sapere.
Se quello che funziona basta non lo tocca' sennò te lassa!
0
voti
Ciao
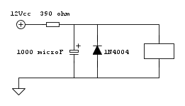
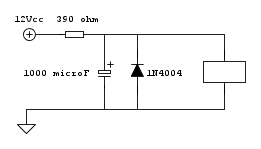
abusivo, se lo spazio può essere un problema puoi anche limitarti ad una cosa del genere, anche se è un pochino più spartana, non scandalizzatevi:
Così la bobina riesci a pilotarla e se vuoi giocare sui tempi, invece della resistenza, ci metti un trimmerino, ma è tutta roba da circuito stampato.
Saluti
Così la bobina riesci a pilotarla e se vuoi giocare sui tempi, invece della resistenza, ci metti un trimmerino, ma è tutta roba da circuito stampato.
Saluti
W - U.H.F.
-

WALTERmwp
30,2k 4 8 13 - G.Master EY

- Messaggi: 8990
- Iscritto il: 17 lug 2010, 18:42
- Località: le 4 del mattino
29 messaggi
• Pagina 1 di 3 • 1, 2, 3
Chi c’è in linea
Visitano il forum: Nessuno e 79 ospiti

Elettrotecnica e non solo (admin)
Un gatto tra gli elettroni (IsidoroKZ)
Esperienza e simulazioni (g.schgor)
Moleskine di un idraulico (RenzoDF)
Il Blog di ElectroYou (webmaster)
Idee microcontrollate (TardoFreak)
PICcoli grandi PICMicro (Paolino)
Il blog elettrico di carloc (carloc)
DirtEYblooog (dirtydeeds)
Di tutto... un po' (jordan20)
AK47 (lillo)
Esperienze elettroniche (marco438)
Telecomunicazioni musicali (clavicordo)
Automazione ed Elettronica (gustavo)
Direttive per la sicurezza (ErnestoCappelletti)
EYnfo dall'Alaska (mir)
Apriamo il quadro! (attilio)
H7-25 (asdf)
Passione Elettrica (massimob)
Elettroni a spasso (guidob)
Bloguerra (guerra)




