Rail splitter
Moderatori:
carloc,
g.schgor,
BrunoValente,
IsidoroKZ
14 messaggi
• Pagina 1 di 2 • 1, 2
0
voti
[1] Rail splitter
Ciao a tutti... avrei bisogno di un alimentazione duale ma possiedo solo batterie per l'alimentazione. Più precisamente ho batterie da 3.6V ma devo alimentare un paio di operazionali che funzionano rispettivamente a -5V e +5V avevo intenzione di utilizzare un regolatore di tensione LM317. Ma oltre a non sapere se sto facendo la cosa giusta non capisco come dimensionare resistenze e condensatori...
0
voti
Potresti utilizzare 4 batterie in serie e mettere il comune al centro, ma la cosa non mi piace.
In alternativa puoi usare una sola batteria e questi due circuitini:
Step-up per elevare la tensione a 5V
Voltage-inverter per invertire la tensione.
Nelle pagine linkate trovi anche il calcolatore per dimensionare i componenti.

In alternativa puoi usare una sola batteria e questi due circuitini:
Step-up per elevare la tensione a 5V
Voltage-inverter per invertire la tensione.
Nelle pagine linkate trovi anche il calcolatore per dimensionare i componenti.

Ultima modifica di
posta10100 il 31 ott 2016, 23:27, modificato 1 volta in totale.
Motivazione: Aggiornato link
Motivazione: Aggiornato link
http://millefori.altervista.org
Tool gratuito per chi sviluppa su millefori.
Tutti sanno che una cosa è impossibile da realizzare, finché arriva uno sprovveduto che non lo sa e la inventa. (A. Einstein)
Se non c'e` un 555 non e` un buon progetto (IsidoroKZ)
Strumento per formule
Tool gratuito per chi sviluppa su millefori.
Tutti sanno che una cosa è impossibile da realizzare, finché arriva uno sprovveduto che non lo sa e la inventa. (A. Einstein)
Se non c'e` un 555 non e` un buon progetto (IsidoroKZ)
Strumento per formule
-

posta10100
5.550 4 10 13 - Master EY

- Messaggi: 4832
- Iscritto il: 5 nov 2006, 0:09
-

TardoFreak
73,9k 8 12 13 - -EY Legend-

- Messaggi: 15754
- Iscritto il: 16 dic 2009, 11:10
- Località: Torino - 3° pianeta del Sistema Solare
0
voti
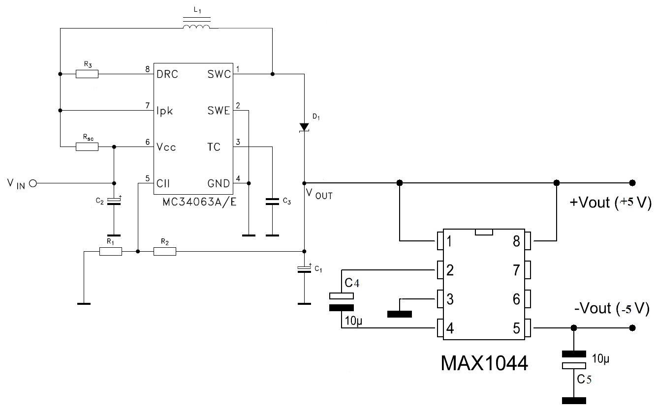
Mentre leggevo e mi informavo sulla soluzione di
posta10100 ho trovato un altro integrato il MAX1044. visto che sto facendo un progetto con arduino che ha a disposizione il +5V, invece fare lo step up dalla batteria tampone avevo intenzione di bypassare la fase di step e prendere il 5V direttamente dalla scheda e trasformarlo con il MAX1044. Ho allegato uno schema di quello che avrei intenzione di fare. è un idea fattibile o faccio qualche danno???
0
voti
Ma quello tira fuori pochi uA!
Io ti ho linkato un oggetto serio, che può essere alimentato con due pile stilo e che ti permette di ottenere tutte le tensioni che vuoi con una degna corrente.
Non l'ho mai provato ma ne ho provati altri, e questi convertitori sono veramente belli.
Io ti ho linkato un oggetto serio, che può essere alimentato con due pile stilo e che ti permette di ottenere tutte le tensioni che vuoi con una degna corrente.
Non l'ho mai provato ma ne ho provati altri, e questi convertitori sono veramente belli.

-

TardoFreak
73,9k 8 12 13 - -EY Legend-

- Messaggi: 15754
- Iscritto il: 16 dic 2009, 11:10
- Località: Torino - 3° pianeta del Sistema Solare
1
voti
Dal punto di vista dell' operazionale va bene, però in uscita potrai avere una componente realmente negativa rispetto a GND.
In parole povere se connetti l'uscita dell' operazionale all'adc dell' arduino la parte negativa del segnale non verrà letta, anzi sarà fuori specifica per l'ingresso del micro.
Nota: Il MAX1044 potrebbe fornire tranqullamente una ventina di mA negativi, più che sufficienti a molte applicazioni.
In parole povere se connetti l'uscita dell' operazionale all'adc dell' arduino la parte negativa del segnale non verrà letta, anzi sarà fuori specifica per l'ingresso del micro.
Nota: Il MAX1044 potrebbe fornire tranqullamente una ventina di mA negativi, più che sufficienti a molte applicazioni.
Alberto
La vita è come una bicicletta, devi sempre pedalare per rimanere in equilibrio
Annuncio sempre valido: http://www.electroyou.it/forum/viewtopic.php?f=10&t=62668
La vita è come una bicicletta, devi sempre pedalare per rimanere in equilibrio
Annuncio sempre valido: http://www.electroyou.it/forum/viewtopic.php?f=10&t=62668
-

AlbertoBianchi
2.009 3 5 - Master

- Messaggi: 836
- Iscritto il: 4 dic 2014, 18:30
- Località: Lastra a Signa (FI)
0
voti
Dovrei amplificare il segnale di un sensore ma il segnale non passa dal adc. Il progetto prevede il riconoscimeto di un suono, quindi amplifico,filtro,amplifico ecc... e poi mando tutto ad un tone decoder (che accetta segnali AC) che quando riconosce il suono mi mette un uscita a livello logico alto e con arduino conto quanto millisecondi quest uscita sta a livello alto. Forse mi conviene di più la soluzione a batteria 3.7V step up - Voltage-inverter, mi pare di capire che da meno problemi
0
voti
Scusa ma non ti conviene usare semplicemente il 5V dell'arduino e usare una virtual ground a 2.5V (metà alimentazione) per l'operazionale? Eviteresti molte complicazioni forse inutili...
Alberto
La vita è come una bicicletta, devi sempre pedalare per rimanere in equilibrio
Annuncio sempre valido: http://www.electroyou.it/forum/viewtopic.php?f=10&t=62668
La vita è come una bicicletta, devi sempre pedalare per rimanere in equilibrio
Annuncio sempre valido: http://www.electroyou.it/forum/viewtopic.php?f=10&t=62668
-

AlbertoBianchi
2.009 3 5 - Master

- Messaggi: 836
- Iscritto il: 4 dic 2014, 18:30
- Località: Lastra a Signa (FI)
0
voti
forse si... ma non essendo pratico non saprei come fare... l'unica cosa che mi era venuta in mente era prendere il 5 V direttamente dalla scheda e trasformarlo con il MAX1044 come indicato prima cosi avevo sia il + che il - 5V ma la soluzione di step up e voltage inverter mi sembrava piu elegante e ho elaborato quella...
0
voti
[10] Re: Rail splitter
burns ha scritto:forse si... ma non essendo pratico non saprei come fare...
http://www.ti.com/lit/ds/symlink/tle2426.pdf
https://www.maximintegrated.com/en/app- ... vp/id/4344
burns ha scritto:ma la soluzione di step up e voltage inverter mi sembrava piu elegante e ho elaborato quella...
Mi sembra eccessiva per quello che devi fare... ed in ogni caso ti basterebbe il voltage inverter
Però non ho capito come è alimentato l'arduino, se con una sua alimentazione a 5V oppure pensavi di alimentare anche lui con la batteria da 3.7V.
In ogni caso l'operazionale dovrebbe funzionare anche a 3.7V
Alberto
La vita è come una bicicletta, devi sempre pedalare per rimanere in equilibrio
Annuncio sempre valido: http://www.electroyou.it/forum/viewtopic.php?f=10&t=62668
La vita è come una bicicletta, devi sempre pedalare per rimanere in equilibrio
Annuncio sempre valido: http://www.electroyou.it/forum/viewtopic.php?f=10&t=62668
-

AlbertoBianchi
2.009 3 5 - Master

- Messaggi: 836
- Iscritto il: 4 dic 2014, 18:30
- Località: Lastra a Signa (FI)
14 messaggi
• Pagina 1 di 2 • 1, 2
Chi c’è in linea
Visitano il forum: Nessuno e 35 ospiti

Elettrotecnica e non solo (admin)
Un gatto tra gli elettroni (IsidoroKZ)
Esperienza e simulazioni (g.schgor)
Moleskine di un idraulico (RenzoDF)
Il Blog di ElectroYou (webmaster)
Idee microcontrollate (TardoFreak)
PICcoli grandi PICMicro (Paolino)
Il blog elettrico di carloc (carloc)
DirtEYblooog (dirtydeeds)
Di tutto... un po' (jordan20)
AK47 (lillo)
Esperienze elettroniche (marco438)
Telecomunicazioni musicali (clavicordo)
Automazione ed Elettronica (gustavo)
Direttive per la sicurezza (ErnestoCappelletti)
EYnfo dall'Alaska (mir)
Apriamo il quadro! (attilio)
H7-25 (asdf)
Passione Elettrica (massimob)
Elettroni a spasso (guidob)
Bloguerra (guerra)