Cos'è ElectroYou | Login Iscriviti

ElectroYou - la comunità dei professionisti del mondo elettrico

esercizio amplificatore operazionale

Elettronica lineare e digitale: didattica ed applicazioni

Moderatori: Foto Utentecarloc, Foto Utenteg.schgor, Foto UtenteBrunoValente, Foto UtenteIsidoroKZ

0
voti

[1] esercizio amplificatore operazionale

Messaggioda Foto Utentelorenzo99 » 21 set 2016, 15:28

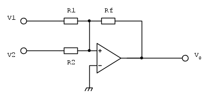
supponendo che nel circuito in figura si abbia R1 = Rf = 10K ohm, R2 = 5K ohm disegnare la forma d'onda del segnale Vo se V1 è una sinusoide con ampiezza Vm=5V e V2 è una tensione continua pari a -2,5 V.
questo è l'esercizio che non riesco a fare a me Vo torna 0v ma secondo il libro deve tornare +10V.
come devo fare?
grazie. O_/
Allegati
c.PNG
Avatar utente
Foto Utentelorenzo99
45 1 5
New entry
New entry
 
Messaggi: 98
Iscritto il: 26 ago 2016, 17:38

0
voti

[2] Re: esercizio amplificatore operazionale

Messaggioda Foto Utenteclaudiocedrone » 21 set 2016, 16:21

:-) Tu come hai fatto ? Posta il tuo ragionamento e i passaggi che hai svolto (schemi in FidoCadJ e formule in LaTeX come da regolamento del forum), grazie. O_/
"Non farei mai parte di un club che accettasse la mia iscrizione" (G. Marx)
Avatar utente
Foto Utenteclaudiocedrone
21,3k 4 7 9
Master EY
Master EY
 
Messaggi: 15302
Iscritto il: 18 gen 2012, 13:36

0
voti

[3] Re: esercizio amplificatore operazionale

Messaggioda Foto Utentelorenzo99 » 21 set 2016, 16:38

ciao, scusa l'ignoranza ma cosa è LaTeX. :oops:
Avatar utente
Foto Utentelorenzo99
45 1 5
New entry
New entry
 
Messaggi: 98
Iscritto il: 26 ago 2016, 17:38

0
voti

[4] Re: esercizio amplificatore operazionale

Messaggioda Foto Utenteclaudiocedrone » 21 set 2016, 16:49

Leggi qui, inoltre guarda tra le scritte in alto alla pagina, una recita "help", è un menù a tendina, cliccaci sopra. O_/
"Non farei mai parte di un club che accettasse la mia iscrizione" (G. Marx)
Avatar utente
Foto Utenteclaudiocedrone
21,3k 4 7 9
Master EY
Master EY
 
Messaggi: 15302
Iscritto il: 18 gen 2012, 13:36

2
voti

[5] Re: esercizio amplificatore operazionale

Messaggioda Foto UtenteMassimoB » 21 set 2016, 16:56

I disegni vanno postati in questo modo

MCSA Windows Server 2012 R2
Cisco CCNA R&S - Cisco CCNA Security - Cisco CCNA Cyber Ops
CompTia A+ - CompTia Linux+ - CompTIA Systems Support Specialist CSSS
CompTia Pentest+ LPIC-1 - VCP VMware - Cisco CCNP Enterprise
Avatar utente
Foto UtenteMassimoB
14,2k 6 12 13
Expert free
 
Messaggi: 3163
Iscritto il: 28 ott 2012, 9:56
Località: Milano

1
voti

[6] Re: esercizio amplificatore operazionale

Messaggioda Foto UtenteMassimoB » 21 set 2016, 17:01

Le formule così per esempio

R1=Rf=10k\Omega

R1=5k\Omega

Vm=5V ac

V2=-2,5V cc
MCSA Windows Server 2012 R2
Cisco CCNA R&S - Cisco CCNA Security - Cisco CCNA Cyber Ops
CompTia A+ - CompTia Linux+ - CompTIA Systems Support Specialist CSSS
CompTia Pentest+ LPIC-1 - VCP VMware - Cisco CCNP Enterprise
Avatar utente
Foto UtenteMassimoB
14,2k 6 12 13
Expert free
 
Messaggi: 3163
Iscritto il: 28 ott 2012, 9:56
Località: Milano

1
voti

[7] Re: esercizio amplificatore operazionale

Messaggioda Foto Utenteclaudiocedrone » 21 set 2016, 17:03

:-) Per LaTeX puoi usare questo editor. O_/
"Non farei mai parte di un club che accettasse la mia iscrizione" (G. Marx)
Avatar utente
Foto Utenteclaudiocedrone
21,3k 4 7 9
Master EY
Master EY
 
Messaggi: 15302
Iscritto il: 18 gen 2012, 13:36

0
voti

[8] Re: esercizio amplificatore operazionale

Messaggioda Foto UtenteMarcoD » 21 set 2016, 17:14

Non sono stati definiti i limiti di alimentazione dell'operazionale. Quindi il tutto pare in linearità.
Si applica sovrapposizione effetti.
Quasi a occhio, mi pare che l'uscita sia una sinusoide compresa fra +5 e -5V sovrapposta a una tensione continua di +5V. Questo esercizio è vecchio di almeno 45 anni. O_/ :mrgreen:
Avatar utente
Foto UtenteMarcoD
12,2k 5 9 13
Master EY
Master EY
 
Messaggi: 6696
Iscritto il: 9 lug 2015, 16:58
Località: Torino

0
voti

[9] Re: esercizio amplificatore operazionale

Messaggioda Foto Utenteclaudiocedrone » 21 set 2016, 17:19

:-) Sicuro Foto UtenteMarcoD ? A me a occhio pare che quell'amplificatore invertente guadagni 3 volte in tensione :roll:... però è anche rinomato che io, gli opamp e la matematica non andiamo molto d'accordo :oops: O_/
"Non farei mai parte di un club che accettasse la mia iscrizione" (G. Marx)
Avatar utente
Foto Utenteclaudiocedrone
21,3k 4 7 9
Master EY
Master EY
 
Messaggi: 15302
Iscritto il: 18 gen 2012, 13:36

0
voti

[10] Re: esercizio amplificatore operazionale

Messaggioda Foto Utentelorenzo99 » 21 set 2016, 18:38

ok. grazie mille per i consigli. :ok: O_/
Avatar utente
Foto Utentelorenzo99
45 1 5
New entry
New entry
 
Messaggi: 98
Iscritto il: 26 ago 2016, 17:38

Prossimo

Torna a Elettronica generale

Chi c’è in linea

Visitano il forum: Nessuno e 247 ospiti