Info su componenti
Moderatori:
carloc,
g.schgor,
BrunoValente,
IsidoroKZ
40 messaggi
• Pagina 1 di 4 • 1, 2, 3, 4
0
voti
Salve a tutti, in negozio mi sono stati dati dei mosfet FQP33N10 i quali mi han detto sono equivalenti al PSMN034-100PS... volevo sapere se è realmente così o per far funzionare il circuito devo utilizzare quelli da schema.. poi ho dei comparatori LM393 e uno è LM393N e uno LM393P.. il 393P nel collegamento si è fuso.. il problema sta nel fatto che sono diversi oppure è stato un errore di collegamenti? Premetto che sono più di un principiante quindi abbiate pazienza.. grazie a tutti in anticipo!
-

gabrielelacava
115 3 - New entry

- Messaggi: 53
- Iscritto il: 19 giu 2016, 19:11
1
voti
"Più di un principiante" vuol dire che sei ad un livello superiore od inferiore?
Comunque... per sapere se i due transistor sono uguali, puoi confrontare le loro caratteristiche, che sono riportarte nei rispettivi datasheet: FQP33N10 PSMN034-100PS
Per quanto riguarda i comparatori, LM393N e LM393P dovrebbero essere compatibili, ma non sono sicuro: dovresti guardare i rispettivi datasheet e ri-analizzare il tuo circuito, così da verificare di non aver messo il tuo comparatore in condizioni incompatibili con il suo funzionamento.
Comunque... per sapere se i due transistor sono uguali, puoi confrontare le loro caratteristiche, che sono riportarte nei rispettivi datasheet: FQP33N10 PSMN034-100PS
Per quanto riguarda i comparatori, LM393N e LM393P dovrebbero essere compatibili, ma non sono sicuro: dovresti guardare i rispettivi datasheet e ri-analizzare il tuo circuito, così da verificare di non aver messo il tuo comparatore in condizioni incompatibili con il suo funzionamento.
-

rugweri
5.948 2 8 13 - CRU - Account cancellato su Richiesta utente
- Messaggi: 1366
- Iscritto il: 25 nov 2016, 18:46
0
voti
In questa lista sono presenti gli equivalenti del PSMN034-100PS
http://alltransistors.com/mosfet/crsear ... ps=TO220AB
http://alltransistors.com/mosfet/crsear ... ps=TO220AB

0
voti
gabrielelacava ha scritto:Salve a tutti, in negozio mi sono stati dati!
Attenzione al negoziante che propone la soluzione più rapida per la vendita al dettaglio.
Per sapere se vanno bene dipende dalle caratteristiche di impiego del tuo circuito.
Non lo specifichi.....amplificatore audio?
Alimentatori smps?
Inverter?
Per quanto riguarda l'operazione vale lo stesso discorso.
I Pin sono esattamente euguali sia N che P.
Ma ci sono comunque delle caratteristiche che possono cambiare...ma te le devi studiare sul datasheets.
Nessuno può dare delle risposte certe se non si sa di quale circuito stiamo parlando.
Come dire che l'aspirina può guarire qualsiasi influenza....

⋮ƎlectroYou
-

stefanob70
14,1k 5 11 13 - Master EY

- Messaggi: 3190
- Iscritto il: 14 lug 2012, 13:14
- Località: Roma
0
voti
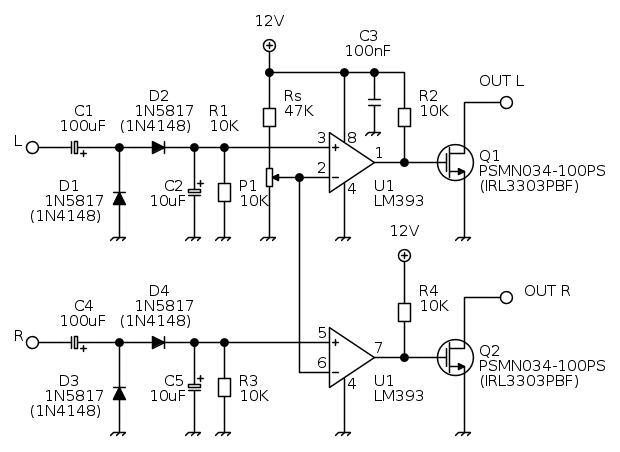
Questo è il circuito, creato da una persona proprio di questo forum... è un circuito led a ritmo di musica
-

gabrielelacava
115 3 - New entry

- Messaggi: 53
- Iscritto il: 19 giu 2016, 19:11
0
voti
Allora è una garanzia!!!! 
comunque non richiede applicazioni particolari...
Puoi' montare gli equivalenti..

comunque non richiede applicazioni particolari...
Puoi' montare gli equivalenti..
⋮ƎlectroYou
-

stefanob70
14,1k 5 11 13 - Master EY

- Messaggi: 3190
- Iscritto il: 14 lug 2012, 13:14
- Località: Roma
0
voti

"Non farei mai parte di un club che accettasse la mia iscrizione" (G. Marx)
-

claudiocedrone
21,3k 4 7 9 - Master EY

- Messaggi: 15300
- Iscritto il: 18 gen 2012, 13:36
0
voti
io punterei sull'inversione di polarità',se non sbaglio accetta fino a 36Vdc.. 
⋮ƎlectroYou
-

stefanob70
14,1k 5 11 13 - Master EY

- Messaggi: 3190
- Iscritto il: 14 lug 2012, 13:14
- Località: Roma
0
voti

* Ipotizzando un montaggio su breadboard sarebbe un banale errore di distrazione...
"Non farei mai parte di un club che accettasse la mia iscrizione" (G. Marx)
-

claudiocedrone
21,3k 4 7 9 - Master EY

- Messaggi: 15300
- Iscritto il: 18 gen 2012, 13:36
40 messaggi
• Pagina 1 di 4 • 1, 2, 3, 4
Chi c’è in linea
Visitano il forum: Nessuno e 43 ospiti

Elettrotecnica e non solo (admin)
Un gatto tra gli elettroni (IsidoroKZ)
Esperienza e simulazioni (g.schgor)
Moleskine di un idraulico (RenzoDF)
Il Blog di ElectroYou (webmaster)
Idee microcontrollate (TardoFreak)
PICcoli grandi PICMicro (Paolino)
Il blog elettrico di carloc (carloc)
DirtEYblooog (dirtydeeds)
Di tutto... un po' (jordan20)
AK47 (lillo)
Esperienze elettroniche (marco438)
Telecomunicazioni musicali (clavicordo)
Automazione ed Elettronica (gustavo)
Direttive per la sicurezza (ErnestoCappelletti)
EYnfo dall'Alaska (mir)
Apriamo il quadro! (attilio)
H7-25 (asdf)
Passione Elettrica (massimob)
Elettroni a spasso (guidob)
Bloguerra (guerra)
