Relè che si eccita dopo 3 pressioni del pulsante
Moderatori:
carloc,
g.schgor,
BrunoValente,
IsidoroKZ
44 messaggi
• Pagina 1 di 5 • 1, 2, 3, 4, 5
0
voti
Salve ragazzi, avrei la necessità di realizzare un circuito col seguente funzionamento: premendo 3 volte un pulsante (magari il numero di pressioni può essere regolabile) mi si deve eccitare un rele per circa 1 o 2 secondi per poi essere rilasciato. Il tutto con funzionamneto a 12 volt. Esiste un circuito in giro che posso adattare?
-

mistervolt
252 1 4 6 - Frequentatore

- Messaggi: 279
- Iscritto il: 11 feb 2013, 11:24
- Località: Roma
0
voti
forse si, o magari è più facile farne uno ex novo.mistervolt ha scritto:(...) Esiste un circuito in giro che posso adattare?
E' una richiesta legittima, come quella che avevi posto qui, alla quale però ti avevo cortesemente chiesto un feed-back.
E perché mai ?
Perché così magari, se qualcun altro in seguito fosse capitato in una situazione simile, avrebbe trovato nel forum un thread d'aiuto, risposte circostanziate.
Ma forse ti sei solo dimenticato.
Non che da parte tua fosse dovuto, ognuno fa come gli pare, ma probabilmente avrebbe contribuito, anche indirettamente, a dare una mano, come quella che stai chiedendo ora.
Per me la cpu di quel plc è ancora inchiodata, come a febbraio.
Saluti
W - U.H.F.
-

WALTERmwp
30,2k 4 8 13 - G.Master EY

- Messaggi: 8986
- Iscritto il: 17 lug 2010, 18:42
- Località: le 4 del mattino
0
voti
Per quanto riguarda il feedback della cpu, non ci ho più messo mano perche hanno deciso poi di disattivarla definitivamente.
-

mistervolt
252 1 4 6 - Frequentatore

- Messaggi: 279
- Iscritto il: 11 feb 2013, 11:24
- Località: Roma
0
voti
Certo
Anche io ho pensato a un 4017. Il funzionamento dovrebbe essere il seguente: premendo tre volte il pulsante (come ho detto numero variabile ) si divrebbe eccitare un rele per uno o due secondi e poi si diceccita. Un'altra caratterisstica che dovrebbe avere è che se il numero stabilito delle pressioni è 3 e se ne fanno solo 2, entro un tempo tipo 2 secondi non si fa la terza pressione il circuito si resetta e ci sarà di nuovo bisogno di tre pressioni. Alimentazione 9 - 12 V cc
arbifive ha scritto:Se mistervolt è interessato fammi sapere
Anche io ho pensato a un 4017. Il funzionamento dovrebbe essere il seguente: premendo tre volte il pulsante (come ho detto numero variabile ) si divrebbe eccitare un rele per uno o due secondi e poi si diceccita. Un'altra caratterisstica che dovrebbe avere è che se il numero stabilito delle pressioni è 3 e se ne fanno solo 2, entro un tempo tipo 2 secondi non si fa la terza pressione il circuito si resetta e ci sarà di nuovo bisogno di tre pressioni. Alimentazione 9 - 12 V cc
-

mistervolt
252 1 4 6 - Frequentatore

- Messaggi: 279
- Iscritto il: 11 feb 2013, 11:24
- Località: Roma
0
voti
Se sai come funziona in teoria gli bastano pochi componenti esterni per fargli fare quello che ti occorre.
Sto anche cercando dei simulatori inerenti al 4017 ma al momento non ho trovato nulla
-

arbifive
65 5 - CRU - Account cancellato su Richiesta utente
- Messaggi: 125
- Iscritto il: 28 giu 2017, 0:29
0
voti
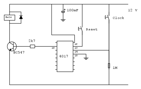
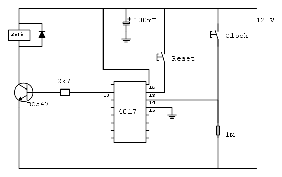
In base al datashet se non erro il circuito che ho progettato funziona nel seguente modo: a tre pressioni del pulsante si attiva l'uscita 4 e si eccita il rele. Premendo il pulsante di reset il livello alto torna all'uscita 1 e il relè si diseccita. Ora a me servirebbe che sia se si fanno tre pressioni, sia se invece se se ne fanno solo 2 o una, il processore dopo due secondi dall'ultima pressione del pulsante clock si resetta e torna allo stato iniziale (livello alto uscita 1)
ps: ho dimenticato il negativo al pin 8

-

mistervolt
252 1 4 6 - Frequentatore

- Messaggi: 279
- Iscritto il: 11 feb 2013, 11:24
- Località: Roma
44 messaggi
• Pagina 1 di 5 • 1, 2, 3, 4, 5
Chi c’è in linea
Visitano il forum: Nessuno e 246 ospiti

Elettrotecnica e non solo (admin)
Un gatto tra gli elettroni (IsidoroKZ)
Esperienza e simulazioni (g.schgor)
Moleskine di un idraulico (RenzoDF)
Il Blog di ElectroYou (webmaster)
Idee microcontrollate (TardoFreak)
PICcoli grandi PICMicro (Paolino)
Il blog elettrico di carloc (carloc)
DirtEYblooog (dirtydeeds)
Di tutto... un po' (jordan20)
AK47 (lillo)
Esperienze elettroniche (marco438)
Telecomunicazioni musicali (clavicordo)
Automazione ed Elettronica (gustavo)
Direttive per la sicurezza (ErnestoCappelletti)
EYnfo dall'Alaska (mir)
Apriamo il quadro! (attilio)
H7-25 (asdf)
Passione Elettrica (massimob)
Elettroni a spasso (guidob)
Bloguerra (guerra)