Ciao Ragazzi
vi volevo chiedere un consiglio sul mio circuito, a scuola ho studiato elettrotecnica e mi è rimasta la passione dell'elettronica che sto coltivando nel tempo libero,
mi sto cimentando con i mosfet, ho realizzato il seguente circuito per regolare la velocità di un motoriduttore con arduino:
ho un piccolo problema con il mosfet: quando Vgs va a 0 all'inizio il mosfet va in interdizione ma dopo inizia a condurre un po', vi allego le immagini dell'oscilloscopio per chiarezza
per caso sapete come potrei venirne a capo?
vi allego il Datasheet del Mosfet
https://www.vishay.com/docs/91021/91021.pdf
Il motore elettrico:
Vn= 24Vdc
In= 2.7A
Problema MosFET IRF540Z
Moderatori:
carloc,
g.schgor,
BrunoValente,
IsidoroKZ
7 messaggi
• Pagina 1 di 1
2
voti
francicoma ha scritto:ho un piccolo problema con il mosfet: quando Vgs va a 0 all'inizio il mosfet va in interdizione ma dopo inizia a condurre un po', vi allego le immagini dell'oscilloscopio per chiarezza
Ci sono alcune cose che non ho capito, ma partiamo dall'inizio.
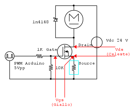
Guarda lo schema qui sotto - e trascuriamo per il momento la resistenza riquadrata di celeste -: e' uguale al tuo con evidenziate le tensioni misurate con l'oscilloscopio (immagine qui sotto).
Tu scrivi
- Celeste = Vgs
- Giallo = Vds
a me sembra
- Giallo = Vgs
- Celeste = Vds
E' OK?
Le resistenza riquadrata di celeste (di valore "basso" es. 0,1 ohm) e' un modo per vedere (misurando la tensione ai suoi capi) se il mosfet conduce oppure no.
Il tuo metodo *non* indica se il mosfet "conduce".
Lo spiegone (se mi riesce) dopo avere chiarito il primo punto (colori delle tracce).
1
voti
elfo ha scritto:a me sembra
- Giallo = Vgs
- Celeste = Vds
Condivido. Quando il mosfet smette di condurre, abbiamo dapprima il rovesciamento della tensione dovuto all'induttanza di dispersione del motore che manda in conduzione il diodo, poi questo transitorio si estingue e rimane l'effetto dinamo del motore in rotazione. Il mosfet fa quello che deve fare, non c'è problema.
0
voti
scusate piccola svista,
quindi se misuro i giri del motore mi risulterebbero proporzionali(o quasi) al duty cycle
quindi se misuro i giri del motore mi risulterebbero proporzionali(o quasi) al duty cycle
-

francicoma
60 1 6 - Frequentatore

- Messaggi: 151
- Iscritto il: 5 lug 2013, 1:23
0
voti
Ho fatto la prova con una resistenza da 26mOhm ed effettivamente la corrente transita solo quando il mosfet è saturato, è normale che la corrente sia a forma di rampa e non gradino? è sempre l'induttanza degli avvolgimenti che si oppone alla variazione di corrente in modo cosi evidente?
i giri sono quindi proporzionali al duty cycle?
i giri sono quindi proporzionali al duty cycle?
-

francicoma
60 1 6 - Frequentatore

- Messaggi: 151
- Iscritto il: 5 lug 2013, 1:23
0
voti
francicoma ha scritto:i giri sono quindi proporzionali al duty cycle?
Con questo tipo di modulazione, che potremmo dire "a semionda" o meglio PulseMagnitudo, la risposta è no. Prova a frenare un po' il motore, i giri calano facilmente e l'oscillogramma cambia abbastanza.
francicoma ha scritto:è normale che la corrente sia a forma di rampa e non gradino?
Succede soltanto se il motore gira a vuoto?
0
voti
francicoma ha scritto:è normale che la corrente sia a forma di rampa e non gradino? è sempre l'induttanza degli avvolgimenti che si oppone alla variazione di corrente in modo cosi evidente?
L'induttanza serie di dispersione viene sottoposta a una tensione piccola, pari alla differenza fra la tensione applicata dall'esterno e l'effetto dinamo del motore, quindi la pendenza della corrente di/dt=V/L è piccola e rende evidente la durata del fenomeno. Giusto?
7 messaggi
• Pagina 1 di 1
Chi c’è in linea
Visitano il forum: Nessuno e 120 ospiti

Elettrotecnica e non solo (admin)
Un gatto tra gli elettroni (IsidoroKZ)
Esperienza e simulazioni (g.schgor)
Moleskine di un idraulico (RenzoDF)
Il Blog di ElectroYou (webmaster)
Idee microcontrollate (TardoFreak)
PICcoli grandi PICMicro (Paolino)
Il blog elettrico di carloc (carloc)
DirtEYblooog (dirtydeeds)
Di tutto... un po' (jordan20)
AK47 (lillo)
Esperienze elettroniche (marco438)
Telecomunicazioni musicali (clavicordo)
Automazione ed Elettronica (gustavo)
Direttive per la sicurezza (ErnestoCappelletti)
EYnfo dall'Alaska (mir)
Apriamo il quadro! (attilio)
H7-25 (asdf)
Passione Elettrica (massimob)
Elettroni a spasso (guidob)
Bloguerra (guerra)




