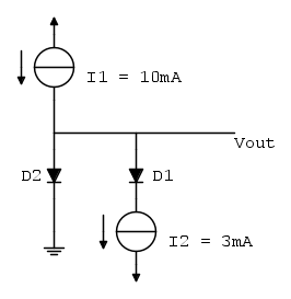
, eccomi qua con il mio primo schema realizzato con fidocad. L'esercizio prevede di determinare la tensione Vout sapendo che D1 ha una area di giunzione 10 volte quella di D2.
Per la risoluzione immaginavo di considerare l'espressione per la corrente nel diodo :
o 
(Aggiorno: i diodi suppongo siano attivi perché viene imposta una corrente con la giusta direzione in entrambi, può andare come ipotesi?)
Sembra mancare l'informazione relativa Is, per cui non saprei come ricavare la caduta di tensione sui diodi.
Qualche suggerimento?

Elettrotecnica e non solo (admin)
Un gatto tra gli elettroni (IsidoroKZ)
Esperienza e simulazioni (g.schgor)
Moleskine di un idraulico (RenzoDF)
Il Blog di ElectroYou (webmaster)
Idee microcontrollate (TardoFreak)
PICcoli grandi PICMicro (Paolino)
Il blog elettrico di carloc (carloc)
DirtEYblooog (dirtydeeds)
Di tutto... un po' (jordan20)
AK47 (lillo)
Esperienze elettroniche (marco438)
Telecomunicazioni musicali (clavicordo)
Automazione ed Elettronica (gustavo)
Direttive per la sicurezza (ErnestoCappelletti)
EYnfo dall'Alaska (mir)
Apriamo il quadro! (attilio)
H7-25 (asdf)
Passione Elettrica (massimob)
Elettroni a spasso (guidob)
Bloguerra (guerra)




. In conduzione diretta
, l'esponenziale esplode e si puo` trascurare il -1.
dove k e` una costante che tiene conto di tutti gli altri termini e A e` l'area. 



, sostituisco al posto delle VD la loro espressione, e gia` che ci sono metto in evidenza VT 