ciao a tutti,
tenendo in forte considerazione le informazioni e raccomandazioni di
dimaios, ho approfondito l'argomento.
Ebbene, cercando cercando, scavando scavando (nel web), ho trovato un tutorial che mi sembra proprio fare al caso mio, anzi a dir la verita' sembra scritto proprio per me di nascosto da qualcuno, dopo che aveva letto le mie richieste su questo forum.
Il tutorial indica che il procedimento per dotare una stampante 3d di un incisore laser e' piuttosto semplice, e sicuramente alla portata di chi e' in grado di montare una stampante 3d a partire da un kit (come e' il mio caso).
Tengo a precisare che le info ottenute da
dimaios sono in ogni caso molto preziose, sopratutto in riferimento alla sicurezza, punto che in questo tutorial viene considerato, ma senza entrare nel dettaglio delle esperienze, e quindi mi riprometto di adottarle, per quanto possibile.
Ecco il link all'argomento:
https://www.instructables.com/id/3D-Printer-Laser-Modification/Fortunatamente, come anticipavo, viene proprio considerata la mia stampante Anet A8, e vengono messe in evidenza le problematiche che l'autore ha trovato nella 'trasformazione'.
In particolare, viene esaminato il punto che avevo riportato nel post precedente, dove esponevo i miei dubbi, ovvero il controllo del laser via uscita ventilatore estrusore.
Riporto per comodita gli schemi che mi interessano dell'autore:
(paragrafo 4 - collegamento ventola stampante)

- F27HIW7JUSNLLJJ.LARGE.jpg (17.96 KiB) Osservato 4862 volte
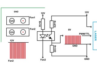
(paragrafo 9 - PWM Signal):

- FYVOQA2JVE7QA18.LARGE.jpg (11.54 KiB) Osservato 4862 volte

- F33LQ6HJVE7QA1H.LARGE.jpg (13.29 KiB) Osservato 4862 volte
L'autore propone proprio di utilizzare un laser da 5500mw.
A me interessava sapere come viene controllato attualmente il ventilatore dalla scheda della stampante, e se questa modalita era compatibile per il controllo del laser scelto.
Come si vede dagli schemi, la modalita' di controllo della ventola e' PWM, con range di 12V, ed invece quella del laser sempre PWM , ma con range di 5V.
Quindi l'autore in prima battuta pensava fosse sufficiente un partitore di tensione, per ridurre l'output a 5V.
Il problema e' pero' che la scheda per generare la differenza di tensione agisce sul pin negativo portandolo a 0 (GND) e mantiene costante i 12V sul positivo.
Quindi la condizione di 'ventola spenta' si ottiene portando 12V su entrambe i pin, e questa e' anche la situazione all'accensione della stampante.
Ora vi dico quanto penso di aver capito, correggetemi se sbaglio:
se per l'alimentazione del laser viene utilizzata la stessa sorgente utilizzata per la scheda della stampante, questa condizione e' incompatibile con il controllo diretto che si era immaginato, (cioe' solo il partitore di tensione) perche' , per come e' fatta la scheda di controllo del laser, si generano corto circuiti.
Per rimediare, l'autore propone di scollegare il circuito scheda stampante da quello scheda driver del laser, e di generare il segnale per il controllo del laser sull'altro circuito, attraverso un accoppiatore ottico.
Chiaramente, visto che non ho studiato elettronica, non sarei assolutamente in grado di fare calcoli, ne' di capire qual'e' il componente giusto da saldare nel punto opportuno.
Ma non e' questo quello che chiedevo.
Per fortuna qualcuno l'ha capito senza neppure che glie l'abbia chiesto.
In generale, il tutorial mi pare molto istruttivo, ovviamente solo per quelli che, come me, si interessano alla materia solo per scopo ludico e assolutamente non professionale.
Ecco, questo e' quanto, ed anche quantico
