Risolvere reti con Pspice

Strumenti informatici per la matematica applicata, le simulazioni, il disegno: Mathcad, Matlab, Scilab, Microcap, PSpice, AutoCad ...

Moderatori: Foto Utenteg.schgor, Foto Utentedimaios

Avatar utente
Foto UtenteGp741
0 2
Messaggi: 6
Iscritto il: 9 dic 2010, 0:08
0
voti

[1] Risolvere reti con Pspice

Messaggioda Foto UtenteGp741 » 9 dic 2010, 0:56

Salve a tutti il mio problema è il seguente:
Ho la seguente rete in regime sinusoidale con questi dati:

e1(t)=squareroot(2)*100*sin(omega*t-30°)
e2(t)=squareroot(2)*50*cos(omega*t+30°)
J(t)=squareroot(2)*6*sin(omega*t)
R1=R4=R5=omega*L1=20 OHm
R2=1/(omega*C3)=25 Ohm
R3=omega*L4=12 Ohm



Devo determinare le correnti nei 5 rami. Qualcuno può dirmi se posso risolvere questo problema con Pspice? Qualcuno può dirmi (nella maniera più dettagliata possibile) come impostare e risolvere questo problema in Pspice? Grazie in anticipo per le risposte.

Avatar utente
Foto UtenteIsidoroKZ
121,2k 1 3 8
G.Master EY
G.Master EY
Messaggi: 21059
Iscritto il: 17 ott 2009, 0:00
0
voti

[2] Re: Risolvere reti con Pspice

Messaggioda Foto UtenteIsidoroKZ » 9 dic 2010, 1:39

Se non sai usare Pspice, a mano ci metti molto di meno.

Certamente si puo` fare, disegni la rete, calcoli i valori di L e C per una omega che scegli tu (una qualunque va benissimo), imposti i generatori di tensione e di corrente con l'ampiezza e la fase indicata, e poi fai una analisi in AC intorno a un piccolo intervallo di frequenze pari a quella che hai scelto inizialmente.

Dimenticavo, metti un morsetto al riferimento zero, altrimenti spice non riesce a fare i conti.
Per usare proficuamente un simulatore, bisogna sapere molta più elettronica di lui
Plug it in - it works better!
Il 555 sta all'elettronica come Arduino all'informatica! (entrambi loro malgrado)
Se volete risposte rispondete a tutte le mie domande

Avatar utente
Foto UtenteGp741
0 2
Messaggi: 6
Iscritto il: 9 dic 2010, 0:08
0
voti

[3] Re: Risolvere reti con Pspice

Messaggioda Foto UtenteGp741 » 9 dic 2010, 10:16

Veramente ho bisogno di usare pspsice per potere controllare i conti fatti a mano(di questo esercizio e dei succesivi di cui non ho una soluzione). Qualcuno può dirmi che tipo di generatore di tensione e corrente devo devo usare nello schematics e che proprietà devo assegnargli?

Avatar utente
Foto UtenteIsidoroKZ
121,2k 1 3 8
G.Master EY
G.Master EY
Messaggi: 21059
Iscritto il: 17 ott 2009, 0:00
0
voti

[4] Re: Risolvere reti con Pspice

Messaggioda Foto UtenteIsidoroKZ » 9 dic 2010, 10:21

Generatori indipendenti, V e I nella sezione AC puoi specificare ampiezza e fase.

Verifica prima con un circuito semplice, specie per la fase che non so come sia definita in pspice.
Per usare proficuamente un simulatore, bisogna sapere molta più elettronica di lui
Plug it in - it works better!
Il 555 sta all'elettronica come Arduino all'informatica! (entrambi loro malgrado)
Se volete risposte rispondete a tutte le mie domande

Avatar utente
Foto UtenteGp741
0 2
Messaggi: 6
Iscritto il: 9 dic 2010, 0:08
0
voti

[5] Re: Risolvere reti con Pspice

Messaggioda Foto UtenteGp741 » 9 dic 2010, 10:49

Neanche io, non riesco a capirlo perciò ho scritto questo post...

Avatar utente
Foto UtenteGp741
0 2
Messaggi: 6
Iscritto il: 9 dic 2010, 0:08
0
voti

[6] Re: Risolvere reti con Pspice

Messaggioda Foto UtenteGp741 » 9 dic 2010, 14:04

Qualcuno potrebbe risolvere il problema con Pspice e poi mandarmi il relativo file? Così potrei capire come usare Pspice per risolvere quetso tipo di problemi........

Avatar utente
Foto UtenteRenzoDF
55,9k 8 12 13
G.Master EY
G.Master EY
Messaggi: 13189
Iscritto il: 4 ott 2008, 9:55
0
voti

[7] Re: Risolvere reti con Pspice

Messaggioda Foto UtenteRenzoDF » 9 dic 2010, 14:16

Per quanto riguarda i generatori, usa VAC e IAC dove imposterai ampiezza e fase; la simulazione sarà una AC SWEEP con parametri: Total Pts =1 e con Start ed End impostati allo stesso valore di frequenza.
Per i risultati inserirai nello schema VPrint e IPrint che si trovano nella libreria Special; ricorda comunque di impostare con una y , che sta per yes sia i parametri AC che MAG e PHASE (oppure REAL e IMAG) a seconda della rappresentazione desiderata in uscita .
Per il risultato dovrai dare un occhio al file di uscita con Examine Output.

In poche parole se vuoi "vincere facile", passa a LTspice ;-)
"Il circuito ha sempre ragione" (Luigi Malesani)

Avatar utente
Foto UtenteGp741
0 2
Messaggi: 6
Iscritto il: 9 dic 2010, 0:08
0
voti

[8] Re: Risolvere reti con Pspice

Messaggioda Foto UtenteGp741 » 9 dic 2010, 18:30

Grazie, il programma è molto meno ostico di Pspice. Peò puoi dirmi che paramnetri devo usare per la simulazione con LTspice?

Avatar utente
Foto UtenteRenzoDF
55,9k 8 12 13
G.Master EY
G.Master EY
Messaggi: 13189
Iscritto il: 4 ott 2008, 9:55
0
voti

[9] Re: Risolvere reti con Pspice

Messaggioda Foto UtenteRenzoDF » 9 dic 2010, 20:41

Gp741 ha scritto: puoi dirmi che paramnetri devo usare per la simulazione con LTspice?


prova a dare un occhio qui intanto
viewtopic.php?f=2&t=18636&st=0&sk=t&sd=a&start=10#p134596
"Il circuito ha sempre ragione" (Luigi Malesani)

Avatar utente
Foto UtenteRenzoDF
55,9k 8 12 13
G.Master EY
G.Master EY
Messaggi: 13189
Iscritto il: 4 ott 2008, 9:55
0
voti

[10] Re: Risolvere reti con Pspice

Messaggioda Foto UtenteRenzoDF » 9 dic 2010, 21:38

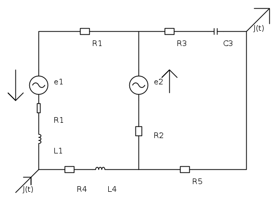
Per la tua rete, costruito lo schema

a2010-12-09_211725.gif
a2010-12-09_211725.gif (6.45 KiB) Visto 2189 volte

la soluzione fornita sara' nella forma

b2010-12-09_211949.gif
b2010-12-09_211949.gif (18.12 KiB) Visto 2189 volte

come puoi notare ho usato dei particolari bipoli orientati per una piu' facile individuazione del verso delle correnti (disponibili nella libreria gratuita della Evansville University http://csserver.evansville.edu/~richard ... LTspiceIV/); per i generatori devi ricordare che spice assume sempre la convenzione degli utilizzatori.

Il link che ti ho fornito prima dovrebbe chiarire come settare ampiezza e fase dei generatori, e tipo di simulazione.
Ricordo comunque che viene convenzionalmente simulato a pulsazione unitaria in modo che sia possibile assegnare agli induttori un valore di induttanza pari alla reattanza degli stessi e per i condensatori una reattanza pari al reciproco della reattanza capacitiva.

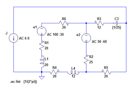
Ovviamente non è l'unico metodo! ... possiamo anche usare un altro nostro FREETool, CIRCE per ottenere ancora piu' velocemente

c2010-12-09_212222.gif
c2010-12-09_212222.gif (44.04 KiB) Visto 2188 volte


o infine Tina-demo !

c2010-12-09_214127.gif
c2010-12-09_214127.gif (10.9 KiB) Visto 2182 volte

ma qui il discorso, come al solito, si farebbe lungo !

... non hai che l'imbarazzo della scelta ;-)
"Il circuito ha sempre ragione" (Luigi Malesani)


Torna a “Programmi applicativi: simulatori, CAD ed altro”