Ciao ragazzi,
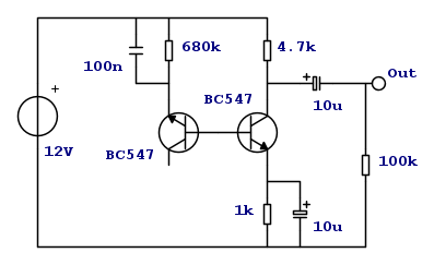
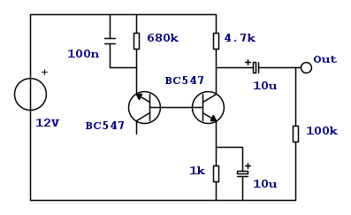
sto tentando tirar fuori una simulazione in LTSpice del seguente generatore di rumore bianco, non capisco come "far partire" il generatore, anche spuntando l'opzione UIC non riesco a farlo funzionare.
Qualche idea? Avevo lo stesso problema di simulazione con un circuito di Chua.
Grazie
White noise generator - LTSpice
9 messaggi
• Pagina 1 di 1
3
voti
rusty ha scritto:non capisco come "far partire" il generatore, anche spuntando l'opzione UIC non riesco a farlo funzionare.
Non mi risulta che spice ti permetta di simulare un tal generatore di rumore nel dominio del tempo, se è questo che intendi fare.
It's a sin to write
instead of
(Anonimo).
...'cos you know that
ain't
, right?
You won't get a sexy tan if you write
in lieu of
.
Take a log for a fireplace, but don't take
for
arithm.
instead of
(Anonimo)....'cos you know that
ain't
, right?You won't get a sexy tan if you write
in lieu of
.Take a log for a fireplace, but don't take
for
arithm.-

DirtyDeeds
55,9k 7 11 13 - G.Master EY

- Messaggi: 7012
- Iscritto il: 13 apr 2010, 16:13
- Località: Somewhere in nowhere
0
voti
Ma per quale motivo non me lo permette, è una questione di capacita' di calcolo?
Ma accontenterei anche di vederne lo spettro in una FFT, altrimenti quale altro programma potrei usare?
Grazie
Ma accontenterei anche di vederne lo spettro in una FFT, altrimenti quale altro programma potrei usare?
Grazie
-

rusty
4.075 2 9 11 - Utente disattivato per decisione dell'amministrazione proprietaria del sito
- Messaggi: 1578
- Iscritto il: 25 gen 2009, 13:10
1
voti
Se invece si vuole simulare un generatore di rumore (pseudocasuale) si possono usare le funzioni random e white.
Qui un piccolo tutorial:
http://electronics.stackexchange.com/qu ... th-ltspice
Qui un piccolo tutorial:
http://electronics.stackexchange.com/qu ... th-ltspice
2
voti
rusty ha scritto:è una questione di capacita' di calcolo?
Semplicemente non è una funzionalità implementata.
It's a sin to write
instead of
(Anonimo).
...'cos you know that
ain't
, right?
You won't get a sexy tan if you write
in lieu of
.
Take a log for a fireplace, but don't take
for
arithm.
instead of
(Anonimo)....'cos you know that
ain't
, right?You won't get a sexy tan if you write
in lieu of
.Take a log for a fireplace, but don't take
for
arithm.-

DirtyDeeds
55,9k 7 11 13 - G.Master EY

- Messaggi: 7012
- Iscritto il: 13 apr 2010, 16:13
- Località: Somewhere in nowhere
0
voti
Grazie
simo85, provero' con random e white , awesome
In pratica non esiste un programma di simulazione circuitale che mi permetta di vedere una simulazione di circuiti del genere?
In pratica non esiste un programma di simulazione circuitale che mi permetta di vedere una simulazione di circuiti del genere?
-

rusty
4.075 2 9 11 - Utente disattivato per decisione dell'amministrazione proprietaria del sito
- Messaggi: 1578
- Iscritto il: 25 gen 2009, 13:10
2
voti
rusty ha scritto:Ma accontenterei anche di vederne lo spettro in una FFT, altrimenti quale altro programma potrei usare?
A questo scopo puoi anche usare Octave, generi un segnale di rumore (sempre pseudocasuale) e calcoli la FFT con fft.
Qui hai un esempio di codice.
E per l'implemetazione della fft vedi anche questo thread.
Nei primi due libri QUI

Di esempi di codice con Octave e fft ce ne sono a bizzeffe.
3
voti
rusty ha scritto:In pratica non esiste un programma di simulazione circuitale che mi permetta di vedere una simulazione di circuiti del genere?
Non mi risulta, anche perché i programmi di simulazione sono tutti più o meno parenti di Spice (potrei sbagliarmi però). Tieni presente, comunque, che già il rumore di un dispositivo non è molto prevedibile in zona lineare, figuriamoci in zona valanga. I modelli di rumore dei dispositivi, gli stessi utilizzati da Spice nella simulazione .noise, tendono a sottostimare abbastanza il rumore (ho trovato discrepanze fino a un fattore 2-3 rispetto a dispositivi reali). Poi, in Spice e parenti, le analisi di rumore sono abbastanza limitate, per esempio non è possibile valutare le correlazioni.
It's a sin to write
instead of
(Anonimo).
...'cos you know that
ain't
, right?
You won't get a sexy tan if you write
in lieu of
.
Take a log for a fireplace, but don't take
for
arithm.
instead of
(Anonimo)....'cos you know that
ain't
, right?You won't get a sexy tan if you write
in lieu of
.Take a log for a fireplace, but don't take
for
arithm.-

DirtyDeeds
55,9k 7 11 13 - G.Master EY

- Messaggi: 7012
- Iscritto il: 13 apr 2010, 16:13
- Località: Somewhere in nowhere
9 messaggi
• Pagina 1 di 1
Torna a Programmi applicativi: simulatori, CAD ed altro
Chi c’è in linea
Visitano il forum: Nessuno e 20 ospiti

Elettrotecnica e non solo (admin)
Un gatto tra gli elettroni (IsidoroKZ)
Esperienza e simulazioni (g.schgor)
Moleskine di un idraulico (RenzoDF)
Il Blog di ElectroYou (webmaster)
Idee microcontrollate (TardoFreak)
PICcoli grandi PICMicro (Paolino)
Il blog elettrico di carloc (carloc)
DirtEYblooog (dirtydeeds)
Di tutto... un po' (jordan20)
AK47 (lillo)
Esperienze elettroniche (marco438)
Telecomunicazioni musicali (clavicordo)
Automazione ed Elettronica (gustavo)
Direttive per la sicurezza (ErnestoCappelletti)
EYnfo dall'Alaska (mir)
Apriamo il quadro! (attilio)
H7-25 (asdf)
Passione Elettrica (massimob)
Elettroni a spasso (guidob)
Bloguerra (guerra)

