Cos'è ElectroYou | Login Iscriviti

ElectroYou - la comunità dei professionisti del mondo elettrico

simulazione parametrica pspice

Strumenti informatici per la matematica applicata, le simulazioni, il disegno: Mathcad, Matlab, Scilab, Microcap, PSpice, AutoCad ...

Moderatori: Foto Utenteg.schgor, Foto Utentedimaios

0
voti

[1] simulazione parametrica pspice

Messaggioda Foto Utentesick69boy » 3 ago 2016, 19:19

Salve a tutti, ho necessità di fare una simulazione parametrica in cui faccio variare una corrente. Questa corrente attraversa un resistore che deve mantenere costante la sua caduta di tensione, quindi al variare del parametro I devo avere
R \cdot I= Cost
Come posso implementare ciò su Pspice?
Avatar utente
Foto Utentesick69boy
50 1 3
 
Messaggi: 18
Iscritto il: 14 giu 2015, 20:51
Località: Latina

1
voti

[2] Re: simulazione parametrica pspice

Messaggioda Foto UtenteIsidoroKZ » 3 ago 2016, 19:39

Un resistore che mantiene costante la tensione ai suoi capi al variare della corrente che lo attraversa non e` un resistore! Sempre se ho capito bene il problema. In pratica vuoi una batteria o qualcosa che le assomigli.

Come prima soluzione puoi usare una batteria: tiene la tensione costante ai suoi capi qualunque sia la corrente che la attraversa. Oppure uno zener, la tensione non e` proprio costante al variare della corrente. Oppure un riferimento di tensione, un transistore e un operazionale che si comportano come uno zener quasi ideali. Infine ancora un generatore di corrente controllato dalla tensione ai suoi capi.
Per usare proficuamente un simulatore, bisogna sapere molta più elettronica di lui
Plug it in - it works better!
Il 555 sta all'elettronica come Arduino all'informatica! (entrambi loro malgrado)
Se volete risposte rispondete a tutte le mie domande
Avatar utente
Foto UtenteIsidoroKZ
121,2k 1 3 8
G.Master EY
G.Master EY
 
Messaggi: 21059
Iscritto il: 17 ott 2009, 0:00

0
voti

[3] Re: simulazione parametrica pspice

Messaggioda Foto Utentesick69boy » 3 ago 2016, 19:55

Mi sono espresso male. Nella mia simulazione voglio che il valore della resistenza dipenda dal valore della corrente, per far si che il loro prodotto resti costante.
In pratica ho una BJT in configurazione emettitore comune, polarizzato dal generatore I (su cui voglio fare la simulazione parametrica) caricato da una resistenza R sul collettore. Nella mia simulazione voglio mantenere costante il guadagno in continua e quindi voglio che
R \cdot I=cost
Sono stato più chiaro?
Avatar utente
Foto Utentesick69boy
50 1 3
 
Messaggi: 18
Iscritto il: 14 giu 2015, 20:51
Località: Latina

1
voti

[4] Re: simulazione parametrica pspice

Messaggioda Foto UtenteIsidoroKZ » 3 ago 2016, 20:14

Se RI=cost non hai nessun guadagno, perche' la "resistenza" in realta` diventa una batteria.
Fai uno schema in fidocadj. Se il generatore di corrente I e` la corrente di emettitore c'e` una soluzione quasi giusta. Se la corrente I e` la corrente di base invece diventa decisamente piu` complicato.

Fai lo schema (fidocadj) e spiega che cosa vuoi trovare con la simulazione.
Per usare proficuamente un simulatore, bisogna sapere molta più elettronica di lui
Plug it in - it works better!
Il 555 sta all'elettronica come Arduino all'informatica! (entrambi loro malgrado)
Se volete risposte rispondete a tutte le mie domande
Avatar utente
Foto UtenteIsidoroKZ
121,2k 1 3 8
G.Master EY
G.Master EY
 
Messaggi: 21059
Iscritto il: 17 ott 2009, 0:00

0
voti

[5] Re: simulazione parametrica pspice

Messaggioda Foto Utentesick69boy » 12 ago 2016, 17:44



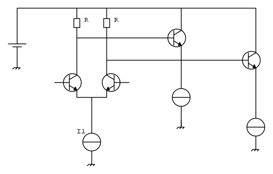
Io ho questa situazione e quello che voglio fare è una simulazione parametrica variando la corrente I1, ma mantenendo costante il guadagno della cella differenziale, quindi devo avere cost=R \cdot I.
Quello che vi chiedo è come impostare questo vincolo su pspice
Avatar utente
Foto Utentesick69boy
50 1 3
 
Messaggi: 18
Iscritto il: 14 giu 2015, 20:51
Località: Latina

1
voti

[6] Re: simulazione parametrica pspice

Messaggioda Foto UtenteIsidoroKZ » 12 ago 2016, 20:21

Non ricordo la sintassi di pspice, ma una soluzione approssimata e` definire un parametro, una variabile, ad esempio la corrente I1, che fai variare a passi (non troppi altrimenti i risultati diventano illeggibili).

Il generatore di corrente vale I1. La resistenza la definisci con una espressione, del tipo VRC/(2*I1) dove VRC e` la tensione che vuoi che cada sulla resistenza.

La soluzione non e` esattissima perche' la corrente di collettore non e` identica a quella di emettitore, e inoltre ci sono le correnti di base, ma direi che entrambi i contributi siano trascurabili.
Per usare proficuamente un simulatore, bisogna sapere molta più elettronica di lui
Plug it in - it works better!
Il 555 sta all'elettronica come Arduino all'informatica! (entrambi loro malgrado)
Se volete risposte rispondete a tutte le mie domande
Avatar utente
Foto UtenteIsidoroKZ
121,2k 1 3 8
G.Master EY
G.Master EY
 
Messaggi: 21059
Iscritto il: 17 ott 2009, 0:00

0
voti

[7] Re: simulazione parametrica pspice

Messaggioda Foto Utentesick69boy » 12 ago 2016, 22:09

Questo è quello che voglio fare io, ma non so come farlo con pspice, ovvero non so come impostare questa equazione. Speravo che qualcuno potesse aiutarmi
Avatar utente
Foto Utentesick69boy
50 1 3
 
Messaggi: 18
Iscritto il: 14 giu 2015, 20:51
Località: Latina

0
voti

[8] Re: simulazione parametrica pspice

Messaggioda Foto UtenteIsidoroKZ » 12 ago 2016, 22:40

Devi definire un parametro (PARAM), stepparlo (STEP), mettere il valore del generatore di corrente I1 con quel parametro e la resistenza la specifichi con una espressione. I valori di I1 e R li metti fra parentesi graffe e scrivi dentro l'espressione che ti pare.

Se passi a LTspice e` molto piu` veloce, invece di dover aprire maree di menu vari per definire un parametro.
Per usare proficuamente un simulatore, bisogna sapere molta più elettronica di lui
Plug it in - it works better!
Il 555 sta all'elettronica come Arduino all'informatica! (entrambi loro malgrado)
Se volete risposte rispondete a tutte le mie domande
Avatar utente
Foto UtenteIsidoroKZ
121,2k 1 3 8
G.Master EY
G.Master EY
 
Messaggi: 21059
Iscritto il: 17 ott 2009, 0:00


Torna a Programmi applicativi: simulatori, CAD ed altro

Chi c’è in linea

Visitano il forum: Nessuno e 4 ospiti