Cos'è ElectroYou | Login Iscriviti

ElectroYou - la comunità dei professionisti del mondo elettrico

Dopo 25 anni, lo stereo da sogno

hi-fi, luci, suoni, effetti speciali, palcoscenici...

Moderatore: Foto UtenteIsidoroKZ

4
voti

[1] Dopo 25 anni, lo stereo da sogno

Messaggioda Foto Utenteboiler » 6 mag 2025, 23:40

Ho sempre ascoltato volentieri musica, radio, cassette, CD...
Già da ragazzino avevo il mio stereo in camera. Il primo era una radio Philips con due deck cassette (come un boombox, ma piccolo) che avevo vinto al concorso di una radio locale. Dovrebbe esserci ancora in cantina a casa dei miei.
Poi, qualche anno dopo, ho ricevuto per Natale un modello simile, ma Sony e con CD player integrato.

I miei erano amici del commesso di un negozio (fisico, a quei tempi c'erano ancora) di stereo e televisioni e mi dava tutti i cataloghi e le pubblicità di Sony, Technics/Panasonic e JVC.
I miei coetani si chiudevano in bagno con i "giornali di donne nude" (cit.), io con il catalogo Sony.

Passati ancora un paio d'anni, il Minidisc fece la sua comparsa su quelle riviste patinate e per me era ovvio che dovevo averlo. Ho comprato dapprima un Minidisc portatile Panasonic (se ben ricordo era un'offerta speciale legata ad una banca). Poi ho voluto sostituire anche il boombox in camera con uno stereo con Minidisc. Sapevo esattamente cosa volevo, lo stereo con il design piú elegante e la tecnologia piú innovativa che ci fosse!

Ma la paghetta settimanale messa da parte sull'arco di mesi e anni, non sarebbe bastata.
Il commesso di cui sopra mi fece un buon prezzo su un modello di tutto rispetto e presi quello. Non era il mio sogno, ma era comunque -in gergo tecnico- una gran figata! Era un Sony DHC-MD333 con la piastra per cassette opzionale.

Questo sistema compatto mi ha accompagnato per probabilmente un decennio di uso intensissimo, forse anche qualcosina in piú. Poi cominciarono i problemi: l'encoder del volume non funzionava piú: poco male, il volume lo potevo regolare con il telecomando. Ma quello che ne decretò davvero la morte fu un problema di firmware (perlomeno, questa è la mia interpretazione), probabilmente una EEPROM cotta che ne causava l'accensione ad orari random, indipendentemente da quando avevo impostato la sveglia. Una volta arrivavo a casa e la radio era accesa. Un'altra mi si accendeva alle 3 di notte. Evviva!

A quel punto avevo già il mio appartamento e lo stereo s'era trasferito dalla cameretta al salotto. Presi quindi un amplificatore Technics d'occasione che non mi è poi mai piaciuto. Aveva un suono molto cupo. Se fosse stato una persona l'avrei descritto come "nasale". L'ho sopportato a lungo, poi pochi anni fa l'ho venduto.

Ho comprato un Cambridge Azur 640A. Suono eccellente, ma un'elettronica ovviamente mal concepita: consuma (e scalda) parecchio anche in stand-by, cosa che probabilmente ha contribuito al deterioramento di qualche elettrolitico. Effetto che si sente notevolmente in buchi di volume e asimmetrie tra i canali destro e sinistro. Un problema riparabile, ma a casa mia lo stereo è acceso per parecchie ore al giorno e metterlo fuori servizio per la riparazione vorrebbe dire rinunciarvi per giorni (conoscendomi, probabilmente settimane).

Ho pensato quindi di comprare qualcosa di economico per usarlo provvisoriamente. Però spendere soldi, anche se non molti, per spazzatura non mi va.
Poi mi sono ricordato di quello che ho scritto sopra: Sapevo esattamente cosa volevo, lo stereo con il design piú elegante e la tecnologia piú innovativa che ci fosse!

In altre parole, un Sony Lissa.
La tecnologia, o perlomeno l'idea, dopo 25 anni è ancora geniale, ma non ha avuto successo ed è quindi stata abbandonata. Il design, quello resta. È senza dubbio il piú bel Hi-Fi che abbia mai visto (con una menzione onorevole per la serie JVC Super Digifine).

L'idea rivoluzionaria era abolire i cavetti cinch per portare a spasso i segnali audio analogici (dal CD all'amplificatore, da lì al minidisc, dal minidisc indietro all'amplificatore per il playback... un groviglio immondo). In loro vece era previsto l'uso di un link FireWire che collegava in daisy-chain i vari componenti.
Suono digitale, n apparecchi collegati con n-1 cavetti, bellissimo, no?
Si poteva anche collegare un computer con porta FireWire e con un software specifico gestire il tutto (ci sono degli screenshot nel link di cui sopra).

Purtroppo, come detto, questa tecnologia è stata abbandonata. Per fortuna, però:
a) l'amplificatore ha un ingresso analogico
b) si trova ancora sporadicamente sul mercato dell'usato
c) la paghetta che ricevo adesso è piú sostanziosa di quella che mi davano i miei :mrgreen:

E quindi... eccolo qui:
lissa.jpg


A distanza di 25 anni dalla sua uscita, mi sono comprato quello che volevo. E sono felicissimo.
Funziona perfettamente e il suono è ottimo.

A onor del vero, per il tipo di uso e per gli altoparlanti che ho, una quarantina di watt in piú non gli farebbero male. Ma così il vicino ringrazia :mrgreen:

Mi è perfettamente chiaro che anche questo non durerà in eterno, ma l'elettronica la posso sostituire, tenendo la scatola che mi piace esteticamente.

Probabilmente macellerò il Cambridge Audio, tenendo la scatola che è bella solida e ben fatta e il toroidale d'alimentazione. Tutto il resto viene rimosso e ci metto un PCB fai-da-me con un amplificatore in classe D. Perlomeno, questa è l'idea. La realizzazione durerà decenni #-o

Volevo condividere con voi questo momento di gaudio :cool:

Boiler
Avatar utente
Foto Utenteboiler
26,4k 5 9 13
G.Master EY
G.Master EY
 
Messaggi: 5618
Iscritto il: 9 nov 2011, 12:27

0
voti

[2] Re: Dopo 25 anni, lo stereo da sogno

Messaggioda Foto Utentestefanopc » 7 mag 2025, 0:01

Molto particolare e sicuramente innovativo per l'epoca.
A me invece piacciono "grovigli" di cavetti (deformazione professionale #-o ) che vanno dai vari componenti al preamplificatore e poi all'amplifictore ecc.
Non penso di aver visto questo modello in precedenza complimenti.
Ciao
600 Elettra
Avatar utente
Foto Utentestefanopc
13,3k 5 9 13
Master EY
Master EY
 
Messaggi: 5569
Iscritto il: 4 ago 2020, 9:11

0
voti

[3] Re: Dopo 25 anni, lo stereo da sogno

Messaggioda Foto Utenteclaudiocedrone » 7 mag 2025, 0:15

Io non ho mai avuto una paghetta settimanale, il primo stereo mio è stato il Pioneer (piastra amplificata) preso usato che montai nella R4, molto dopo presi un Sony discman (la versione a CD del walkman). A tre anni comunque sapevo già mettermi i dischi da solo sul giradischi di casa, uno mono di Selezione (del Reader's digest) poi soppiantato da uno Stereorama 2000 sempre di Selezione che i miei presero per mio fratello maggiore.
Ho ascoltato musica su impianti anche megagalattici di amici ma non sono mai stato appassionato di hi-fi, per me vanno bene anche mangianastri, mangiadischi, PC e smartphone :mrgreen:
"Non farei mai parte di un club che accettasse la mia iscrizione" (G. Marx)
Avatar utente
Foto Utenteclaudiocedrone
21,3k 4 7 9
Master EY
Master EY
 
Messaggi: 15305
Iscritto il: 18 gen 2012, 13:36

0
voti

[4] Re: Dopo 25 anni, lo stereo da sogno

Messaggioda Foto UtenteEcoTan » 7 mag 2025, 6:42

Intanto congratulazioni per avere centrato perfettamente e un po' fortunosamente un obiettivo di soddisfazione personale.
E adesso vado un po' OT ma spero non troppo. Che ne pensiamo della musica su pennino USB o via bluetooth? Più esattamente, il formato MP3 perde qualcosa rispetto al .wav? Dico dal punto di vista di uno a cui piace ascoltare gli strumenti musicali tradizionali, voce compresa.
Avatar utente
Foto UtenteEcoTan
7.720 4 12 13
Expert EY
Expert EY
 
Messaggi: 5427
Iscritto il: 29 gen 2014, 8:54

0
voti

[5] Re: Dopo 25 anni, lo stereo da sogno

Messaggioda Foto Utentelelerelele » 8 mag 2025, 18:19

intanto complimenti per essere risucito a relizzare un sogno. impagabile.

io comprai uno stereo completo, technics, per pagalo usai i regali di compleanno degli ultimi 10 anni, e feci qualche seduta di alcune ore a zappare con la motozappa da vicini e conoscenti.

ce l'ho ancora, ho dovuto cambiare gli elettrolitici del finale, erano andati in pappa, non uso piu la cassetta, ed il piatto dovrei smontarlo, probabilmente ha pure lui problemi di elettrolitici.

mi limito ad ascoltare youtube, leggendo l'uscita ottica TV con un semplice DAC da 15€, malgrado un leggero rumore di fondo si sente bene.

come finale uso un ampli che mi autocostruii 30 anni fa, classe AB, che scalda parecchio, con classe AA, all'ingresso, va alla grande, ma il potenziometro del volume non ce la fa più, e la cassa, (la seconda devo ancora assemblarla, :mrgreen: ma non avrei neanche lo spazio dove metterla, ha 80litri di cassa....), la costruii pure lei circa nello stesso periodo, ho cambiato da poco i condensatori del crossover, ovviamente autocostruito, (200W di tweeter), che dopo un po di tempo in potenza...faceva strani click, pensavo fosse saltato di brutto.

Quando "sono in casa solo sentono la musica (teckno) dal cortile e dilà dalla strada!" (abito in una casa singola, ma nei paraggi ho altre case).

Una sera, stavo sbombardando di brutto, hanno suonato alla porta,una vicina mi ha chiesto se potevo "abbassare", perché la figlia non riusciva a dormire, ed il giorno dopo aveva un esame :roll: , tra casa mia e scasa sua c'è di mezzo una strada e una cinquantina di metri di distanza :mrgreen:

Ora se c'è il figlio gia mi di ce "è un po alto" e mi guardda in starno modo, ma se c'è la comapagna non mi sopporta più, una sera è sparita da casa, è l'ho trovata seduta sulle scale esterne!!! MAH.

:mrgreen: :mrgreen: :mrgreen: Tanto anche li non si è salvi dal "rumore". :mrgreen: :mrgreen: :mrgreen:

saluti.
Avatar utente
Foto Utentelelerelele
4.899 3 7 9
Master
Master
 
Messaggi: 5509
Iscritto il: 8 giu 2011, 8:57
Località: Reggio Emilia

0
voti

[6] Re: Dopo 25 anni, lo stereo da sogno

Messaggioda Foto Utentesonusfaber » 9 mag 2025, 1:55

E adesso vi racconto la mia, visto che il sasso è stato lanciato.
Io ascoltavo la musica da un Revox, se mio padre non c'era, perché non voleva che lo toccassi
Aveva anche un giradischi marca Dual che per me valeva poco.
Quando arrivò il CD io ero piccolo ancora, ma mio padre comprò il primissimo modello uscito di Philips e il negozio di zona gli mandava il bollettino con tutte le uscite di CD. Io ero in estasi per la tecnologia, ma non per il suono. Poi mio padre lo cambio con un Technics... non era molto meglio.
finché non andai ad una fiera, al Top Audio di Milano... che roba... ho sentito cose che per me erano da frmi lacrimare. Mi innamorai dei diffusori Martin Logal elettrostatici, da paura.
ma era roba inarrivabile per noi.
La vera chicca è che capii che un buon giradischi era assai meglio del migliore lettore CD
Convinsi papà a comprare un giradischi Linn 100% british sound
Che musica!!!!! altro che i dischetti argentati
Così, sino a qualche anno fa, sono andato solo più di vinile anche perché escono stampe di gran qualità.
Il resto dell'impianto che ho era in linea con la musica che ascolto: amplificatore Audio Analogue, pre phono autocostruito e diffusori Sonus Faber. Cavi autocostruiti nel laboratorio al lavoro con altri colleghi appassionati.
arriviamo a qualche anno fa... ovvero... e se provassi la musica liquida? 32 bit... flac... 384 kHz etc per capirci?
Così per non svenarmi troppo e a scatola chiusa compro un DAC italiano M2Tech fidandomi dei pareri dei forum
Vado in negozio lo aveva stava per chiudere, manco lo ascolto e lo porto a casa.
Dopo cena lo collego al volo al PC e alle cuffie AKG... stica%%i !!!! mi si sono lacrimati gli occhi al primo ascolto con mezzi di fortuna (PC e cuffie)
Col tempo ho provato diversi SW per lo straming dei .flac per PC con risultati discreti sino a che non metto su un Raspberry con piCorePlayer... che fatica configurare il tutto per fargli leggere dalla NAS via rete. Sono rimasto meravigliato del risultato sonoro, ma non per dover usare il telefono per comandarlo
Così gli aggiungo uno schermo esterno touch e un telecomando IR.
Risultato sbalorditivo... bit perfect ovviamente.
Decido poi di comprare un DAC più serio e prendo un Teac UD-501
costava 4 volte il M2Tec e suona peggio

Ad ogni modo... per me la musica liquida ad alta risoluzione è qujanto di più vicino ci possa essere al vinile
Ovviamente avrete capito che se sento parlare di wav o mp3-4 mi viene un infarto...

Una buona soluzione è un telefono android che monta la NAS via rete con su USB Audio Player PRO e un DAC esterno. si bypassa tutta la parte audio di Android e si va diritti al DAC esterno
I telefoni migliori per ascoltare musica high res senza DAC esterno sono i Sony XPeria, molto molto curati sulla parte audio e montano DAC come dio comanda

Diciamo che, a meno di errori grossolani... lo streamer se ben configurato è trasparente... cambi piattaforma cambia interfaccia funzioni menu librerie, ma a sonoro è tutto uguale a patto che tutto il brano sia in memoria ovvero pre-caricato prima della riproduzione perché la cosa peggiore e farli suonare mentre leggono dalla NAS.
Prodotto da evitare come la peste, che ho pure comprato, è JRiver... avevo pure comprato un PC windows con schermo touch per usare come streamer JRiver in modalità theatre. Pessimo prodotto, non sanno programmare quelli di JRiver.

CIAO !!!
Avatar utente
Foto Utentesonusfaber
254 2 6
Expert
Expert
 
Messaggi: 407
Iscritto il: 8 gen 2015, 1:49

0
voti

[7] Re: Dopo 25 anni, lo stereo da sogno

Messaggioda Foto UtenteEcoTan » 9 mag 2025, 19:24

sonusfaber ha scritto:Dopo cena lo collego al volo al PC e alle cuffie AKG..

Il collegamento al PC avviene con cavetto USB o altro?
Avatar utente
Foto UtenteEcoTan
7.720 4 12 13
Expert EY
Expert EY
 
Messaggi: 5427
Iscritto il: 29 gen 2014, 8:54

0
voti

[8] Re: Dopo 25 anni, lo stereo da sogno

Messaggioda Foto Utentestefanopc » 9 mag 2025, 19:42

sonusfaber ha scritto:Quando arrivò il CD io ero piccolo ancora, ma mio padre comprò il primissimo modello uscito di Philips e il negozio di zona gli mandava il bollettino con tutte le uscite di CD.
...
finché non andai ad una fiera, al Top Audio di Milano... che roba... ho sentito cose che per me erano da frmi lacrimare. Mi innamorai dei diffusori Martin Logal elettrostatici, da paura.
ma era roba inarrivabile per noi.


Condivido buona parte del racconto.
Anche io ho fatto qualche pellegrinaggio al top audio ad ammirare le elettrostatiche e le sonusfaber. :mrgreen:
Il passaggio al vinile però l'ho sempre rinviato per mille motivi e dal Cd sono poi approdato ai Flac.
Ora utilizzo Moode su raspberry con dac cinese e il resto del mio impianto che mi ha sempre soddisfatto.
Il sogno nel cassetto è ancora nel cassetto.
Ciao
600 Elettra
Avatar utente
Foto Utentestefanopc
13,3k 5 9 13
Master EY
Master EY
 
Messaggi: 5569
Iscritto il: 4 ago 2020, 9:11

0
voti

[9] Re: Dopo 25 anni, lo stereo da sogno

Messaggioda Foto Utentesonusfaber » 9 mag 2025, 23:15

EcoTan ha scritto:
sonusfaber ha scritto:Dopo cena lo collego al volo al PC e alle cuffie AKG..

Il collegamento al PC avviene con cavetto USB o altro?


Beh... si certo... sono DAC USB.
Avatar utente
Foto Utentesonusfaber
254 2 6
Expert
Expert
 
Messaggi: 407
Iscritto il: 8 gen 2015, 1:49

0
voti

[10] Re: Dopo 25 anni, lo stereo da sogno

Messaggioda Foto Utenteboiler » 3 mar 2026, 0:32

boiler ha scritto:Mi è perfettamente chiaro che anche questo non durerà in eterno

Ecco, come era prevedibile vista l'età sono cominciati i problemi. Beh, vediamo il lato positivo: così lo vedete anche aperto :mrgreen:
lsa1_open.jpg

È bello anche dentro :mrgreen:
Ben costruito, molto modulare.

Ah, non per tirarmela, ma avete notato che ho l'altoparlante deontologicamente corretto per testare un apparecchio di questa marca, era e serie? :cool:

A sinistra il trasformatore di potenza e davanti quello ausiliario: il trasformatore di potenza, in stand-by, è staccato dalla rete. Una bella cosa. Cambridge Audio per esempio non lo fa.
Al centro la parte di potenza e a destro la parte di elaborazione del segnale.

Per il vostro godimento ho sollevato il PCB di destra e ho fatto un paio di altre foto:
str-lsa1_1.jpg

Un ASIC Sony :D Erano davvero i tempi d'oro. Secondo me l'Hi-Fi casereccio ha raggiunto il suo picco assoluto attorno all'anno 2000. E ce ne sono altri, quello dietro sfocato è marchiato Sony anche lui, è il DSP.

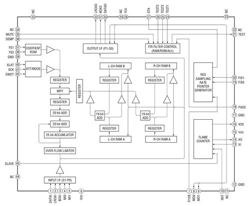
Cosa fa questo? Non lo so, ma nel service manual c'è scritto che contiene un flame counter. Quanto figo è? :cool: (un po' piú seriamente, credo sia parte del sistema ATRAC3).
str-lsa1_asic.JPG


Il concetto di ground a stella viene preso sul serio. Qualcuno ha un'idea del perché non è semplicemente stato realizzato come traccia sul PCB?
str-lsa1_gnd.jpg


La scheda messa dietro e avvitata al longherone di sinistra, vicino al trasformatore di potenza è la scheda RDS. Al di sotto di essa c'è un modulo di sintonizzazione AM/FM. Questa scheda fa da collegamento tra la scheda di elaborazione di segnale a destra e il sintonizzatore, estraendo al contempo dal segnale audio lo stream RDS. Il sintonizzatore è controllato da una SPI simplex (ovvero senza linea MISO). Ne consegue che l'unità di controllo non sa se il tuner esiste, è attaccato e funziona. L'ho smontato e tutto funziona perfettamente, ma non si sente nulla :mrgreen: Posso hackerarci un altro ingresso analogico, eccellente! E posso modularci a 57 kHz un segnale simil-RDS per scrivere quello che voglio sul display :lol:

Boiler
Avatar utente
Foto Utenteboiler
26,4k 5 9 13
G.Master EY
G.Master EY
 
Messaggi: 5618
Iscritto il: 9 nov 2011, 12:27

Prossimo

Torna a Elettronica e spettacolo

Chi c’è in linea

Visitano il forum: Nessuno e 10 ospiti