Buongiorno a tutti,
Sono nuovo del forum, e ho qualche piccola conoscenza in ambito elettronico, la mia idea sarebbe quella di realizzare un circuito in grado di acquisire l'ampiezza del suono o rumore percepito e in uscita far illuminare una striscia di led, più il rumore è forte e più led si accendono.
Ho cercato su internet ma non trovo niente che riguardi il mio progetto, vi sarei grato se qualcuuno riuscisse a indirizzarmi nella giusta direzione.
Spero di essere stato esaustivo.
Grazie anticipatamente Luca
Sensore audio a led
Moderatore:
IsidoroKZ
15 messaggi
• Pagina 1 di 2 • 1, 2
0
voti
"Computers, operating systems, networks are a hot mess. They're barely manageable, even if you know a decent amount about what you're doing. Nine out of ten software engineers agree: it's a miracle anything works at all."
@fasterthanlime
@fasterthanlime
0
voti
Questo dimostra quanto la mia ignoranza mi abbia ostacolato, bastava sapere la parola esatta (vu meter) per riuscire nell'impresa... 

0
voti
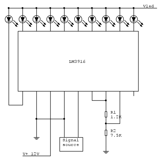
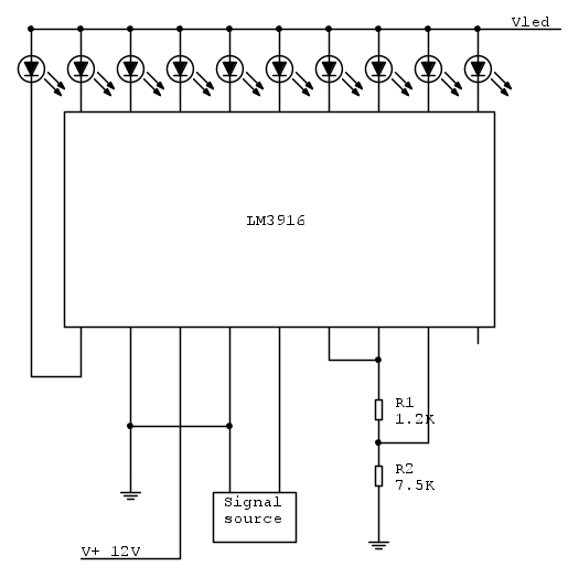
io vorrei realizzare questo circuito, potete dirmi se è corretto ed eventualmente come fare per renderlo migliore?
Grazie mille
1
voti
Se vuoi sentire l'ampiezza di suoni dovresti usare il 3916 che ha una risposta logaritmica, quello che hai messo ha una risposta lineare.
L'LM386 e` un amplificatore di potenza, non serve in questo circuito. D'altra parte invece servirebbe un raddrizzatore perche' il circuito lavora con segnali unipolari. Nel data sheet del 3916 ci sono molti esempi di raddrizzatori attivi.
Non bisogna mettere il condensatore in serie all'ingresso, altrimenti la corrente di bias del circuito non riesce a passare e il circuito satura.
L'LM386 e` un amplificatore di potenza, non serve in questo circuito. D'altra parte invece servirebbe un raddrizzatore perche' il circuito lavora con segnali unipolari. Nel data sheet del 3916 ci sono molti esempi di raddrizzatori attivi.
Non bisogna mettere il condensatore in serie all'ingresso, altrimenti la corrente di bias del circuito non riesce a passare e il circuito satura.
Per usare proficuamente un simulatore, bisogna sapere molta più elettronica di lui
Plug it in - it works better!
Il 555 sta all'elettronica come Arduino all'informatica! (entrambi loro malgrado)
Se volete risposte rispondete a tutte le mie domande
Plug it in - it works better!
Il 555 sta all'elettronica come Arduino all'informatica! (entrambi loro malgrado)
Se volete risposte rispondete a tutte le mie domande
0
voti
Anche il 3916 lo chiamerei logaritmico, con scala diversa: se esce in "decibel" i logaritnmi c'entrano :) Pero` e` vero, la scala in decibel non e` lineare.
Per usare proficuamente un simulatore, bisogna sapere molta più elettronica di lui
Plug it in - it works better!
Il 555 sta all'elettronica come Arduino all'informatica! (entrambi loro malgrado)
Se volete risposte rispondete a tutte le mie domande
Plug it in - it works better!
Il 555 sta all'elettronica come Arduino all'informatica! (entrambi loro malgrado)
Se volete risposte rispondete a tutte le mie domande
0
voti
Innanzi tutto grazie per la risposta.
Ho rifatto il circuito seguendo il datasheet, credo che così vada bene, ma non riesco a trovare esempi di raddrizzatori attivi, e inoltre non capisco in che modo posso far arrivare il segnale in uscita da un lettore mp3 fino al "Signal Source".
Grazie mille
Luca
0
voti
Hai guardato il data sheet dell'integrato, sezione sulle applicazioni?
Per usare proficuamente un simulatore, bisogna sapere molta più elettronica di lui
Plug it in - it works better!
Il 555 sta all'elettronica come Arduino all'informatica! (entrambi loro malgrado)
Se volete risposte rispondete a tutte le mie domande
Plug it in - it works better!
Il 555 sta all'elettronica come Arduino all'informatica! (entrambi loro malgrado)
Se volete risposte rispondete a tutte le mie domande
15 messaggi
• Pagina 1 di 2 • 1, 2
Torna a Elettronica e spettacolo
Chi c’è in linea
Visitano il forum: Nessuno e 11 ospiti

Elettrotecnica e non solo (admin)
Un gatto tra gli elettroni (IsidoroKZ)
Esperienza e simulazioni (g.schgor)
Moleskine di un idraulico (RenzoDF)
Il Blog di ElectroYou (webmaster)
Idee microcontrollate (TardoFreak)
PICcoli grandi PICMicro (Paolino)
Il blog elettrico di carloc (carloc)
DirtEYblooog (dirtydeeds)
Di tutto... un po' (jordan20)
AK47 (lillo)
Esperienze elettroniche (marco438)
Telecomunicazioni musicali (clavicordo)
Automazione ed Elettronica (gustavo)
Direttive per la sicurezza (ErnestoCappelletti)
EYnfo dall'Alaska (mir)
Apriamo il quadro! (attilio)
H7-25 (asdf)
Passione Elettrica (massimob)
Elettroni a spasso (guidob)
Bloguerra (guerra)






