Salve a tutti, le casse 2.1 che uso al momento non prevedono il jack per le cuffie e collegarlo ogni volta dietro al PC è scomodo. Pensavo di realizzare un aggeggino che prendesse l'uscita rca e me la passasse al jack.
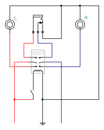
Ho realizzato uno schemino con relay bipolare a doppio scambio, secondo voi funzionerà? Posso realizzare qualcosa di più semplice? Consigli?
Da coassiale a jack
Moderatore:
IsidoroKZ
15 messaggi
• Pagina 1 di 2 • 1, 2
0
voti
ma non puoi collegare direttamente i fili caldi con il jack? quando hai bisogno di usare le cuffie, le colleghi al jack femmina e abbassi il volume delle casse!
oppure ti fai un semplice switch a manopola..
oppure ti fai un semplice switch a manopola..
0
voti
-

claudiocedrone
21,3k 4 7 9 - Master EY

- Messaggi: 15309
- Iscritto il: 18 gen 2012, 13:36
0
voti
Grazie! Adesso ho almeno un'idea del perché non funzionava...
Me ne ero già accorto, ma visto che non interessava a nessuno non ho aggiornato il post.
Sapevo di dover collegare una stereo, ma non ho lo schema. Ne puoi postare uno?
claudiocedrone ha scritto:1: Non puoi pilotare la bobina del relè col segnale audio
Me ne ero già accorto, ma visto che non interessava a nessuno non ho aggiornato il post.
claudiocedrone ha scritto:2: La presa jack che hai disegnato è una TS (Tip Sleeve,volgarmente detta mono) e a te serve una TRS (Tip Ring Sleeve,volgarmente detta stereo) ! 3: Quando e se poi farai i collegamenti con la TRS la "massa" dovrai collegarla a S (Sleeve) !
Sapevo di dover collegare una stereo, ma non ho lo schema. Ne puoi postare uno?
0
voti
Mi dispiace,non posso postare alcunchè perché non ho ancora fidocadj e detto sinceramente non so ancora usare bene il PC ,appartengo a una generazione che non lo ha avuto come "compagno di vita" e fino a pochi mesi fa non ne avevo praticamente (tranne alcune sporadiche volte) mai usato uno
,diciamo che so a malapena cliccare col mouse,usare il touch pad e battere sulla tastiera (molto lentamente e guardandola!),riguardo al fatto che il tuo post sembrasse non interessare nessuno molto probabilmente è dovuto al fatto che gli esperti che frequentano EY si siano "scocciati" di perdere tempo con chi dimostra con le sue domande di avere poche o nulle cognizioni di fisica, elettrotecnica ed elettronica,leggiti a questo proposito il thread "gli hobbisti" nella sezione off topic ! 

-

claudiocedrone
21,3k 4 7 9 - Master EY

- Messaggi: 15309
- Iscritto il: 18 gen 2012, 13:36
0
voti
claudiocedrone ha scritto:riguardo al fatto che il tuo post sembrasse non interessare nessuno molto probabilmente è dovuto al fatto che gli esperti che frequentano EY si siano "scocciati" di perdere tempo con chi dimostra con le sue domande di avere poche o nulle cognizioni di fisica, elettrotecnica ed elettronica,leggiti a questo proposito il thread "gli hobbisti" nella sezione off topic !
Credo che qualcosina di fisica la so, di elettrotecnica ed elettronica un po' meno, infatti sto imparando e guardando il profilo lo si capisce subito!
Adesso sto leggendo il libro Make: electronics che si trova nella sezione consigliati.
Non ho parlato di "scocciati", ma di scarso interesse che è differente.
il thread l'ho letto e vi ho partecipato quando è stato postato da
Non credo di aver presunto nulla nell'aprire questo post, anzi mi sono posto un problema, ho cercato una soluzione con le mie competenze ed ho chiesto aiuto.
Come avrei dovuto postare il problema altrimenti?
0
voti
Hai semplicemente postato uno "schema" assurdo , per poter assemblare dei componenti occorre inanzitutto minimamente (almeno) sapere come funzionano e come vanno collegati (e questo non solo in campo elettronico) o sbaglio ?
-

claudiocedrone
21,3k 4 7 9 - Master EY

- Messaggi: 15309
- Iscritto il: 18 gen 2012, 13:36
0
voti
claudiocedrone ha scritto:Hai semplicemente postato uno "schema" assurdo
Se lo avessi saputo non l'avrei postato.
claudiocedrone ha scritto:per poter assemblare dei componenti occorre inanzitutto minimamente (almeno) sapere come funzionano e come vanno collegati (e questo non solo in campo elettronico) o sbaglio ?
E' giusto. Magari chi sta da questa parte ha cercato, ma non è riuscito a trovare nulla, allora ha provato ad arrangiarsi proponendo qualcosa di assurdo.
Non mi sembra che molti di quelli che ricevono risposte sappiano quello che fanno.
Chiudiamo le polemiche e torniamo al problema, sempre se ne hai voglia.
0
voti
A scollegare i segnali L e R dalle rispettive prese coassiali (all'interno del case) e trasferirli ad una presa jack (e viceversa)
-

claudiocedrone
21,3k 4 7 9 - Master EY

- Messaggi: 15309
- Iscritto il: 18 gen 2012, 13:36
15 messaggi
• Pagina 1 di 2 • 1, 2
Torna a Elettronica e spettacolo
Chi c’è in linea
Visitano il forum: Nessuno e 13 ospiti

Elettrotecnica e non solo (admin)
Un gatto tra gli elettroni (IsidoroKZ)
Esperienza e simulazioni (g.schgor)
Moleskine di un idraulico (RenzoDF)
Il Blog di ElectroYou (webmaster)
Idee microcontrollate (TardoFreak)
PICcoli grandi PICMicro (Paolino)
Il blog elettrico di carloc (carloc)
DirtEYblooog (dirtydeeds)
Di tutto... un po' (jordan20)
AK47 (lillo)
Esperienze elettroniche (marco438)
Telecomunicazioni musicali (clavicordo)
Automazione ed Elettronica (gustavo)
Direttive per la sicurezza (ErnestoCappelletti)
EYnfo dall'Alaska (mir)
Apriamo il quadro! (attilio)
H7-25 (asdf)
Passione Elettrica (massimob)
Elettroni a spasso (guidob)
Bloguerra (guerra)





