A questo punto vi chiederei se a voi sembra sensato quell'elettrolitico da 10uF sul circuito di alimentazione in alto, non sarebbe meglio un ceramico da 100nF in parallelo all'elettrolitico da 220uF?
Pedale Chorus per chitarra
Moderatore:
IsidoroKZ
26 messaggi
• Pagina 2 di 3 • 1, 2, 3
0
voti
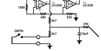
Esatto! Come trovato anche in altri schemi (allegato), il pot da 10k è il DEPTH, mentre quello da 100k non è un potenziometro ma un trimpot che va regolato ad "orecchio" a pedale finito perché non ha un setting preciso, questo ho trovato spulciando online.
A questo punto vi chiederei se a voi sembra sensato quell'elettrolitico da 10uF sul circuito di alimentazione in alto, non sarebbe meglio un ceramico da 100nF in parallelo all'elettrolitico da 220uF?
A questo punto vi chiederei se a voi sembra sensato quell'elettrolitico da 10uF sul circuito di alimentazione in alto, non sarebbe meglio un ceramico da 100nF in parallelo all'elettrolitico da 220uF?
- Allegati
-
- gdgdg.png (24.91 KiB) Osservato 3236 volte
0
voti
diaretto ha scritto:...a voi sembra sensato...
Sensato o no io metterei dei poliesteri da 100nF più vicino possibile ai piedini di alimentazione di ogni integrato.
Se quello che funziona basta non lo tocca' sennò te lassa!
1
voti

P.s. Ma IC1 che opamp è ? Non certo uno LM358...
*Altra cosa che è spesso omessa per semplicità nei disegni e che spesso trae in inganno, è il cortocircuitare l'estremo libero dei potenziometri/trimmer col cursore quando configurati come resistore variabile (vedi 1 M di rate sullo schema; il terminale superiore lasciato al vento va invece cortocircuitato col cursore).
"Non farei mai parte di un club che accettasse la mia iscrizione" (G. Marx)
-

claudiocedrone
21,3k 4 7 9 - Master EY

- Messaggi: 15305
- Iscritto il: 18 gen 2012, 13:36
0
voti
Sembra che regoli la polarizzazione della base del transistor, potrebbe essere un trimmer? in tal caso, dopo aver montato il chorus, regolalo come funziona meglio, partendo dalla posizione intermedia.
i transistor, meglio i bc550 e 560 , che sono la versione a basso rumore dei 547 e 557
(non avevo letto letto gli ultimi 3 commenti)
i transistor, meglio i bc550 e 560 , che sono la versione a basso rumore dei 547 e 557
(non avevo letto letto gli ultimi 3 commenti)
-

SediciAmpere
4.187 5 5 8 - Master

- Messaggi: 4849
- Iscritto il: 31 ott 2013, 15:00
0
voti
Ringrazio tutti per i consigli, molto molto utili!
IC1 dovrebbe essere un 4558 (si intende RC4558 giusto?), qualcuno sa spiegarmi la differenza con l'LM358? Posso usare qualcosa di meglio rispetto all'RC4558 o all'LM358?
Per i BJT infatti volevo usare dei BC550/560 (sono migliori dei 2N5087/88 vero?).
Ho capito finalmente per il discorso del trimmer, ho studiato all'università infatti che i BJT vengono tutti parecchio differenti in termini di hFE, adesso mi torna.
Per i condensatori, oltre ad aggiungere dei ceramici da 100nF vicino all'alimentazione degli integrati, come devo gestire tutti gli altri? Quali condensatori mi conviene usare e dove? (inteso come poliesteri/film differenti, ecc).
Vi ringrazio tutti e scusate la vagonata di domande!
IC1 dovrebbe essere un 4558 (si intende RC4558 giusto?), qualcuno sa spiegarmi la differenza con l'LM358? Posso usare qualcosa di meglio rispetto all'RC4558 o all'LM358?
Per i BJT infatti volevo usare dei BC550/560 (sono migliori dei 2N5087/88 vero?).
Ho capito finalmente per il discorso del trimmer, ho studiato all'università infatti che i BJT vengono tutti parecchio differenti in termini di hFE, adesso mi torna.
Per i condensatori, oltre ad aggiungere dei ceramici da 100nF vicino all'alimentazione degli integrati, come devo gestire tutti gli altri? Quali condensatori mi conviene usare e dove? (inteso come poliesteri/film differenti, ecc).
Vi ringrazio tutti e scusate la vagonata di domande!
0
voti
diaretto ha scritto:...come devo gestire tutti gli altri?...
Per gli altri condensatori non ci sono particolari raccomandazioni.
Se quello che funziona basta non lo tocca' sennò te lassa!
0
voti
diaretto ha scritto:...vedo usare tanti condensatori in poliestere sui circuiti audio...
Dipende sempre dalla loro funzione.
Se quello che funziona basta non lo tocca' sennò te lassa!
0
voti
Questo lo immaginavo, ma in un circuito del genere non mi consiglieresti qualche poliestere da qualche parte in particolare? (Aldilà dei già citati 100nF sull'alimentazione degli operazionali).
Tra l'altro leggendo in giro ho scoperto che il 4558 (l'IC1) è un pessimo opamp. Sai consigliarmi un equivalente migliore?
Tra l'altro leggendo in giro ho scoperto che il 4558 (l'IC1) è un pessimo opamp. Sai consigliarmi un equivalente migliore?
26 messaggi
• Pagina 2 di 3 • 1, 2, 3
Torna a Elettronica e spettacolo
Chi c’è in linea
Visitano il forum: Nessuno e 8 ospiti

Elettrotecnica e non solo (admin)
Un gatto tra gli elettroni (IsidoroKZ)
Esperienza e simulazioni (g.schgor)
Moleskine di un idraulico (RenzoDF)
Il Blog di ElectroYou (webmaster)
Idee microcontrollate (TardoFreak)
PICcoli grandi PICMicro (Paolino)
Il blog elettrico di carloc (carloc)
DirtEYblooog (dirtydeeds)
Di tutto... un po' (jordan20)
AK47 (lillo)
Esperienze elettroniche (marco438)
Telecomunicazioni musicali (clavicordo)
Automazione ed Elettronica (gustavo)
Direttive per la sicurezza (ErnestoCappelletti)
EYnfo dall'Alaska (mir)
Apriamo il quadro! (attilio)
H7-25 (asdf)
Passione Elettrica (massimob)
Elettroni a spasso (guidob)
Bloguerra (guerra)

