Cos'è ElectroYou | Login Iscriviti

ElectroYou - la comunità dei professionisti del mondo elettrico

Illuminazione led per un armatura di skyrim

hi-fi, luci, suoni, effetti speciali, palcoscenici...

Moderatore: Foto UtenteIsidoroKZ

1
voti

[131] Re: Illuminazione led per un armatura di skyrim

Messaggioda Foto Utentemarco438 » 7 set 2012, 14:23

Zerios ha scritto:queste da 4.2 non sono migliori? hanno 4200 mah , non basta cambiare le resistenze? ( è giusto per capire, intanto sto già cercando pile da 3.7)

Forse ancora non hai capito che o cambi batterie o cambi il caricatore.
marco
Avatar utente
Foto Utentemarco438
37,1k 7 11 13
-EY Legend-
-EY Legend-
 
Messaggi: 16323
Iscritto il: 24 mar 2010, 15:09
Località: Versilia

0
voti

[132] Re: Illuminazione led per un armatura di skyrim

Messaggioda Foto UtenteZerios » 7 set 2012, 14:30

Ora l'ho capito.. sto guardando cosa mi conviene fare .. ma non riesco a trovare un caricatore da 4.2 .. mentre di batterie da 3.7 ne ho trovate ma costano di più! ..
Ultima modifica di Foto Utenteasdf il 7 set 2012, 17:03, modificato 1 volta in totale.
Motivazione: Eliminata citazione integrale della risposta precedente.
Avatar utente
Foto UtenteZerios
20 2
New entry
New entry
 
Messaggi: 64
Iscritto il: 4 set 2012, 12:41

0
voti

[133] Re: Illuminazione led per un armatura di skyrim

Messaggioda Foto UtenteZerios » 7 set 2012, 14:34

prendo 2 di questi così risolvo sia il problema pile che il problema caricatore...

http://www.ebay.com/itm/GTL-P888-18650- ... 266wt_1163

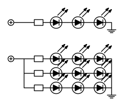
quindi faccio 13 strisce da 3 led in serie , con una resistenza da 220 per ogni led o per ogni striscia?

che tipo di connettori devo usare e quale tipo di interruttore?
Avatar utente
Foto UtenteZerios
20 2
New entry
New entry
 
Messaggi: 64
Iscritto il: 4 set 2012, 12:41

1
voti

[134] Re: Illuminazione led per un armatura di skyrim

Messaggioda Foto Utentemarco438 » 7 set 2012, 16:12

Chissa perche' ho l'impressione che tu non legga quello che scrivo.
Allora, visto che non leggi, ti metto le figure:


Per i connettori puoi usare dei faston maschi e femmine isolati, come questo;( li trovi anche al supermercato) e, per interruttore qualcosa sul genere di questo
marco
Avatar utente
Foto Utentemarco438
37,1k 7 11 13
-EY Legend-
-EY Legend-
 
Messaggi: 16323
Iscritto il: 24 mar 2010, 15:09
Località: Versilia

0
voti

[135] Re: Illuminazione led per un armatura di skyrim

Messaggioda Foto UtenteZerios » 7 set 2012, 16:41

Ho letto ma chiedevo conferma..ho acquistato le batterie..ora prendo i led e appena arrivano comincio a saldare

Grazie per lo schemino..è come avevo capito allora


Vi aggiornerò con delle foto del lavoro finito , grazie ancora per l aiuto e per la pazienza
Avatar utente
Foto UtenteZerios
20 2
New entry
New entry
 
Messaggi: 64
Iscritto il: 4 set 2012, 12:41

0
voti

[136] Re: Illuminazione led per un armatura di skyrim

Messaggioda Foto UtenteZerios » 7 set 2012, 17:08

http://www.ebay.it/itm/contenitore-x-4- ... 1c29451ab0

Questo contenitore per le batterie va bene? O ne serve uno apposta x quelle al litio?
Avatar utente
Foto UtenteZerios
20 2
New entry
New entry
 
Messaggi: 64
Iscritto il: 4 set 2012, 12:41

0
voti

[137] Re: Illuminazione led per un armatura di skyrim

Messaggioda Foto Utentemarco438 » 7 set 2012, 17:19

Sinceramente non so se le litio e le AA abbiano le stesse misure; per il resto andrebbe benissimo.
marco
Avatar utente
Foto Utentemarco438
37,1k 7 11 13
-EY Legend-
-EY Legend-
 
Messaggi: 16323
Iscritto il: 24 mar 2010, 15:09
Località: Versilia

0
voti

[138] Re: Illuminazione led per un armatura di skyrim

Messaggioda Foto UtenteZerios » 7 set 2012, 17:40

Purtroppo ho controllato e le batterie litio sono piu lunghe.. 65mm contro 50mm. Ho cercato su google custodie per queste batterie ma non ho trovato nulla..come mi devo arrangiare?
Avatar utente
Foto UtenteZerios
20 2
New entry
New entry
 
Messaggi: 64
Iscritto il: 4 set 2012, 12:41

0
voti

[139] Re: Illuminazione led per un armatura di skyrim

Messaggioda Foto Utentemarco438 » 7 set 2012, 17:44

Mia nonna (quella di prima) diceva: Quando una cosa non la puoi comprare te la fai.
marco
Avatar utente
Foto Utentemarco438
37,1k 7 11 13
-EY Legend-
-EY Legend-
 
Messaggi: 16323
Iscritto il: 24 mar 2010, 15:09
Località: Versilia

0
voti

[140] Re: Illuminazione led per un armatura di skyrim

Messaggioda Foto UtenteZerios » 7 set 2012, 17:49

È esattamente quello che intendevo con il termine arrangiarmi :-) .. Ma come lo faccio?
Avatar utente
Foto UtenteZerios
20 2
New entry
New entry
 
Messaggi: 64
Iscritto il: 4 set 2012, 12:41

PrecedenteProssimo

Torna a Elettronica e spettacolo

Chi c’è in linea

Visitano il forum: Nessuno e 23 ospiti