Controller Led 5mm Rgb
Moderatore:
IsidoroKZ
29 messaggi
• Pagina 3 di 3 • 1, 2, 3
0
voti
quindi consideri di alimentare solamente un diodo led RGB,i valori dei resistori dimensionati per il valore di If 20 mA dovranno poi avvicinarsi ai valori commercialmente disponibili, pertanto attenzione a non scendere troppo sotto il valore in ohm ottenuto per evitare di superare anche se di poco il valore di If del diodo led perché se 20 mA è il limite un valore eccessivo comprometterebbe la durata del diodo. 
0
voti
si quello è lo schema per un solo diodo led, ma riflettendo un po' e facendo due calcoli, per un led 3 resistenze, per 40 led 120 resistenze
mi si brucerà il tetto dell'auto
-

lorddaryus
5 2 - Messaggi: 23
- Iscritto il: 12 dic 2013, 12:50
0
voti
-

lelerelele
4.899 3 7 9 - Master

- Messaggi: 5505
- Iscritto il: 8 giu 2011, 8:57
- Località: Reggio Emilia
0
voti
a volte il cervello si disconnette .....e la fretta peggiora le cose. al post precedente #23 non ho considerato la miscelazione dei canali, nel qual caso non funziona. 
-

lelerelele
4.899 3 7 9 - Master

- Messaggi: 5505
- Iscritto il: 8 giu 2011, 8:57
- Località: Reggio Emilia
0
voti
Non mi resta che provare, anche se non capisco il perché sulle strip led le resistenze sono di valore diverso, anche i led 5050 hanno le stesse caratteristiche di un diodo 5mm
-

lorddaryus
5 2 - Messaggi: 23
- Iscritto il: 12 dic 2013, 12:50
1
voti
lorddaryus ha scritto: anche se non capisco il perché sulle strip LED le resistenze sono di valore diverso, anche i LED 5050 hanno le stesse caratteristiche di un diodo 5mm
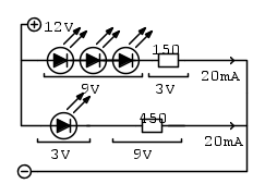
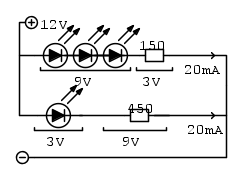
Sulle strip i LED sono messi a tre a tre in serie e poi quelle serie sono messe in parallelo (è il motivo per cui si possono tagliare solo ogni 5cm e non dove vuoi tu).Quindi nelle strip puoi variare il colore dei LED solo a tre a tre.
Essendoci tre LED in serie, a pari tensione di alimentazione, per avere la corretta corrente sui LED, la caduta di tensione dovrà essere inferiore a quella che deve esserci nella configurazione con un solo LED. Da ciò il fatto che, con un solo LED e pari tensione di alimentazione, i resistori debbano avere resistenza superiore.
Ossia, con l'ipotesi di LED 3V 20mA, succede questo:
In alto le strip, in basso il LED singolo.
Ultima modifica di
FedericoSibona il 17 dic 2013, 18:44, modificato 3 volte in totale.
-

FedericoSibona
5.022 3 5 8 - Master

- Messaggi: 3951
- Iscritto il: 19 mar 2013, 11:43
0
voti
lorddaryus ha scritto:non capisco il perché sulle strip LED le resistenze sono di valore diverso
Le resistenze sono di valore diverso semplicemente perché diversi colori hanno differenti tensioni di forward.
-

rusty
4.075 2 9 11 - Utente disattivato per decisione dell'amministrazione proprietaria del sito
- Messaggi: 1578
- Iscritto il: 25 gen 2009, 13:10
0
voti
Vabbè, lo schema che ho postato è venuto uno schifo, ma non ho più avuto tempo a correggerlo. Spero si capisca lo stesso 
-

FedericoSibona
5.022 3 5 8 - Master

- Messaggi: 3951
- Iscritto il: 19 mar 2013, 11:43
0
voti
lorddaryus ha scritto: per 40 LED 120 resistenze![]()
mi si brucerà il tetto dell'auto
i resistori dovranno essere correttamente dimensionati anche per quanto concerne la potenza in watt, ovvero

ed avendo molta accortezza nell'installazione, soprattutto quando un dispositivo non nasce per certe applicazioni, occorre prevedere ogni possibile rischio per poter considerare l'aspetto sicurezza, ad esempio prevedere una protezione sull'alimentazione (fusibile) etc etc.
29 messaggi
• Pagina 3 di 3 • 1, 2, 3
Torna a Elettronica e spettacolo
Chi c’è in linea
Visitano il forum: Nessuno e 13 ospiti

Elettrotecnica e non solo (admin)
Un gatto tra gli elettroni (IsidoroKZ)
Esperienza e simulazioni (g.schgor)
Moleskine di un idraulico (RenzoDF)
Il Blog di ElectroYou (webmaster)
Idee microcontrollate (TardoFreak)
PICcoli grandi PICMicro (Paolino)
Il blog elettrico di carloc (carloc)
DirtEYblooog (dirtydeeds)
Di tutto... un po' (jordan20)
AK47 (lillo)
Esperienze elettroniche (marco438)
Telecomunicazioni musicali (clavicordo)
Automazione ed Elettronica (gustavo)
Direttive per la sicurezza (ErnestoCappelletti)
EYnfo dall'Alaska (mir)
Apriamo il quadro! (attilio)
H7-25 (asdf)
Passione Elettrica (massimob)
Elettroni a spasso (guidob)
Bloguerra (guerra)


