quello che ho scritto prima:
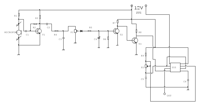
g.schgor ha scritto:Se il microfono è electret, occorre utilizzare il transistor T1
come preamplificatore (vedi).
POi possiamo passare alla simulazione.
Moderatore:
IsidoroKZ
g.schgor ha scritto:Se il microfono è electret, occorre utilizzare il transistor T1
come preamplificatore (vedi).

dimitri94 ha scritto:il segnale che passa nel filtro vero...?
g.schgor ha scritto:Appena posso ti mando il seguito delle simulazioni.

dimitri94 ha scritto:La traccia rossa è il comando del 555 (collettore T3).
dimitri94 ha scritto:perché il 555 funzioni, il "ritmo" musicale
deve risultare abbastanza lento.


dimitri94 ha scritto:quando la traccia è alta mi deve alimentare il circuito dell' NE vero..?
dimitri94 ha scritto:io di solito mixo dai 150bpm
dimitri94 ha scritto:su questo componente
Torna a Elettronica e spettacolo
Visitano il forum: Nessuno e 18 ospiti