Cos'è ElectroYou | Login Iscriviti

ElectroYou - la comunità dei professionisti del mondo elettrico

trigger di schmitt come sintetizzatore

hi-fi, luci, suoni, effetti speciali, palcoscenici...

Moderatore: Foto UtenteIsidoroKZ

0
voti

[41] Re: trigger di schmitt come sintetizzatore

Messaggioda Foto Utentestrato » 6 feb 2012, 22:44

Foto UtenteGuidoB non so veramente come ringraziarti per i consigli pratici che mi stai dando,soprattutto per questo
per ogni semitono di cui vuoi salire o scendere devi rispettivamente moltiplicarla o dividerla per radice dodicesima di 2 (=1,059...). Una volta che sai la frequenza, col condensatore che hai calcoli la resistenza. Se ti viene sopra 1 megaohm o sotto 10 kiloohm, cambia il condensatore. Una volta calcolata la resistenza, le sottrai la metà del valore del trimmer e inserisci la resistenza di valore standard più vicino al risultato

E' questo il bello di ElectroYou,chiedi una cosa e ne saprai altre mille.
Avatar utente
Foto Utentestrato
978 4 7
Expert
Expert
 
Messaggi: 358
Iscritto il: 12 dic 2011, 22:41

0
voti

[42] Re: trigger di schmitt come sintetizzatore

Messaggioda Foto UtenteGuidoB » 7 feb 2012, 3:31

Prego! Fa piacere aiutare chi ha passione e fa cose che sarebbe piaciuto fare a me se ne avessi avuto il tempo...
E condivido con te, ElectroYou è un portale fantastico popolato da gente in gamba!
Avatar utente
Foto UtenteGuidoB
17,8k 7 12 13
G.Master EY
G.Master EY
 
Messaggi: 2811
Iscritto il: 3 mar 2011, 16:48
Località: Madrid

0
voti

[43] Re: trigger di schmitt come sintetizzatore

Messaggioda Foto UtenteHammondx » 17 feb 2012, 19:56

Molto interessante questa discussione.
Tempo fa avevo anche io intrapreso la strada dell'autocostruzione di una tastiera e ho ancora il generatore sonoro composto da 12 oscillatori e 12 divisori di frequenza, funziona ancora tutto (ho dovuta lasciare perché non ho trovato una contattiera multipolare).
Tutti i malfunzionamenti erano dovuti a falsi contatti, quindi probabilmente sono quelli che non ti fanno funzionare il circuito su breadboard; appena hai a dispozione il tester fa delle prove delle tensioni nel circuito(io nel mio caso ho risolto così, tensione dopo tensione).
Buona fortuna! :ok:
Avatar utente
Foto UtenteHammondx
478 2 11
Frequentatore
Frequentatore
 
Messaggi: 200
Iscritto il: 25 ago 2011, 14:36

0
voti

[44] Re: trigger di schmitt come sintetizzatore

Messaggioda Foto Utentestrato » 22 feb 2012, 22:51

FINALMENTE HO FINITO GLI ESAMI e adesso posso dedicarmi ai miei triggeroni e decidere cosa fare.
Giustamente direte "E STI CAA?" ma sono felice perché potrò finire quello che avevo intrapreso... probabilmente tornerò a scocciarvi :D
Buona serata a tutti..vi vogliono bene :mrgreen:
Avatar utente
Foto Utentestrato
978 4 7
Expert
Expert
 
Messaggi: 358
Iscritto il: 12 dic 2011, 22:41

0
voti

[45] Re: trigger di schmitt come sintetizzatore

Messaggioda Foto Utentestrato » 22 feb 2012, 22:56

Foto UtenteHammondx mica ti ritrovi il tuo schema fra le mani?sarebbe interessante confrontare e capire dove posso sbagliare..
Avatar utente
Foto Utentestrato
978 4 7
Expert
Expert
 
Messaggi: 358
Iscritto il: 12 dic 2011, 22:41

0
voti

[46] Re: trigger di schmitt come sintetizzatore

Messaggioda Foto UtenteIsidoroKZ » 22 feb 2012, 23:07

strato ha scritto:FINALMENTE HO FINITO GLI ESAMI


TUTTI TUTTI? SE SI`, allora:

Congratulazioni! :ola:

Se invece solo quelli di questa sessione, ritiro il rosso, il grassetto e il size, solo congratulazioni normali :-)
Per usare proficuamente un simulatore, bisogna sapere molta più elettronica di lui
Plug it in - it works better!
Il 555 sta all'elettronica come Arduino all'informatica! (entrambi loro malgrado)
Se volete risposte rispondete a tutte le mie domande
Avatar utente
Foto UtenteIsidoroKZ
121,2k 1 3 8
G.Master EY
G.Master EY
 
Messaggi: 21059
Iscritto il: 17 ott 2009, 0:00

0
voti

[47] Re: trigger di schmitt come sintetizzatore

Messaggioda Foto Utentestrato » 22 feb 2012, 23:40

eh magari :cry: solo di questa sessione..al secondo semestre mi tocca ANALOGICA e credetimi che vi chiederò tanto di quell'aiuto che quasi vi pentierete di aver messo su un sito cosi bello :D
Avatar utente
Foto Utentestrato
978 4 7
Expert
Expert
 
Messaggi: 358
Iscritto il: 12 dic 2011, 22:41

0
voti

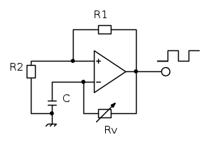
[48] Re: trigger di schmitt come sintetizzatore

Messaggioda Foto UtenteHammondx » 23 feb 2012, 16:15

Questo è lo schema per alimentazione duale, io usato l'alimentazione singola e quindi ho dovuto aggiungere una resistenza:

è molto semplice ma stabile in frequenza al variare della tensione di alimentazione.
Avatar utente
Foto UtenteHammondx
478 2 11
Frequentatore
Frequentatore
 
Messaggi: 200
Iscritto il: 25 ago 2011, 14:36

0
voti

[49] Re: trigger di schmitt come sintetizzatore

Messaggioda Foto Utentestrato » 23 feb 2012, 18:37

che oscillatore hai usato?il 40106 ha solo un ingresso ed un'uscita per ogni oscillatore..
Avatar utente
Foto Utentestrato
978 4 7
Expert
Expert
 
Messaggi: 358
Iscritto il: 12 dic 2011, 22:41

0
voti

[50] Re: trigger di schmitt come sintetizzatore

Messaggioda Foto UtenteHammondx » 24 feb 2012, 18:09

Ho utilizzato degli amplificatori operazionali, dei TL082 per l'esattezza.
Avatar utente
Foto UtenteHammondx
478 2 11
Frequentatore
Frequentatore
 
Messaggi: 200
Iscritto il: 25 ago 2011, 14:36

PrecedenteProssimo

Torna a Elettronica e spettacolo

Chi c’è in linea

Visitano il forum: Nessuno e 5 ospiti