HI-FI; quanti watt sono?
Moderatore:
IsidoroKZ
2
voti
Così è ancora meglio, con i nuovi valori rasenta la perfezione!
-

BrunoValente
39,6k 7 11 13 - G.Master EY

- Messaggi: 7796
- Iscritto il: 8 mag 2007, 14:48
0
voti
Salve,
riprendo la discussione perché ho recuperato 2 strumenti da usare, però ho dei problemi per stampare la scala che
venexianha fatto per riportarla alle misure dello strumento, non so se è un mio problema, ma a stampare l'immagine , viene esageratamente grande e non riesco a rimpicciolirla alle mie dimensioni, con gentilezza ti chiedo se potessi disegnarla anche con meno dettagli e curvata, non lineare, sempre che non ti porti via troppo tempo , ti ringrazio comunque per quanto fatto fino ad ora.
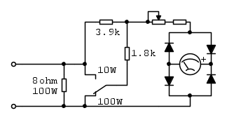
BrunoValente ho usato lo schema che hai fatto in [48] con le due scale su due strumentini ed è perfettamente funzionante , ho messo 4 diodi schottky BAT42

riprendo la discussione perché ho recuperato 2 strumenti da usare, però ho dei problemi per stampare la scala che

Alex
https://www.facebook.com/Elettronicaeelettrotecnica
<< vedi di pigliare arditamente in mano, il dizionario che ti suona in bocca,
se non altro è schietto e paesano.
(Giuseppe Giusti) <<
https://www.facebook.com/Elettronicaeelettrotecnica
<< vedi di pigliare arditamente in mano, il dizionario che ti suona in bocca,
se non altro è schietto e paesano.
(Giuseppe Giusti) <<
1
voti
Dammi il raggio di curvatura, l'angolo compreso e dimmi esattamente quale scala, con il suo fondo scala.
La metto tra le cose da fare...
Ti consiglio però di imparare come si scala un'immagine. Mi sembra uno 'skill' di base per chiunque tocchi una tastiera nel 2018...
Edit: mi rendo conto che misurare raggio e angolo della scala attuale possa essere un problema. Va altrettanto bene la misura della corda e dell'alzo della curva.
La metto tra le cose da fare...
Ti consiglio però di imparare come si scala un'immagine. Mi sembra uno 'skill' di base per chiunque tocchi una tastiera nel 2018...
Edit: mi rendo conto che misurare raggio e angolo della scala attuale possa essere un problema. Va altrettanto bene la misura della corda e dell'alzo della curva.
2
voti
Sono perfettametne d'accordo.venexian ha scritto:Ti consiglio però di imparare come si scala un'immagine. Mi sembra uno 'skill' di base per chiunque tocchi una tastiera nel 2018...
C'è però da dire che lavorare con le immagini, contrariamente a quello che si può pensare, non è niente di semplice, inoltre è indispensabile avere gli strumenti giusti.
Allo scopo posso consigliare a
qualche link utile: http://www.crearelogo.it/11-programmi-o ... designers/
saluti.
-

lelerelele
4.899 3 7 9 - Master

- Messaggi: 5505
- Iscritto il: 8 giu 2011, 8:57
- Località: Reggio Emilia
0
voti
Buongiorno,
grazie per i consigli sia di
venexian che di
lelerelele, mi metto subito a scaricare i programmi e vedere il link, è una cosa che mi piace
Lo sapevo di non essere uno " skillful "
Per quanto riguarda la scala, ho misurato un raggio di 36 mm e 90°, non so se è sufficiente.

grazie per i consigli sia di
Lo sapevo di non essere uno " skillful "
Per quanto riguarda la scala, ho misurato un raggio di 36 mm e 90°, non so se è sufficiente.

Alex
https://www.facebook.com/Elettronicaeelettrotecnica
<< vedi di pigliare arditamente in mano, il dizionario che ti suona in bocca,
se non altro è schietto e paesano.
(Giuseppe Giusti) <<
https://www.facebook.com/Elettronicaeelettrotecnica
<< vedi di pigliare arditamente in mano, il dizionario che ti suona in bocca,
se non altro è schietto e paesano.
(Giuseppe Giusti) <<
0
voti
giusto, la scala n° 4 e fondoscala 100 W e 10 W.


Alex
https://www.facebook.com/Elettronicaeelettrotecnica
<< vedi di pigliare arditamente in mano, il dizionario che ti suona in bocca,
se non altro è schietto e paesano.
(Giuseppe Giusti) <<
https://www.facebook.com/Elettronicaeelettrotecnica
<< vedi di pigliare arditamente in mano, il dizionario che ti suona in bocca,
se non altro è schietto e paesano.
(Giuseppe Giusti) <<
0
voti
allora, sempre scala 4 , 100 W e anche scala in dBW


Alex
https://www.facebook.com/Elettronicaeelettrotecnica
<< vedi di pigliare arditamente in mano, il dizionario che ti suona in bocca,
se non altro è schietto e paesano.
(Giuseppe Giusti) <<
https://www.facebook.com/Elettronicaeelettrotecnica
<< vedi di pigliare arditamente in mano, il dizionario che ti suona in bocca,
se non altro è schietto e paesano.
(Giuseppe Giusti) <<
Torna a Elettronica e spettacolo
Chi c’è in linea
Visitano il forum: Nessuno e 30 ospiti

Elettrotecnica e non solo (admin)
Un gatto tra gli elettroni (IsidoroKZ)
Esperienza e simulazioni (g.schgor)
Moleskine di un idraulico (RenzoDF)
Il Blog di ElectroYou (webmaster)
Idee microcontrollate (TardoFreak)
PICcoli grandi PICMicro (Paolino)
Il blog elettrico di carloc (carloc)
DirtEYblooog (dirtydeeds)
Di tutto... un po' (jordan20)
AK47 (lillo)
Esperienze elettroniche (marco438)
Telecomunicazioni musicali (clavicordo)
Automazione ed Elettronica (gustavo)
Direttive per la sicurezza (ErnestoCappelletti)
EYnfo dall'Alaska (mir)
Apriamo il quadro! (attilio)
H7-25 (asdf)
Passione Elettrica (massimob)
Elettroni a spasso (guidob)
Bloguerra (guerra)

