circuito stampato led a ritmo di musica
Moderatore:
IsidoroKZ
0
voti
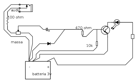
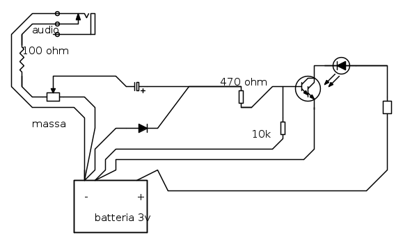
Mettici una resistenza in base da 100 ohm. Senza di questa ti manda in distorsione l' audio.
"La follia sta nel fare sempre la stessa cosa aspettandosi risultati diversi".
"Parla soltanto quando sei sicuro che quello che dirai è più bello del silenzio".
Rispondere è cortesia, ma lasciare l'ultima parola ai cretini è arte.
"Parla soltanto quando sei sicuro che quello che dirai è più bello del silenzio".
Rispondere è cortesia, ma lasciare l'ultima parola ai cretini è arte.
-

TardoFreak
73,9k 8 12 13 - -EY Legend-

- Messaggi: 15754
- Iscritto il: 16 dic 2009, 11:10
- Località: Torino - 3° pianeta del Sistema Solare
0
voti
preferirei fare anche il secondo a batteria perche gia ho speso 10 euro con le modifiche che abbiamo detto altri 10 euro (precisamente 9.90 E ) ,forse e meglio evitare di aggiungere ulteriori spese per poterlo collegare alla macchina poi io da 15 enne non patentato avere i led in macchina non e il massimo
collegherò il tutto alla 6 v (1.5 x 4 ) o sono troppi contando che dal calcolo prima era uscito che andava alimentati a 5,85 v
collegherò il tutto alla 6 v (1.5 x 4 ) o sono troppi contando che dal calcolo prima era uscito che andava alimentati a 5,85 v
0
voti
poi non ho ancora capito la resistenza piu a destra nel circuito da quanti ohm deve essere???
Ultima modifica di
ramboluis il 30 giu 2012, 19:20, modificato 1 volta in totale.
0
voti
ho aggiunto la resistenza da 100 ohm nel cavetto audio
va bene cosi:
va bene cosi:
Torna a Elettronica e spettacolo
Chi c’è in linea
Visitano il forum: Nessuno e 25 ospiti

Elettrotecnica e non solo (admin)
Un gatto tra gli elettroni (IsidoroKZ)
Esperienza e simulazioni (g.schgor)
Moleskine di un idraulico (RenzoDF)
Il Blog di ElectroYou (webmaster)
Idee microcontrollate (TardoFreak)
PICcoli grandi PICMicro (Paolino)
Il blog elettrico di carloc (carloc)
DirtEYblooog (dirtydeeds)
Di tutto... un po' (jordan20)
AK47 (lillo)
Esperienze elettroniche (marco438)
Telecomunicazioni musicali (clavicordo)
Automazione ed Elettronica (gustavo)
Direttive per la sicurezza (ErnestoCappelletti)
EYnfo dall'Alaska (mir)
Apriamo il quadro! (attilio)
H7-25 (asdf)
Passione Elettrica (massimob)
Elettroni a spasso (guidob)
Bloguerra (guerra)


