Cos'è ElectroYou | Login Iscriviti

ElectroYou - la comunità dei professionisti del mondo elettrico

Cosa succede in un mutuo accoppiamento?

Leggi e teorie della fisica

Moderatori: Foto UtenteIsidoroKZ, Foto UtentePietroBaima, Foto UtenteIanero

2
voti

[41] Re: Cosa succede in un mutuo accoppiamento?

Messaggioda Foto UtenteIsidoroKZ » 7 nov 2021, 23:00

discovery90 ha scritto:Ma quindi la risposta alla domanda bastarda nessuno la conosce???? :evil: :evil:

Probabilmente ho una idea di cosa capita :D :D
discovery90 ha scritto:E se la vogliamo fare più sporca, nel caso di più induttori concordi e mutualmente accoppiati possiamo usare questa equazione?

Se gli induttori sono piu` di due, bisogna usare la matrice delle induttanze, che e` parecchio piu`macchinosa da trattare.

Ne approfitto per aggiungere qui la foto di un variometro: due induttori collegati fra di loro in serie con accoppiamento variabile che permette di cambiare il valore complessivo dell'induttanza.

variometro03.JPG

Foto tratta dal sito leradiodisophie.it
Per usare proficuamente un simulatore, bisogna sapere molta più elettronica di lui
Plug it in - it works better!
Il 555 sta all'elettronica come Arduino all'informatica! (entrambi loro malgrado)
Se volete risposte rispondete a tutte le mie domande
Avatar utente
Foto UtenteIsidoroKZ
121,2k 1 3 8
G.Master EY
G.Master EY
 
Messaggi: 21059
Iscritto il: 17 ott 2009, 0:00

0
voti

[42] Re: Cosa succede in un mutuo accoppiamento?

Messaggioda Foto Utentediscovery90 » 8 nov 2021, 0:52

Ovviamente intendevo gli altri,non te :D :D . Comunque sinceramente non riesco a capire cosa avviene perché facendo vari prove ho notato che anche se k<1 l'induttanza equivalente è comunque minore rispetto a quella più bassa e più sono i 2 e più si abbassa. Non riesco a capire cosa può succedere.
Avatar utente
Foto Utentediscovery90
5 5
New entry
New entry
 
Messaggi: 70
Iscritto il: 2 set 2019, 23:18

3
voti

[43] Re: Cosa succede in un mutuo accoppiamento?

Messaggioda Foto UtenteRenzoDF » 14 nov 2021, 20:39

Giusto per i più curiosi, sui condensatori mutuamente accoppiati, mi è capitato sottomano

https://www.researchgate.net/publication/270933796_Mutual_capacitor_and_its_applications/link/5641066908ae24cd3e40d87c/download
"Il circuito ha sempre ragione" (Luigi Malesani)
Avatar utente
Foto UtenteRenzoDF
55,9k 8 12 13
G.Master EY
G.Master EY
 
Messaggi: 13189
Iscritto il: 4 ott 2008, 9:55

0
voti

[44] Re: Cosa succede in un mutuo accoppiamento?

Messaggioda Foto Utentelelerelele » 15 nov 2021, 12:33

Da ignorante, :mrgreen: mi pare di capire che comunque si prevede una capacità "parassita" in serie, non lo vedo quindi come una mutua capacità.

saluti.
Avatar utente
Foto Utentelelerelele
4.899 3 7 9
Master
Master
 
Messaggi: 5505
Iscritto il: 8 giu 2011, 8:57
Località: Reggio Emilia

0
voti

[45] Re: Cosa succede in un mutuo accoppiamento?

Messaggioda Foto UtentePietroBaima » 15 nov 2021, 13:43

IsidoroKZ ha scritto:Risposta che non mi soddisfa molto, vediamo cosa dice Foto UtentePietroBaima che usera` qualche rottura di simmetria :D

Dovrebbe essere possibile, ma non sono ancora riuscito a cavarne un ragno dal buco…
Generatore codice per articoli:
nomi
Sul forum:
[pigreco]=π
[ohm]=Ω
[quadrato]=²
[cubo]=³
Avatar utente
Foto UtentePietroBaima
90,7k 7 12 13
G.Master EY
G.Master EY
 
Messaggi: 12207
Iscritto il: 12 ago 2012, 1:20
Località: Londra

0
voti

[46] Re: Cosa succede in un mutuo accoppiamento?

Messaggioda Foto Utentemicdisav » 7 dic 2021, 12:55

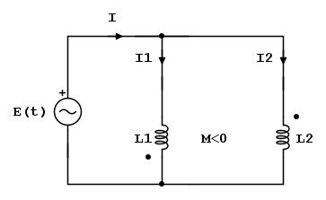
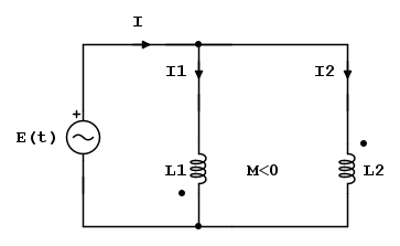
Buongiorno, mi ricollego alla formula risolutiva di 2 induttori in parallelo con M positivo:
discovery90 ha scritto: dal post [21],
m2_u966 (1).gif
m2_u966 (1).gif (541 Byte) Osservato 4021 volte
nella pagina : http://www.barrascarpetta.org/01_ele/m_2/m2_u9.htm

, però assumendo un coefficiente M di mutua induzione negativo.
In tema di controllo di questa relazione calcolata, i libri sono carenti almeno quelli posseduti (solo M positivo) e ovviamente ho guardato in rete.
Questa ricerca con M<0 ha comportato 1 solo documento che riportava risultati (lo allegherò nel prossimo messaggio).
Inutile dire che il risultato è diverso da quello ricavato da me.
Non resta che mostrare i passaggi e confidare nella correzione da parte del forum EY.

Riparto da:


, nel proseguo della verifica, si convengono gli apici:
"A" - ad una grandezza dovuta ad autoinduzione e
"M" - ad una grandezza dovuta a mutua induzione.

contributi L_{1}
autoinduttanza L_{1}
E^{A}_{L_{1}}=j \omega L_{1} I_{1}

mutua induttanza L_{2} \rightarrow L_{1}
detto M il coefficiente di mutua induzione, decisa convenzionalmente la corrente I_{2} entrante in terminale contrassegnato da pallino in L_{2}, questa induce in L_{1} una tensione positiva presente sul terminale di L_{1} contraddistinto da pallino e quindi discorde rispetto a E^{A}_{L_{1}} e E:
E^{M}_{L_{1}}=-j \omega M I_{2}.
In definitiva, riguardo L_{1} si ha:
E=E^{A}_{L_{1}}+E^{M}_{L_{1}}=j \omega L_{1} I_{1}+(-j \omega M I_{2})=j \omega L_{1} I_{1}-j \omega M I_{2}=E ...............(1)

L1_didaAM.png


contributi L_{2}
autoinduttanza L_{2}
E^{A}_{L_{2}}=j \omega L_{2} I_{2}

mutua induttanza L_{1} \rightarrow L_{2}
detto M il coefficiente di mutua induzione, decisa convenzionalmente la corrente I_{1} entrante in terminale contrassegnato da assenza pallino in L_{1}, questa induce in L_{2} una tensione positiva presente sul terminale di L_{2} contraddistinto da assenza di pallino e quindi discorde rispetto a E^{A}_{L_{2}} e E:
E^{M}_{L_{2}}=-j \omega M I_{1}.
In definitiva, riguardo L_{2} si ha:
E=E^{A}_{L_{2}}+E^{M}_{L_{2}}=j \omega L_{2} I_{2}+(-j \omega M I_{1})=j \omega L_{2} I_{2}-j \omega M I_{1}=E ...............(2)

L2_didaAM.png


La terza relazione riguarda le correnti che interessano i rami del circuito:
I = I_{1} + I_{2} ...............(3)

Dalla equazione (1) si ricava I_{1} :
I_{1} = \frac{E+j \omega M I_{2}}{j \omega L_{1}} ...............(4)

si sostituisce la (4) nella (2) :
E = j \omega L_{2}I_{2} - j\omega M \cdot \frac{E+j \omega M I_{2}}{j \omega L_{1}}

raggruppando e semplificando progressivamente E e I_{2} :
E+E\cdot \frac{M}{L_{1}}=I_{2}\cdot j\omega \cdot \left ( L_{2}-\frac{M^{2}}{L_{1}} \right ) ,

E \cdot \left ( \frac{L_{1}+M}{L_{1}}\right ) = I_{2}\cdot j\omega \cdot \frac{L_{1}L_{2}-M^{2}}{L_{1}} ,

infine si ricava I_{2} :
I_{2} = \frac{E}{j\omega }\cdot\frac{\left ( L_{1}+M \right )}{\left ( L_{1}L_{2}-M^{2} \right )} ...............(5)



Dalla equazione (2) si ricava I_{2} :
I_{2} = \frac{E+j \omega M I_{1}}{j \omega L_{2}} ...............(6)

si sostituisce la (6) nella (1) :
E = j \omega L_{1}I_{1} - j\omega M \cdot \frac{E+j \omega M I_{1}}{j \omega L_{2}}

raggruppando e semplificando progressivamente E e I_{1} :
E+E\cdot \frac{M}{L_{2}}=I_{1}\cdot j\omega \cdot \left ( L_{1}-\frac{M^{2}}{L_{2}} \right ) ,

E \cdot \left ( \frac{L_{2}+M}{L_{2}}\right ) = I_{1}\cdot j\omega \cdot \frac{L_{1}L_{2}-M^{2}}{L_{2}} ,

infine si ricava I_{1} :
I_{1} = \frac{E}{j\omega }\cdot\frac{\left ( L_{2}+M \right )}{\left ( L_{1}L_{2}-M^{2} \right )} ...............(7)

Sostituendo (7) e (5) nella (3):

I = I_{1}+I_{2} = \frac{E}{j\omega }\cdot\frac{\left ( L_{2}+M \right )}{\left ( L_{1}L_{2}-M^{2} \right )} + \frac{E}{j\omega }\cdot\frac{\left ( L_{1}+M \right )}{\left ( L_{1}L_{2}-M^{2} \right )} = 
\frac{E}{j\omega }\cdot \frac{L_{1}+L_{2}+2M}{L_{1}L_{2}-M^{2}} ,

ovvero: Z_{eq} = \frac{E}{I} = j\omega \cdot \frac{{L_{1}L_{2}-M^{2}}}{\left (L_{1}+L_{2}  \right )+2M}

e quindi il parallelo di induttori L_{1} ed L_{2} che presentano una mutua induzione negativa risulterebbe:
L_{eq} = \frac{{L_{1}L_{2}-M^{2}}}{\left (L_{1}+L_{2}  \right )+2M}

Come dicevo, in rete ho rintracciato un solo documento con 2 induttori aventi coefficiente di mutua induzione negativa ma, avendo raggiunto il limite di 3 allegati per messaggio, questo quarto lo invierò con il messaggio [47] prossimo il quale, comunque, riporta:
L_{next\_pdfM<0} = \frac{M^{2}-L_{1}L_{2}}{2M-\left ( L_{1}+L_{2} \right )}.

Questa era l'espressione con mutua induttanza M < 0: (già impiegata nel corso del 3d)
L_{eqM>0} = \frac{L_{1} \cdot L_{2} - M^{2}}{L_{1} + L_{2} - 2M}.

Dopo svariati controlli sono perplesso/molto indeciso: sbaglio probabilmente io perché L_{next\_pdfM<0} = -(L_{eqM>0}); ma non capisco dove erro: loro riescono a vedere il punto dell'errore?

Grazie, Michele.
Ultima modifica di Foto Utentemicdisav il 7 dic 2021, 13:24, modificato 2 volte in totale.
Avatar utente
Foto Utentemicdisav
271 7
Frequentatore
Frequentatore
 
Messaggi: 147
Iscritto il: 17 giu 2020, 16:40

0
voti

[47] Re: Cosa succede in un mutuo accoppiamento?

Messaggioda Foto Utentemicdisav » 7 dic 2021, 12:58

L1, L2 in parallelo con coefficiente mutua induzione negativa:

(p4,Mmin0)978-88-203-5260-8_001-018_Cap_7_web.pdf
(898.92 KiB) Scaricato 110 volte
Avatar utente
Foto Utentemicdisav
271 7
Frequentatore
Frequentatore
 
Messaggi: 147
Iscritto il: 17 giu 2020, 16:40

Precedente

Torna a Fisica generale

Chi c’è in linea

Visitano il forum: Nessuno e 13 ospiti