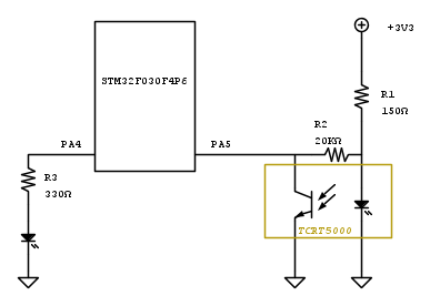
condivido schema, PCB e un semplice esempio: un led che varia frequenza di lampeggio a seconda del valore rilevato da un TCRT5000: progetto con MDK5
Un Microcontrollore ARM-M0 a 35 Centesimi (STM32F030F4P6)
Moderatore:
Paolino
18 messaggi
• Pagina 2 di 2 • 1, 2
0
voti
0
voti
Poi, con calma, provo a "creare" un progetto usando le spl "nuove" pur con il keil 4. Vediamo cosa salta fuori.
Son quello delle domande strane!
1
voti
Penso che questo link può esserti utile.
Iohobpreso spunto da lì
http://fabioangeletti.altervista.org/bl ... 1923828125
Iohobpreso spunto da lì
http://fabioangeletti.altervista.org/bl ... 1923828125
1
voti
Grazie
WALTERmwp. ...a pensarci bene avrei dovuto dire:
"un pizzico" di componenti SMD! Con una "manciata" ci si fa un PCB di un metro quadro!
"un pizzico" di componenti SMD! Con una "manciata" ci si fa un PCB di un metro quadro!
1
voti
1
voti
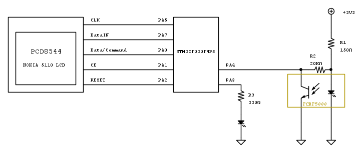
Ho realizzato un altro progettino con questa scheda:
Il valore letto dal ADC sul TCRT500 viene riportato su un display LCD PCD8544 via SPI.
Un led viene acceso se questo valore scende sotto 200.
Realizzato con RTOS RTX e MDK5.
Ci sono due files nel progetto n3310_spi_HW.c e n3310_spi_SW.c per servirsi del display con SPI in hardware o software.
Condivido ...se qualcuno vuole divertirsi
Progetto in RTOS RTX per MDK5.
Il valore letto dal ADC sul TCRT500 viene riportato su un display LCD PCD8544 via SPI.
Un led viene acceso se questo valore scende sotto 200.
Realizzato con RTOS RTX e MDK5.
Ci sono due files nel progetto n3310_spi_HW.c e n3310_spi_SW.c per servirsi del display con SPI in hardware o software.
Condivido ...se qualcuno vuole divertirsi
Progetto in RTOS RTX per MDK5.
18 messaggi
• Pagina 2 di 2 • 1, 2
Torna a Realizzazioni, interfacciamento e nozioni generali.
Chi c’è in linea
Visitano il forum: Nessuno e 11 ospiti

Elettrotecnica e non solo (admin)
Un gatto tra gli elettroni (IsidoroKZ)
Esperienza e simulazioni (g.schgor)
Moleskine di un idraulico (RenzoDF)
Il Blog di ElectroYou (webmaster)
Idee microcontrollate (TardoFreak)
PICcoli grandi PICMicro (Paolino)
Il blog elettrico di carloc (carloc)
DirtEYblooog (dirtydeeds)
Di tutto... un po' (jordan20)
AK47 (lillo)
Esperienze elettroniche (marco438)
Telecomunicazioni musicali (clavicordo)
Automazione ed Elettronica (gustavo)
Direttive per la sicurezza (ErnestoCappelletti)
EYnfo dall'Alaska (mir)
Apriamo il quadro! (attilio)
H7-25 (asdf)
Passione Elettrica (massimob)
Elettroni a spasso (guidob)
Bloguerra (guerra)





