Il Package SOx (x è il numero di pin) ha una distanza da pin a pin centro asse de 1.27 che moltiplicato per due fa 2.54.
Sulla millefori con il cutter fail un taglio fino sul pad, e con pazienza e wire wrap saldi i pin ai pad e filo. Nel mio articolo sul bromografo c'è una foto di esempio.
Collegamento SPI tra Raspberry e PIC
Moderatore:
Paolino
31 messaggi
• Pagina 3 di 4 • 1, 2, 3, 4
2
voti
spivo ha scritto:non si trovano nel formato classico, quello per millefori è molto comodo.
Guarda questo:
http://www.ti.com/lit/ds/symlink/sn74ls07.pdf
Boiler
0
voti
Ciao,
ho provato a capire ma mi sbaglio o in uscita può dare sono una tensione (VOH) di 15 o 30 V? che per raspberry sarebbe eccessiva.
Potrebbe essere una soluzione
grazie a tutti
ho provato a capire ma mi sbaglio o in uscita può dare sono una tensione (VOH) di 15 o 30 V? che per raspberry sarebbe eccessiva.
simo85 ha scritto:in rete si trovano adattatori SOx a PDIP.
Potrebbe essere una soluzione
grazie a tutti
2
voti
spivo ha scritto:mi sbaglio o in uscita può dare sono una tensione (VOH) di 15 o 30 V?
Ti sbagli, è un Open Collector, fa solo da pull-down. La tensione di 1 logico la definisci tu tramite il pull-up. Le tensioni che hai indicato sono quelle massime che puoi usare.
Boiler
0
voti
Grazie
boiler ora penso di aver capito forse:
In pratica con il segnale nel pin input (A) del SN74 ed esco con il pin output (Y) al quale collego una resistenza di pull-up alla tensione che sopporta chi deve leggere?
Ora qui non ho fidocad, poi provo a fare un disegnino e se non ti dispiace mi dici se va bene.
Grazie ancora ciao Ivo
In pratica con il segnale nel pin input (A) del SN74 ed esco con il pin output (Y) al quale collego una resistenza di pull-up alla tensione che sopporta chi deve leggere?
Ora qui non ho fidocad, poi provo a fare un disegnino e se non ti dispiace mi dici se va bene.
Grazie ancora ciao Ivo
0
voti
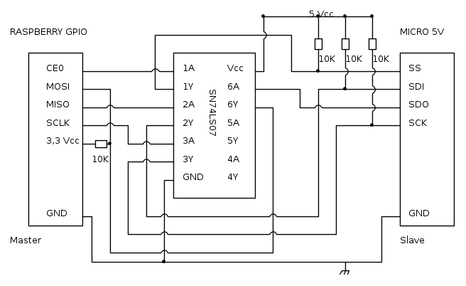
Ecco cosa averi pensato:
Il valore di 10Kohm per le resistenze è sufficiente ? (è quello che uso per MCLR dei PIC),
servirebbe un condensatore da 100nF per stabilizzare la corrente in entrata del SN74LS07?
Ciao, grazie Ivo
Il valore di 10Kohm per le resistenze è sufficiente ? (è quello che uso per MCLR dei PIC),
servirebbe un condensatore da 100nF per stabilizzare la corrente in entrata del SN74LS07?
Ciao, grazie Ivo
1
voti
MOSI e MISO sono invertiti.
Il circuito va bene se quel pin a 3.3 V è un'uscita. Se è l'ingresso, devi collegarti anche al rail di alimentazione.
Le resistenze sono OK, non sono critiche. Se proprio vogliamo, il meglio è quel valore per cui non sovraccarichi i driver, se contento con il consumo e hai lo switching piú veloce possibile. Per un circuito montato su bredboard, va bene anche una patata con infilati due pezzi di rame.
Il condensatore da 100 nF mettilo sempre. È un TTL, quindi un po' meno brutale di un CMOS quando commuta, ma ci va sempre e comunque.
Boiler
Il circuito va bene se quel pin a 3.3 V è un'uscita. Se è l'ingresso, devi collegarti anche al rail di alimentazione.
Le resistenze sono OK, non sono critiche. Se proprio vogliamo, il meglio è quel valore per cui non sovraccarichi i driver, se contento con il consumo e hai lo switching piú veloce possibile. Per un circuito montato su bredboard, va bene anche una patata con infilati due pezzi di rame.
Il condensatore da 100 nF mettilo sempre. È un TTL, quindi un po' meno brutale di un CMOS quando commuta, ma ci va sempre e comunque.
Boiler
0
voti
Grazie
boiler.
sul connettore GPIO di raspberry c'è un pin che da 3,3V ed è quello che volevo rappresentare sul mio disegno.
Grazie ancora per tutti i buoni consigli Ciao Ivo
sul connettore GPIO di raspberry c'è un pin che da 3,3V ed è quello che volevo rappresentare sul mio disegno.
Grazie ancora per tutti i buoni consigli Ciao Ivo
31 messaggi
• Pagina 3 di 4 • 1, 2, 3, 4
Torna a Realizzazioni, interfacciamento e nozioni generali.
Chi c’è in linea
Visitano il forum: Nessuno e 15 ospiti

Elettrotecnica e non solo (admin)
Un gatto tra gli elettroni (IsidoroKZ)
Esperienza e simulazioni (g.schgor)
Moleskine di un idraulico (RenzoDF)
Il Blog di ElectroYou (webmaster)
Idee microcontrollate (TardoFreak)
PICcoli grandi PICMicro (Paolino)
Il blog elettrico di carloc (carloc)
DirtEYblooog (dirtydeeds)
Di tutto... un po' (jordan20)
AK47 (lillo)
Esperienze elettroniche (marco438)
Telecomunicazioni musicali (clavicordo)
Automazione ed Elettronica (gustavo)
Direttive per la sicurezza (ErnestoCappelletti)
EYnfo dall'Alaska (mir)
Apriamo il quadro! (attilio)
H7-25 (asdf)
Passione Elettrica (massimob)
Elettroni a spasso (guidob)
Bloguerra (guerra)




