Procediamo con ordine:
Per quanto attiene il rele', puoi anche disegnarlo cosi' (anche se in realta' la piedinatura e' diversa); l'importante e' che tieni presente - per le connessioni della 230V - quanto ho spiegato prima circa la struttura e le funzioni dello stesso.
Hai parlato di tensione a 24 V e sua massa (o meglio riferimento) ma non hai detto come o da dove la ottieni.
Per quanto attiene la tensione a 230V, essendo alternata non si parla di massa e positivo ma di fase e neutro e nessuna delle due deve risultare in comune con la massa del circuito a bassa tensione.
Microcontrollore + scheda relè
Moderatore:
Paolino
0
voti
I relè dovrebbero essere collegati in modo corretto.
Il datasheet indica proprio il comune fra i due capi della bobina.
Il datasheet indica proprio il comune fra i due capi della bobina.
"La follia sta nel fare sempre la stessa cosa aspettandosi risultati diversi".
"Parla soltanto quando sei sicuro che quello che dirai è più bello del silenzio".
Rispondere è cortesia, ma lasciare l'ultima parola ai cretini è arte.
"Parla soltanto quando sei sicuro che quello che dirai è più bello del silenzio".
Rispondere è cortesia, ma lasciare l'ultima parola ai cretini è arte.
-

TardoFreak
73,9k 8 12 13 - -EY Legend-

- Messaggi: 15754
- Iscritto il: 16 dic 2009, 11:10
- Località: Torino - 3° pianeta del Sistema Solare
0
voti
TardoFreak ha scritto:I relè dovrebbero essere collegati in modo corretto.
Il datasheet indica proprio il comune fra i due capi della bobina.
Stavolta sono io che non ho letto il datasheet....

marco
0
voti
Anche a me sembrava sballato e ti confesso che sono rimasto stupito di vedere il comune fra i due capi della bobina. 
"La follia sta nel fare sempre la stessa cosa aspettandosi risultati diversi".
"Parla soltanto quando sei sicuro che quello che dirai è più bello del silenzio".
Rispondere è cortesia, ma lasciare l'ultima parola ai cretini è arte.
"Parla soltanto quando sei sicuro che quello che dirai è più bello del silenzio".
Rispondere è cortesia, ma lasciare l'ultima parola ai cretini è arte.
-

TardoFreak
73,9k 8 12 13 - -EY Legend-

- Messaggi: 15754
- Iscritto il: 16 dic 2009, 11:10
- Località: Torino - 3° pianeta del Sistema Solare
0
voti
TardoFreak ha scritto:Anche a me sembrava sballato e ti confesso che sono rimasto stupito di vedere il comune fra i due capi della bobina.
Beh, ogni giorno si impara qualcosa, no?
marco
0
voti
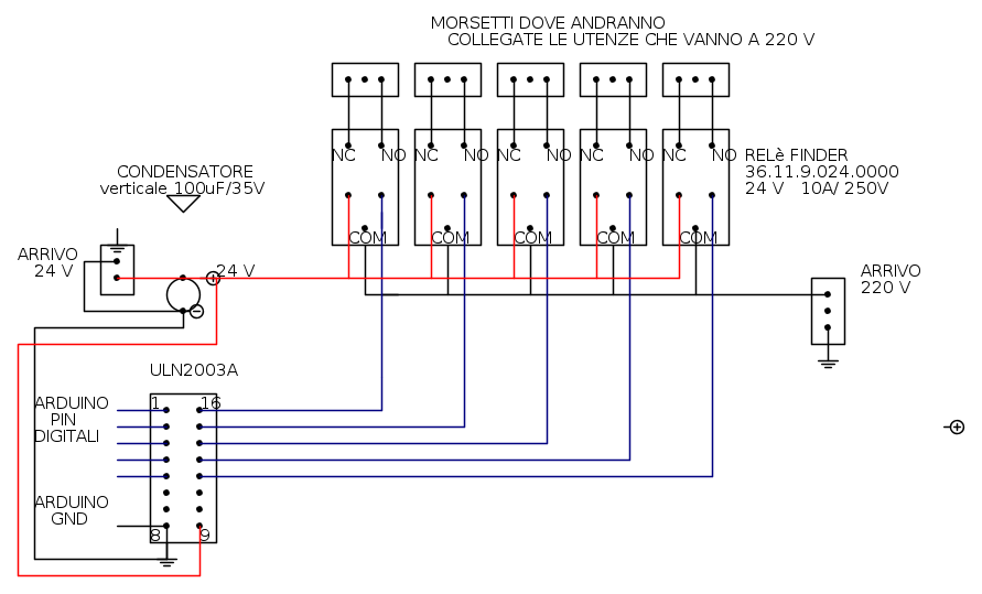
Ragazzi quindi l'ultimo disegno che ho fatto va bene? o se ci sono errori mi potete postare un semplice disegno tipo quello che ho fatto io per tutti i collegamenti come li devo mettere nel modo giusto comprese tutte tutti i fili neutri per favore.
-

simon77blitz
15 1 4 - Messaggi: 32
- Iscritto il: 7 gen 2012, 11:31
0
voti
marco scusami se intendi alla tua domanda per quanto riguarda da dove prendo la 24 V ci devo collegare un alimentatore da 24 V.Questo è l'ultimo schema che ho fatto ditemi se va tutto bene ho se ho commesso qualche errore.
Se è tutto ok mi potete dire dove devo collegare il filo neutro della 230v.
Sto cercando di impegnarmi il più possibile per riuscire a realizzare questa scheda ma intanto vi dico grazie che mi avete fatto incominciare ad usare Fidocad ne sono veramente felicissimo ed è per me una grande soddisfazione.
Se è tutto ok mi potete dire dove devo collegare il filo neutro della 230v.
Sto cercando di impegnarmi il più possibile per riuscire a realizzare questa scheda ma intanto vi dico grazie che mi avete fatto incominciare ad usare Fidocad ne sono veramente felicissimo ed è per me una grande soddisfazione.
-

simon77blitz
15 1 4 - Messaggi: 32
- Iscritto il: 7 gen 2012, 11:31
0
voti
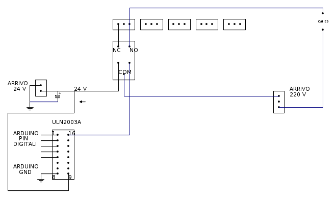
Lo schema, dal punto di vista funzionale va bene.
Ho corretto qualche punto sul tuo schema precedente indicando meglio le masse (della 24Vcc) ed i collegamenti della 230Vac; lo ho fatto per un solo carico, giusto per intendersi.
Resta da vedere l'alimentazione di Arduino, come gia' aveva accennato [user]Gohan[/user].
P.S. Il simbolo di massa indicato nel morsetto della 230 e' decisamente sbagliato!
Ho corretto qualche punto sul tuo schema precedente indicando meglio le masse (della 24Vcc) ed i collegamenti della 230Vac; lo ho fatto per un solo carico, giusto per intendersi.
Resta da vedere l'alimentazione di Arduino, come gia' aveva accennato [user]Gohan[/user].
P.S. Il simbolo di massa indicato nel morsetto della 230 e' decisamente sbagliato!
marco
0
voti
Quindi lo schema che ho fatto è ok.
Ora in pratica devo mettere il GND di arduino collegato con il negativo dell'ingresso 24 V e al negativo del condensatore e al piedino 8 del circuito integrato giusto ?
poi l'uscita NO e il filo neutro della 230v vanno alla lampada giusto ?
Ora in pratica devo mettere il GND di arduino collegato con il negativo dell'ingresso 24 V e al negativo del condensatore e al piedino 8 del circuito integrato giusto ?
poi l'uscita NO e il filo neutro della 230v vanno alla lampada giusto ?
-

simon77blitz
15 1 4 - Messaggi: 32
- Iscritto il: 7 gen 2012, 11:31
Torna a Realizzazioni, interfacciamento e nozioni generali.
Chi c’è in linea
Visitano il forum: Nessuno e 9 ospiti

Elettrotecnica e non solo (admin)
Un gatto tra gli elettroni (IsidoroKZ)
Esperienza e simulazioni (g.schgor)
Moleskine di un idraulico (RenzoDF)
Il Blog di ElectroYou (webmaster)
Idee microcontrollate (TardoFreak)
PICcoli grandi PICMicro (Paolino)
Il blog elettrico di carloc (carloc)
DirtEYblooog (dirtydeeds)
Di tutto... un po' (jordan20)
AK47 (lillo)
Esperienze elettroniche (marco438)
Telecomunicazioni musicali (clavicordo)
Automazione ed Elettronica (gustavo)
Direttive per la sicurezza (ErnestoCappelletti)
EYnfo dall'Alaska (mir)
Apriamo il quadro! (attilio)
H7-25 (asdf)
Passione Elettrica (massimob)
Elettroni a spasso (guidob)
Bloguerra (guerra)

