Cos'è ElectroYou | Login Iscriviti

ElectroYou - la comunità dei professionisti del mondo elettrico

PIC32: problemi uscita MOS

Tipologie, strumenti di sviluppo, hardware e progetti

Moderatore: Foto UtentePaolino

0
voti

[1] PIC32: problemi uscita MOS

Messaggioda Foto Utentegrandegiove » 9 ott 2012, 17:19

Buongiorno a tutti.

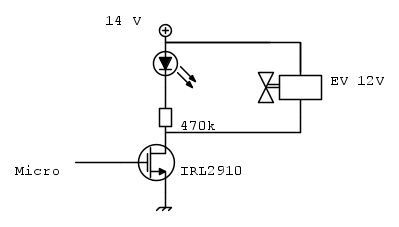
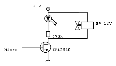
Realizzo abitualmente schede embedded a microcontrollore per il pilotaggio di elettrovalvole. Confortato anche da numerose discussioni del forum di EY ho sempre realizzato le uscite semplicemente in questo modo:



Configurando come output pusch-pull le opportune uscite.
(Per semplicità ho omesso diodo e varistore in parallelo alla valvola).

In seguito ad un problema con il firmware per il test di una scheda a microcontrollore (commutando numerose uscite alla volta alcune non commutavano) e pensando ad un problema di compilazione scrivo a MikroElektronika e mi sento rispondere:

Resistor between MCU pin and gate of the MOSFET is required because MOSFET gate acts like a capacitor.
Also you will need a resistor from gate to ground, to make sure that the MOSFET is off when MCU is off or in reset.


Ecco la discussione:
http://www.mikroe.com/forum/viewtopic.p ... 31#p197031


In effetti mettendo una resistenza da 1k fra l'uscita del PIC e il gate del MOS le uscite commutano regolarmente ma vorrei capirne di più a proposito.

Ricordo con precisione di averene discusso qua sul forum (purtroppo non riesco a rintracciare il thread) e s'era detto che la resistenza in taluni casi poteva diventare addirittura pericolosa a causa degli effetti che occorrono durante i transitori di commutazione.

Vorrei capire cosa ne pensate.

Grazie mille. Buona serata. O_/
Avatar utente
Foto Utentegrandegiove
1.151 1 4 8
Expert
Expert
 
Messaggi: 517
Iscritto il: 18 ott 2010, 9:59

0
voti

[2] Re: PIC32: problemi uscita MOS

Messaggioda Foto Utentegrandegiove » 10 ott 2012, 14:38

Nel frattempo ho spulciato un po' di altre discussioni:

Qua Foto UtentePaolino propone uno schema analogo al mio:

viewtopic.php?f=1&t=36030&p=311492&hilit=PIC+MOS#p311492

Qua invece Foto Utentedavidde predispone le due resistenze:

viewtopic.php?f=1&t=39094&p=344047&hilit=MOS#p344047

Ho poi trovato:

La R1 che si trova in serie al gate è opzionale ed ha lo scopo di limitare il picco di corrente che carica il condensatore di gate. Il suo valore non è critico e può variare tra 10 e 100 ohm circa.
La resistenza è necessaria per proteggere il transistor da possibili oscillazioni e da correnti di picco nel gate quando si comanda un carico induttivo.

R1 rallenta il MOSFET in accensione e spegnimento e questo può essere indispensabile per evitare EMI (che aumentano la potenza dissipata) e per il controllo dell'oscillazione spuria che può innescarsi a causa delle induttanze tra il circuito di pilotaggio del gate e la capacità di ingresso del MOSFET



La fonte è http://www.microcontroller.it di cui non posso verificare l'affidabilità ma che mi permette di porre le basi per una riflessione. Il comportamento anomalo può forse essere riconducibile a "oscillazioni e da correnti di picco nel gate" ? E' plausibile che il PIC superi istantaneamente la potenza massima erogata e vada in una sorta di "stato di protezione"?

Mumble mumble..
:roll:


Edit: Stiam parlando di un PIC32MX795F512L
Avatar utente
Foto Utentegrandegiove
1.151 1 4 8
Expert
Expert
 
Messaggi: 517
Iscritto il: 18 ott 2010, 9:59

3
voti

[3] Re: PIC32: problemi uscita MOS

Messaggioda Foto Utentedavidde » 10 ott 2012, 17:19

grandegiove ha scritto:Il comportamento anomalo può forse essere riconducibile a "oscillazioni e da correnti di picco nel gate" ? E' plausibile che il PIC superi istantaneamente la potenza massima erogata e vada in una sorta di "stato di protezione"?


Per me è proprio così. Per quanto ne so io la resistenza in serie al gate può aiutare a limitare le autooscillazioni del mosfet quando si sale con la frequenza. Nel tuo caso direi che non vai incontro a questi rischi quindi la resistenza potresti toglierla. Le uscite del micro hanno già una resistenza intrinseca che limita la carica del gate. Ovvio però che dipende anche dal MOS che si va a pilotare, un conto è se ne piloti uno con una capacità d'ingresso di 50pF diverso è se piloti un MOS come l'IRL2910 che ha una capacità d'ingresso di 3700pF.
Se poi di questi MOS ne vuoi chiudere un certo numero contemporaneamente la situazione peggiora ancora e il PIC probabilmente va in crisi manifestando comportamenti inattesi.

Se guardi le caratteristiche elettriche del tuo micro c'è scritto che sia in source che in sink la corrente massima in totale non deve superare i 200mA, se non metti una resistenza in serie ai gate non riesci ad avere un controllo sulla corrente che transita attraverso le uscite e pilotando carichi capacitivi è molto facile che i limiti imposti vengano abbondantemente superati.

Questo però non vuol dire che il MOS rischi la rottura, probabilmente a lui va bene così mentre il PIC non ce la fa. Questo per dirti che devi valutare sempre le soluzioni in funzione di quello che vuoi fare, non esiste una "ricetta universale" ed è piuttosto il buon senso che deve guidarti verso la soluzione pesando di volta in volta le variabili che entrano in gioco.

Se però cerchi una soluzione standard per il pilotaggio delle elettrovalvole fossi in te lascerei sia la resistenza in serie al gate che quella tra gate e source... male non gli fanno :-) .
Avatar utente
Foto Utentedavidde
13,3k 4 9 12
G.Master EY
G.Master EY
 
Messaggi: 4026
Iscritto il: 2 ago 2007, 11:40
Località: Bologna

0
voti

[4] Re: PIC32: problemi uscita MOS

Messaggioda Foto Utentegrandegiove » 10 ott 2012, 17:45

Che dire Foto Utentedavidde.. davvero grazie mille! Come in molti casi una ricetta universale non esiste e bisogna valutare ogni situazione, ti ringrazio per avermi suggerito le variabili da analizzare.

Resta un ultima considerazione: ho finalmente trovato un post a cui avevo partecipato qualche tempo fa: in quel caso suggerii (un po' alla buona a dir la verità) di inserire una resistenza fra PIC e gate e Foto UtenteIsidoroKZ osservò:

IsidoroKZ ha scritto:
grandegiove ha scritto:Puoi tranquillamente inserire una resistenza fra il pin del micro e il gate del MOS (essendo la corrente di gate dei MOS praticamente trascurabile non avrai una caduta di tensione significativa),


Non ne sarei cosi` sicuro. Il gate non consuma praticamente corrente in condizioni statiche, ma in commutazione la corrente puo` essere decisamente elevata. Se la si limita con una resistenza fa scaldare di piu` il MOS che commuta adagio. E` vero che a queste frequenze non e` molto grave, ma meglio non diffondere troppo in giro informazioni non corrette.


Mi vien quindi da pensare che se il pilotaggio dell' EV avviene mediante una classica modulazione PWM la scelta dell'inserzione della resistenza va effettuata considerando:

- la frequenza dell'onda PWM e quindi delle commutazioni.
- il valore della capacità di ingresso del MOS in esame
- la corrente erogabile dalle uscite del micro

A questo punto occorre trovare un giusto compromesso fra ciò che si diceva all'inizio del post (ovvero "limitare le oscillazioni e correnti di picco nel gate") e il rischio di surriscaldare il MOS a causa della lentezza della commutazione dovuta alla corrente limitata dalla resistenza (se la frequenza è particolarmente elevata.)

La risposta potrebbe essere calcolare un valore di resistenza adatto ad ottenere un compromesso fra le due cose. La via potrebbe essere quella analitica ma ci devo ragionare su un po'.. :roll:
Avatar utente
Foto Utentegrandegiove
1.151 1 4 8
Expert
Expert
 
Messaggi: 517
Iscritto il: 18 ott 2010, 9:59

3
voti

[5] Re: PIC32: problemi uscita MOS

Messaggioda Foto UtenteIsidoroKZ » 10 ott 2012, 18:05

Quanto segue e` detto a spanne, non ho fatto conti e non ricordo neppure che MOS pensassi di usare, serve solo a dare una idea del tipo di problemi che i incontrano.

Fino a frequenza dell'ordine degli svariati kilohertz non ci sono troppi problemi di dissipazione, a meno di non mettere resistenze enormi.

A frequenze dell'ordine della decina di kilohertz in su la limitazione importante dipende dalla corrente erogabile dal micro che rallenta le commutazioni. Con il micro che pilota direttamente il gate non ci sono praticamente mai problemi di ringing, perche' la resistenza di uscita del micro smorza tutto.

Invece quando si sale di frequenza a svariate decine di kilohertz o centinaia di kilohertz, allora servono driver appositi driver che hanno impedenza di uscita bassa e a quel punto la resistenza di gate diventa indispensabile.
Per usare proficuamente un simulatore, bisogna sapere molta più elettronica di lui
Plug it in - it works better!
Il 555 sta all'elettronica come Arduino all'informatica! (entrambi loro malgrado)
Se volete risposte rispondete a tutte le mie domande
Avatar utente
Foto UtenteIsidoroKZ
121,2k 1 3 8
G.Master EY
G.Master EY
 
Messaggi: 21059
Iscritto il: 17 ott 2009, 0:00

0
voti

[6] Re: PIC32: problemi uscita MOS

Messaggioda Foto UtenteTardoFreak » 10 ott 2012, 18:53

Immagino che tutto quanto detto valga per mosfet di una certa potenza.
E' così :?:
"La follia sta nel fare sempre la stessa cosa aspettandosi risultati diversi".
"Parla soltanto quando sei sicuro che quello che dirai è più bello del silenzio".
Rispondere è cortesia, ma lasciare l'ultima parola ai cretini è arte.
Avatar utente
Foto UtenteTardoFreak
73,9k 8 12 13
-EY Legend-
-EY Legend-
 
Messaggi: 15754
Iscritto il: 16 dic 2009, 11:10
Località: Torino - 3° pianeta del Sistema Solare

3
voti

[7] Re: PIC32: problemi uscita MOS

Messaggioda Foto Utentedavidde » 10 ott 2012, 18:54

Prego :-) !

Ma devi pilotare delle elettrovalvole proporzionali? Perché parli di modulazione PWM?

Comunque considera che ad esempio con una resistenza da 1kohm e una frequenza di 1kHz il gate del tuo MOS lo carichi completamente in circa 20us cioè il 2% del periodo. Se non è un solenoide di potenza il MOS non se ne accorge nemmeno però hai la certezza che più di 5mA di picco per uscita dal micro non vengono assorbiti.
Avatar utente
Foto Utentedavidde
13,3k 4 9 12
G.Master EY
G.Master EY
 
Messaggi: 4026
Iscritto il: 2 ago 2007, 11:40
Località: Bologna

2
voti

[8] Re: PIC32: problemi uscita MOS

Messaggioda Foto UtenteIsidoroKZ » 10 ott 2012, 19:06

Non valgono per il 2N7000, ma per tutti quelli che hanno una capacita` di ingresso da centinaia di picofarad in su, si`, valgono. Una analisi delle perdite per commutazione la si trova qui
Per usare proficuamente un simulatore, bisogna sapere molta più elettronica di lui
Plug it in - it works better!
Il 555 sta all'elettronica come Arduino all'informatica! (entrambi loro malgrado)
Se volete risposte rispondete a tutte le mie domande
Avatar utente
Foto UtenteIsidoroKZ
121,2k 1 3 8
G.Master EY
G.Master EY
 
Messaggi: 21059
Iscritto il: 17 ott 2009, 0:00

1
voti

[9] Re: PIC32: problemi uscita MOS

Messaggioda Foto UtenteTardoFreak » 10 ott 2012, 19:11

Lo domando perché uso i BSN20 con il gate collegato direttamente all' uscita del micro e non ho mai avuto il benché minimo problema.
La capacità d' ingresso massima è di 25pF.
Devo però aggiungere che le uscite sono programmate per una frequenza massima di 2MHz (con gli ARM si può fare) e questo limita il transitorio.
Può essere anche questo un punto a favore?
"La follia sta nel fare sempre la stessa cosa aspettandosi risultati diversi".
"Parla soltanto quando sei sicuro che quello che dirai è più bello del silenzio".
Rispondere è cortesia, ma lasciare l'ultima parola ai cretini è arte.
Avatar utente
Foto UtenteTardoFreak
73,9k 8 12 13
-EY Legend-
-EY Legend-
 
Messaggi: 15754
Iscritto il: 16 dic 2009, 11:10
Località: Torino - 3° pianeta del Sistema Solare

2
voti

[10] Re: PIC32: problemi uscita MOS

Messaggioda Foto UtenteIsidoroKZ » 10 ott 2012, 20:01

Limitare lo slew-rate serve ad avere meno energia alla frequenza di risonanza e in generale a fare meno casino. Le risonanze pero` esistono indipendentemente dalla velocita` di pilotaggio, anche se con pilotaaggi lenti danno meno fastidio.

Questo in linea di principio. COn un arm non c'e` verso di far risuonare il carico di uscita, la resistenza di uscita del driver la smorza.

Quanto sono gli slew rate delle uscite alle varie velocita` programmate?
Per usare proficuamente un simulatore, bisogna sapere molta più elettronica di lui
Plug it in - it works better!
Il 555 sta all'elettronica come Arduino all'informatica! (entrambi loro malgrado)
Se volete risposte rispondete a tutte le mie domande
Avatar utente
Foto UtenteIsidoroKZ
121,2k 1 3 8
G.Master EY
G.Master EY
 
Messaggi: 21059
Iscritto il: 17 ott 2009, 0:00

Prossimo

Torna a Realizzazioni, interfacciamento e nozioni generali.

Chi c’è in linea

Visitano il forum: Nessuno e 14 ospiti