StefanoSunda ha scritto:...Allora,..
Grazie ma ho già fatto!
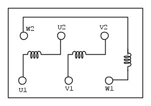
Ho ragionato proprio nel tuo stesso modo.
L'unico dubbio che avevo era se dovevo per forza rispettare un ordine nel collegare gli avvolgimenti sulla morsettiera.
Mi manca solo il condensatore per fare il test in monofase.
A proposito, sono sufficienti 7,5 uF per un totale di 0,15 cv ?

Elettrotecnica e non solo (admin)
Un gatto tra gli elettroni (IsidoroKZ)
Esperienza e simulazioni (g.schgor)
Moleskine di un idraulico (RenzoDF)
Il Blog di ElectroYou (webmaster)
Idee microcontrollate (TardoFreak)
PICcoli grandi PICMicro (Paolino)
Il blog elettrico di carloc (carloc)
DirtEYblooog (dirtydeeds)
Di tutto... un po' (jordan20)
AK47 (lillo)
Esperienze elettroniche (marco438)
Telecomunicazioni musicali (clavicordo)
Automazione ed Elettronica (gustavo)
Direttive per la sicurezza (ErnestoCappelletti)
EYnfo dall'Alaska (mir)
Apriamo il quadro! (attilio)
H7-25 (asdf)
Passione Elettrica (massimob)
Elettroni a spasso (guidob)
Bloguerra (guerra)





