
Moderatori:
SandroCalligaro,
mario_maggi,
fpalone
Robbyx ha scritto:Ma allora ho le dispense tutte sbagliate!!
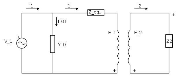
Per esempio quando spiega il trasformatore reale a vuoto arriva poi a questa equazione:

conoscendo questa corrente nominale calcolo Io1 come:
. Dalla prova a vuoto ricavo
dopo avere calcolo R0 e X0. Dalla prova in corto circuito ricavo
. Poi pongo V2 a fase propria nulla e la corrente I2 in anticipo di 36,87°( ho fatto arcos di 0.8).
. Dopo avere calcolato l'impedenza del carico Z2 la riporto al primario e la indico come Z'2. Ora dovrei calcolare I'1 e Io1 e dalla loro somma calcolo I1. Infine calcolo V1(tensione concatenata al primario richiesta dal problema. Per il calcolo di I'1, Io1 e V1 mi date una mano? Graziefirefox ha scritto:...calcolo Io1 come:...
firefox ha scritto:...Ora dovrei calcolare I'1 e Io1 e dalla loro somma calcolo I1. Infine calcolo V1(tensione concatenata al primario richiesta dal problema. Per il calcolo di I'1, Io1 e V1 mi date una mano?...


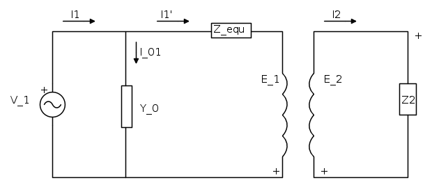
con Vn1 pari a 20 kV. Dopo trovo
la sommo a I01 per trovare I1 e infine
. Sono corretti adesso questi passaggi?firefox ha scritto:... trovo![]()
firefox ha scritto:... la sommo a I01 per trovare I1
firefox ha scritto:... e infineSono corretti adesso questi passaggi?
firefox ha scritto:... ora attendo vostre opinioni sul procedimento
Visitano il forum: Nessuno e 31 ospiti