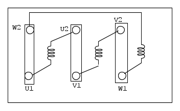
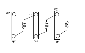
Il primo avvolgimento fa capo a U1 e U2, il secondo a V1 e V2 ed il terzo a W1 e W2.
Ovvero la stessa cosa che è rappresentata nello schema in [20] di
Nei libri per rappresentare i collegamenti del circuito elettrico degli avvolgimenti ho visto sempre utilizzare schemi come nella seconda immagine in [2].
Mentre "dal punto di vista pratico", quando abbiamo la morsettiera, vale la terza immagine postata da
Nota di moderatore: NON USATE questo schema con cortocircuito netto!
Dove? Non c'è cortocircuito in quello schema


Elettrotecnica e non solo (admin)
Un gatto tra gli elettroni (IsidoroKZ)
Esperienza e simulazioni (g.schgor)
Moleskine di un idraulico (RenzoDF)
Il Blog di ElectroYou (webmaster)
Idee microcontrollate (TardoFreak)
PICcoli grandi PICMicro (Paolino)
Il blog elettrico di carloc (carloc)
DirtEYblooog (dirtydeeds)
Di tutto... un po' (jordan20)
AK47 (lillo)
Esperienze elettroniche (marco438)
Telecomunicazioni musicali (clavicordo)
Automazione ed Elettronica (gustavo)
Direttive per la sicurezza (ErnestoCappelletti)
EYnfo dall'Alaska (mir)
Apriamo il quadro! (attilio)
H7-25 (asdf)
Passione Elettrica (massimob)
Elettroni a spasso (guidob)
Bloguerra (guerra)








