Salve,
Volevo chiedere quanto sono generalmente le frequenze di un transitorio elettromeccanico.
Grazie.
Transitori Elettromeccanici
Moderatori:
SandroCalligaro,
mario_maggi,
fpalone
5 messaggi
• Pagina 1 di 1
0
voti
La domanda è troppo generica per una risposta appropriata.
A cosa ti riferisci in particolare?
Posso solo segnalare che i fenomeni di risonanza meccanica
si studiano con forti parallelismi simbolici con i fenomeni elettrici
(vedi ad es. il concetto di impedenza meccanica.
A cosa ti riferisci in particolare?
Posso solo segnalare che i fenomeni di risonanza meccanica
si studiano con forti parallelismi simbolici con i fenomeni elettrici
(vedi ad es. il concetto di impedenza meccanica.
0
voti
g.schgor ha scritto:Posso solo segnalare che i fenomeni di risonanza meccanica
si studiano con forti parallelismi simbolici con i fenomeni elettrici
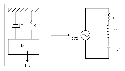
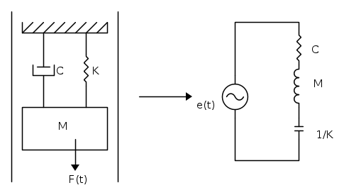
io ho avuto modo di studiare le vibrazioni dove il sistema vibrante era paragonato a un circuito RLC serie:
i parametri elettrici equivalenti potrebbero essere errati, non ricordo bene, ma se ti interessa potremmo riapprofondire insieme l'argomento.
ammesso che sia questo quello che cercavi...
0
voti
scusami ma non era la stessa domanda che hai posto qui?
viewtopic.php?t=31269&p=263118#p263118
viewtopic.php?t=31269&p=263118#p263118
5 messaggi
• Pagina 1 di 1
Chi c’è in linea
Visitano il forum: Nessuno e 47 ospiti

Elettrotecnica e non solo (admin)
Un gatto tra gli elettroni (IsidoroKZ)
Esperienza e simulazioni (g.schgor)
Moleskine di un idraulico (RenzoDF)
Il Blog di ElectroYou (webmaster)
Idee microcontrollate (TardoFreak)
PICcoli grandi PICMicro (Paolino)
Il blog elettrico di carloc (carloc)
DirtEYblooog (dirtydeeds)
Di tutto... un po' (jordan20)
AK47 (lillo)
Esperienze elettroniche (marco438)
Telecomunicazioni musicali (clavicordo)
Automazione ed Elettronica (gustavo)
Direttive per la sicurezza (ErnestoCappelletti)
EYnfo dall'Alaska (mir)
Apriamo il quadro! (attilio)
H7-25 (asdf)
Passione Elettrica (massimob)
Elettroni a spasso (guidob)
Bloguerra (guerra)




