Ciao a tutti,
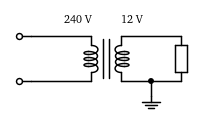
tempo fa avevo messo mano su un quadro elettrico industriale e avevo notato che il trasformatore installato aveva uno dei due poli del secondario collegato a terra. Stiamo parlando di un classico trasformatore da pannello e magari la domanda sara` banale, ma per quale motivo l'installatore ha deciso di collegare la terra su un polo del secondario? Quali sono le conseguenze elettriche di questo tipo di installazione?
Grazie!
Trasformatore con secondario collegato a terra
Moderatori:
g.schgor,
IsidoroKZ
7 messaggi
• Pagina 1 di 1
0
voti
"Computers, operating systems, networks are a hot mess. They're barely manageable, even if you know a decent amount about what you're doing. Nine out of ten software engineers agree: it's a miracle anything works at all."
@fasterthanlime
@fasterthanlime
0
voti
Solo per capire meglio la situazione, chiedo:
- quali sono gli utilizzatori dell secondario a 12 V?
- gli utilizzatori hanno contenitore metallico?
- quali sono gli utilizzatori dell secondario a 12 V?
- gli utilizzatori hanno contenitore metallico?
1
voti
Con quel collegamento vincoli a terra un terminale del secondario, in questo modo si evita che, in caso di guasto del trasformatore o per via di contatti accidentali il secondario assuma il potenziale di rete. Se il secondario alimenta un circuito di comando tale collegamento è previsto dalla normativa in modo da evitare guasti a terra non interrotti, che potrebbero causare l'avvio imprevisto del macchinario, con quella connessione un guasto a terra viene visto come un cortocircuito ed interrotto dal fusibile di protezione.
0
voti
[..] quali sono gli utilizzatori dell secondario a 12 V?
Ad essere onesto non ricordo, penso fossero lampade da pannello.
[..] un guasto a terra viene visto come un cortocircuito ed interrotto dal fusibile di protezione.
Non avevo pensato a questa possibilita`, in effetti ora che lo leggo e` abbastanza ovvio.
Grazie per avermi tolto la curiosita`!
"Computers, operating systems, networks are a hot mess. They're barely manageable, even if you know a decent amount about what you're doing. Nine out of ten software engineers agree: it's a miracle anything works at all."
@fasterthanlime
@fasterthanlime
3
voti
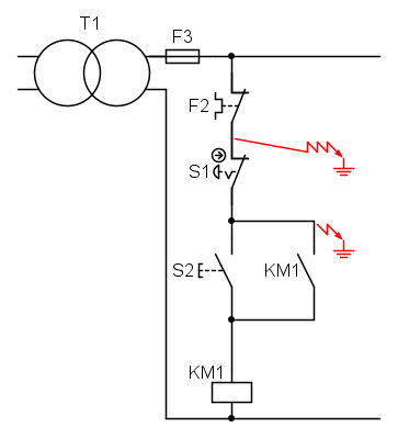
Per quanto riguarda i circuiti di comando, un esempio di doppio guasto a terra non interrotto che causerebbe l'attivazione di un teleruttore potrebbe essere:
mentre un doppio guasto a terra di questo tipo bypasserebbe il pulsante di arresto:
mentre un doppio guasto a terra di questo tipo bypasserebbe il pulsante di arresto:
0
voti
Nel caso di un alimentatore, quindi ausiliari in DC, che al giorno d'oggi è il caso più frequente (24 V), valgono le stesse considerazioni.
Non mi occupo di progettazione hardware, per cui non sono un esperto, ma sulle nostre macchine il terminale 0V dei classici Sitop è sempre ben connesso a terra.
Non mi occupo di progettazione hardware, per cui non sono un esperto, ma sulle nostre macchine il terminale 0V dei classici Sitop è sempre ben connesso a terra.
7 messaggi
• Pagina 1 di 1
Torna a Elettrotecnica generale
Chi c’è in linea
Visitano il forum: Nessuno e 35 ospiti

Elettrotecnica e non solo (admin)
Un gatto tra gli elettroni (IsidoroKZ)
Esperienza e simulazioni (g.schgor)
Moleskine di un idraulico (RenzoDF)
Il Blog di ElectroYou (webmaster)
Idee microcontrollate (TardoFreak)
PICcoli grandi PICMicro (Paolino)
Il blog elettrico di carloc (carloc)
DirtEYblooog (dirtydeeds)
Di tutto... un po' (jordan20)
AK47 (lillo)
Esperienze elettroniche (marco438)
Telecomunicazioni musicali (clavicordo)
Automazione ed Elettronica (gustavo)
Direttive per la sicurezza (ErnestoCappelletti)
EYnfo dall'Alaska (mir)
Apriamo il quadro! (attilio)
H7-25 (asdf)
Passione Elettrica (massimob)
Elettroni a spasso (guidob)
Bloguerra (guerra)







