In attesa della figura con tecnica e dimensioni corrette, cancello quel lenzuolo
Potenza complessa
Moderatori:
g.schgor,
IsidoroKZ
14 messaggi
• Pagina 1 di 2 • 1, 2
-1
voti
Ciao a tutti.. Propongo un esercizio sulla potenza complessa per essere sicuro su tutti i passaggi che bisogna fare per risolverlo :) allego la traccia, ora vado un po' di fretta e non ho tempo di farlo in fidocad, appena ritorno lo faccio
Grazie in anticipo a tutti quelli che risponderanno 
In attesa della figura con tecnica e dimensioni corrette, cancello quel lenzuolo
In attesa della figura con tecnica e dimensioni corrette, cancello quel lenzuolo
0
voti
E perché non lo posti in FidoCad?? Non ne hai il tempo perché devi fare in modo che chi ti aiuta ne occupi di più per aprire la tua immagine in un'altra finestra??? Edita per favore.. Togli quell'immagine e riposta lo schema...
Ultima modifica di
simo85 il 4 set 2011, 20:08, modificato 2 volte in totale.
1
voti
Come gia scritto nel primo post ieri andavo di fretta e ho caricato direttamente l'immagine della traccia per dare l'idea piu o meno del circuito in esame... Purtroppo non ho controllato come si vedesse e mi scuso per questo.. Comunque la traccia è la seguente:
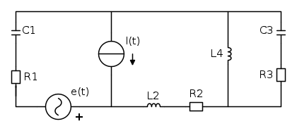
Considerando il circuito in figura in regime sinusoidale, si determini il valore della potenza complessa fornita dal generatore i(t).
e(t) = 4*cos(3t + π/2) V;
i(t) = 2*cos(3t + π/6) A;
R1 = 3 Ω;
R2 = 4 Ω;
R3 = 6 Ω;
C1 = 1/3 F;
C3 = 1/6 F;
L2 = 8 H;
L4 = 8 H;
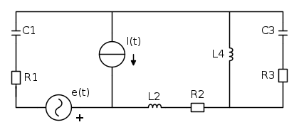
Considerando il circuito in figura in regime sinusoidale, si determini il valore della potenza complessa fornita dal generatore i(t).
e(t) = 4*cos(3t + π/2) V;
i(t) = 2*cos(3t + π/6) A;
R1 = 3 Ω;
R2 = 4 Ω;
R3 = 6 Ω;
C1 = 1/3 F;
C3 = 1/6 F;
L2 = 8 H;
L4 = 8 H;
2
voti
I miei quattro conti sono i seguenti ...
... ma (a quest'ora), non ricordo piu' come li ho fatti
... lascio a te sia la spiegazione sul metodo sia la verifica della correttezza dei risultati 
... ma (a quest'ora), non ricordo piu' come li ho fatti
"Il circuito ha sempre ragione" (Luigi Malesani)
0
voti
Ma solo io non riesco a visualizzarle? o meglio le vedo ma stanno simboli strani e cose varie...
0
voti
Gnao89 ha scritto:Ma solo io non riesco a visualizzarle? o meglio le vedo ma stanno simboli strani e cose varie...
Che simboli strani vedi? ... dei %e e dei %i per esempio ?
"Il circuito ha sempre ragione" (Luigi Malesani)
0
voti
Così riesci a visualizzarle?
Ne ho preso l'url, l'ho selezionato e ho cliccato sul pulsante Img.
Forse non riesci a visualizzare gli allegati?
14 messaggi
• Pagina 1 di 2 • 1, 2
Torna a Elettrotecnica generale
Chi c’è in linea
Visitano il forum: Nessuno e 222 ospiti

Elettrotecnica e non solo (admin)
Un gatto tra gli elettroni (IsidoroKZ)
Esperienza e simulazioni (g.schgor)
Moleskine di un idraulico (RenzoDF)
Il Blog di ElectroYou (webmaster)
Idee microcontrollate (TardoFreak)
PICcoli grandi PICMicro (Paolino)
Il blog elettrico di carloc (carloc)
DirtEYblooog (dirtydeeds)
Di tutto... un po' (jordan20)
AK47 (lillo)
Esperienze elettroniche (marco438)
Telecomunicazioni musicali (clavicordo)
Automazione ed Elettronica (gustavo)
Direttive per la sicurezza (ErnestoCappelletti)
EYnfo dall'Alaska (mir)
Apriamo il quadro! (attilio)
H7-25 (asdf)
Passione Elettrica (massimob)
Elettroni a spasso (guidob)
Bloguerra (guerra)





