Cos'è ElectroYou | Login Iscriviti

ElectroYou - la comunità dei professionisti del mondo elettrico

Circuiti Equivalenti del Trasformatore Monofase

Circuiti, campi elettromagnetici e teoria delle linee di trasmissione e distribuzione dell’energia elettrica

Moderatori: Foto Utenteg.schgor, Foto UtenteIsidoroKZ

0
voti

[1] Circuiti Equivalenti del Trasformatore Monofase

Messaggioda Foto Utentekowalski » 10 feb 2012, 0:40

Buonasera a tutti,

sto avendo un po' di problemi con la comprensione dei circuiti equivalenti del trasformatore, intendo dire il circuito riportato al primario e quello riportato al secondario. In particolare, mi sembra di aver chiaro lo schema del primario, ma trovo difficoltà a capire come questo possa essere "riportato" al secondario.
Mi stanno anche dando non pochi problemi le f.e.m. indotte del trasformatore, in particolare i loro segni..

Preciso che sto guardando circuiti equivalenti in cui si tiene conto della corrente a vuoto, cioè non quelli semplificati. Vorrei sapere, quindi, come si possono riportare le grandezze dal primario al secondario (correnti, tensioni, impedenze), magari con l'aiuto di qualche schema del mitico fidocad :-)

Grazie mille
Avatar utente
Foto Utentekowalski
-2 4
New entry
New entry
 
Messaggi: 57
Iscritto il: 15 apr 2011, 18:41

0
voti

[2] Re: Circuiti Equivalenti del Trasformatore Monofase

Messaggioda Foto UtenteRenzoDF » 10 feb 2012, 0:55

Ricordo che gli schemi FidoCadJ sono "a carico del postante". ;-)

BTW Dove e cosa studi ?
"Il circuito ha sempre ragione" (Luigi Malesani)
Avatar utente
Foto UtenteRenzoDF
55,9k 8 12 13
G.Master EY
G.Master EY
 
Messaggi: 13189
Iscritto il: 4 ott 2008, 9:55

0
voti

[3] Re: Circuiti Equivalenti del Trasformatore Monofase

Messaggioda Foto Utentekowalski » 10 feb 2012, 1:00

Giusto! Se mi dai un attimo disegno il circuito equivalente del primario e del secondario così come li riporta il mio libro. Così è ancora meglio :-) Studio Ingegneria Meccanica a Pisa. Grazie!
Avatar utente
Foto Utentekowalski
-2 4
New entry
New entry
 
Messaggi: 57
Iscritto il: 15 apr 2011, 18:41

0
voti

[4] Re: Circuiti Equivalenti del Trasformatore Monofase

Messaggioda Foto Utentekowalski » 10 feb 2012, 1:54

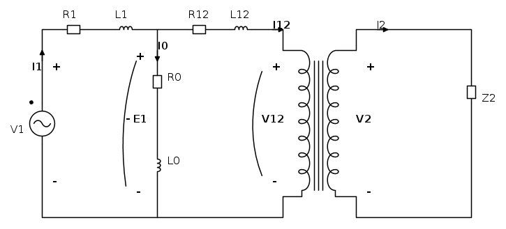
Questo è lo schema che il mio testo dà del circuito equivalente primario. Quello che mi ha un po' confuso le idee è quel segno meno sulla tensione indotta a vuoto E1, e il fatto che nel commento al circuito il testo scrive che V_{12}=-\tau V_{2}^{}, dove \tau è il rapporto spire.
Mi sembra di aver capito che, dato che la f.e.m. indotta si oppone alla variazione del flusso (quindi se il flusso diminuisce la fem sarà positiva, se aumenta sarà negativa), occorre innanzitutto definire un verso positivo per fem indotta. Cioè si può dire che è positivo il verso della fem indotta che genera una corrente che a sua volta genera un flusso concorde con quello induttore. E' giusto? Comunque questo è lo schema del primario.

Avatar utente
Foto Utentekowalski
-2 4
New entry
New entry
 
Messaggi: 57
Iscritto il: 15 apr 2011, 18:41

2
voti

[5] Re: Circuiti Equivalenti del Trasformatore Monofase

Messaggioda Foto UtenteLele_u_biddrazzu » 10 feb 2012, 2:30

Il circuito equivalente di un trasformatore costituisce un modello mediante il quale è possibile descriverne il comportamento elettrico sulla base di opportune ipotesi.

Supponendo la macchina lineare (si trascura la non linearità del ferro ecc...) e in regime sinusoidale, il circuito equivalente di un trasformatore risulta essere (con ovvio significato dei simboli)



A questo punto si possono ricavare altri schemi circuitali equivalenti semplicemente "trasportando" le impedenze da un lato all'altro del trasformatore ideale avente rapporto spire pari a k. Per svolgere correttamente questa trasformazione, è utile ricordare che l'impedenza "vista" dai morsetti primari di un trasformatore ideale risulta essere...



\dot Z_{\text{in}} = \frac{\dot V_1}{\dot I_1} = k^2 \, \frac{\dot V_2}{\dot I_2} = k^2 \, \dot Z

mentre quella "vista" dall'altra coppia di morsetti risulta...




\dot Z_{\text{out}} = \frac{\dot V_2}{\dot I_2} = \frac{1}{k^2} \, \frac{\dot V_1}{\dot I_1} = \frac{\dot Z}{k^2}

Nella speranza di non aver detto castronerie :mrgreen: , mi auguro di esserti stato di aiuto O_/
Emanuele Lorina

- Chi lotta contro i mostri deve fare attenzione a non diventare lui stesso un mostro. E se tu riguarderai a lungo in un abisso, anche l'abisso vorrà guardare dentro di te (F. Nietzsche)
- Tavole della legge by admin
Avatar utente
Foto UtenteLele_u_biddrazzu
8.154 3 8 13
Master EY
Master EY
 
Messaggi: 1288
Iscritto il: 23 gen 2007, 16:13
Località: Modena

0
voti

[6] Re: Circuiti Equivalenti del Trasformatore Monofase

Messaggioda Foto Utentekowalski » 10 feb 2012, 2:42

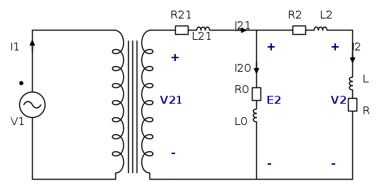
Questo è lo schema del circuito equivalente secondario che dà il mio testo.


Vorrei sapere come si ricavano i parametri del secondario. Ho capito che per ricavare l'impedenza primaria riportata al secondario, Z_{21}, si fanno delle considerazioni energetiche sulla potenza dissipata e si arriva a trovare la relazione Z_{21} = \frac{Z_{1}}{\tau ^{2}}. Tutto questo considerando un' approssimazione fondamentale: si trascura la corrente a vuoto. Si fa la stessa approssimazione anche per trovare gli altri parametri del circuito equivalente secondario?
Avatar utente
Foto Utentekowalski
-2 4
New entry
New entry
 
Messaggi: 57
Iscritto il: 15 apr 2011, 18:41

1
voti

[7] Re: Circuiti Equivalenti del Trasformatore Monofase

Messaggioda Foto Utentelillo » 10 feb 2012, 11:19

non so se è quello che ti interessa, ma a noi l'hanno insegnato così:
scrivi l'equazione della maglia primaria:
V_1=R_1I_1+j\omega L_dI_1-E_1

moltiplica tutta l'equazione per -\frac {N_2}{N_1}:

\left ( -\frac {N_2}{N_1} \right )V_1=\left ( -\frac {N_2}{N_1} \right )R_1I_1+\left ( -\frac {N_2}{N_1} \right )j\omega L_dI_1-\left ( -\frac {N_2}{N_1} \right )E_1

ora moltiplica i termini contenenti la corrente I_1 per \frac {N_1N_2}{N_1N_2}:

\left ( -\frac {N_2}{N_1} \right )V_1=\left (-\frac {N_2}{N_1} \right )\left (\frac {N_1N_2}{N_1N_2} \right )R_1I_1+\left (-\frac {N_2}{N_1} \right )\left (\frac {N_1N_2}{N_1N_2} \right )j\omega L_dI_1-\left (-\frac {N_2}{N_1} \right )E_1

il tutto scritto meglio risulta:

-\frac {N_2}{N_1}V_1=\left (\frac {N_2}{N_1} \right )^2R_1\left (-\frac {N_1}{N_2} \right )I_1+\left (\frac {N_2}{N_1} \right )^2j\omega L_d\left (-\frac {N_1}{N_2} \right )I_1+\frac {N_2}{N_1}E_1

si passa al secondario anche l'impedenza trasversale, facendo una semplice considerazione:
le perdite dovranno essere le stesse:

P_{fe}=\frac{E_1^2}{R_{fe}}=\frac{E_2^2}{R_{fe_{sec}}}

da cui si ricava:
{R_{fe_{sec}}}=\frac{E_2^2}{E_1^2}{R_{fe}}=\left ( \frac{N_2}{N_1} \right )^{2}{R_{fe}}

analogamente riportiamo L_m induttanza magnetizzante:

L_{m_{sec}}=\left ( \frac{N_2}{N_1} \right )^{2}L_m

effettivamente neanche io ho mai visto il circuito disegnato in quel modo. Di solito ho trovato l'impedenza trasversale a monte in modo da poter sommare i parametri longitudinali.
se non ho scritto cavolate... O_/
Avatar utente
Foto Utentelillo
20,5k 7 12 13
G.Master EY
G.Master EY
 
Messaggi: 4172
Iscritto il: 25 nov 2010, 11:30
Località: Nuovo Mondo

0
voti

[8] Re: Circuiti Equivalenti del Trasformatore Monofase

Messaggioda Foto Utentekowalski » 10 feb 2012, 12:09

Si in effetti sto trovando serie difficoltà..comunque nella rappresentazione del primario è disegnata sul mio testo un'impedenza Z_{0}, percorsa dalla corrente I_{0} nel ramo trasversale con ai capi la tensione primaria a vuoto -E_{1}. Bah..Comunque è vero, ho capito benissimo quello che mi hai detto sulla corrente a vuoto e quella che dovrebbe essere la vera rappresentazione. Piuttosto fatico ancora a capire alcune cose:

1) la f.e.m. indotta può essere scelta arbitrariamente nel suo verso ai capi dell' induttore primario? E così anche per la corrente e la f.e.m. indotta ai capi dell'induttore secondario? Non si tiene conto del senso degli avvolgimenti? Cioè: una volta scelto il verso delle correnti nel primario e nel secondario, il verso della f.e.m. indotta non dipende da essi in base al senso degli avvolgimenti?

2) Il circuito secondario che ho disegnato è quello che il mio testo riporta non come circuito semplificato, ma come circuito che rende conto del funzionamento vero e proprio, senza trascurare l'effetto della corrente a vuoto.. Non capisco però come si passa da questa situazione al primario:
\boldsymbol{I}_{1}=\boldsymbol{I_{0}}+\boldsymbol{I_{12}}
a questa al secondario:
\boldsymbol{I_{12}}=\boldsymbol{I_{20}}+\boldsymbol{I_{2}}

3) Non capisco perché, nella rappresentazione del primario, \frac{\boldsymbol{V_{12}}}{\mathbf{V_{2}}}=-\tau. Il rapporto non dovrebbe essere semplicemente uguale al rapporto spire, essendo quello un trasformatore ideale?

4) Non capisco come si trovano i parametri (tensioni e correnti) riportati al secondario. Cioè:
\boldsymbol{I_{21}},\boldsymbol{I_{20}},\boldsymbol{V_{21}}=?
Ho visto la spiegazione di Foto Utentelillo ma non capisco dove vogliono arrivare i primi passaggi. Ho capito benissimo invece, il passaggio al secondario dell'impedenza a vuoto.

P.S.: il mio testo è un misto di appunti scritti a mano dal professore e capitoli di un libro di cui non conosco né titolo né autore.
Grazie!
Avatar utente
Foto Utentekowalski
-2 4
New entry
New entry
 
Messaggi: 57
Iscritto il: 15 apr 2011, 18:41

0
voti

[9] Re: Circuiti Equivalenti del Trasformatore Monofase

Messaggioda Foto UtenteLele_u_biddrazzu » 10 feb 2012, 12:59

kowalski ha scritto:...3) Non capisco perché, nella rappresentazione del primario, \frac{\boldsymbol{V_{12}}}{\mathbf{V_{2}}}=-\tau. Il rapporto non dovrebbe essere semplicemente uguale al rapporto spire, essendo quello un trasformatore ideale? ...


Dovresti adottare la convenzione dei "puntini" affinché sia possibile definire univocamente il rapporto tra la tensione primaria e secondaria (stesso discorso per le correnti)...
Con le convenzioni adottate nel seguente schema...



risulta...

\begin{cases}
\dot{V}_{1} & =k\,\dot{V}_{2}\\
\dot{I}_{1} & =-\frac{\dot{I}_{2}}{k}\end{cases}
Emanuele Lorina

- Chi lotta contro i mostri deve fare attenzione a non diventare lui stesso un mostro. E se tu riguarderai a lungo in un abisso, anche l'abisso vorrà guardare dentro di te (F. Nietzsche)
- Tavole della legge by admin
Avatar utente
Foto UtenteLele_u_biddrazzu
8.154 3 8 13
Master EY
Master EY
 
Messaggi: 1288
Iscritto il: 23 gen 2007, 16:13
Località: Modena

0
voti

[10] Re: Circuiti Equivalenti del Trasformatore Monofase

Messaggioda Foto Utentekowalski » 10 feb 2012, 13:05

@Foto Utentelillo
No, un attimo. Penso di aver capito quello che mi volevi dire con i primi passaggi. Servono cioè ad esprimere i parametri del primario riportati al secondario. Quindi, se ho capito bene:
V_{21}=-\frac{V_{1}}{\tau }. Cioè la tensione pr. riportata al sec. è uguale a meno il rapporto tra quella primaria e il rapporto spire.

R_{21}=\frac{R_{1}}{\tau ^{2}}

I_{21}=-\tau I_{1}

X_{21}=\frac{X_{1}}{\tau ^{2}}

E_{2}=\frac{E_{1}}{\tau }, cioè il rapporto tra le tensioni a vuoto è uguale al rapporto spire.

E' così?
Avatar utente
Foto Utentekowalski
-2 4
New entry
New entry
 
Messaggi: 57
Iscritto il: 15 apr 2011, 18:41

Prossimo

Torna a Elettrotecnica generale

Chi c’è in linea

Visitano il forum: Nessuno e 30 ospiti