salve a tutti, sto cercando di riprodurre un termostato di una incubatrice con alimentazione a 220 V ac che si era guastato. Sono riuscito ad elaborare il pbc, ma ho riscontrato due problemi:
1: non riesco a trovare un varistore cnr 07D431k, con quale posso sostituirlo?
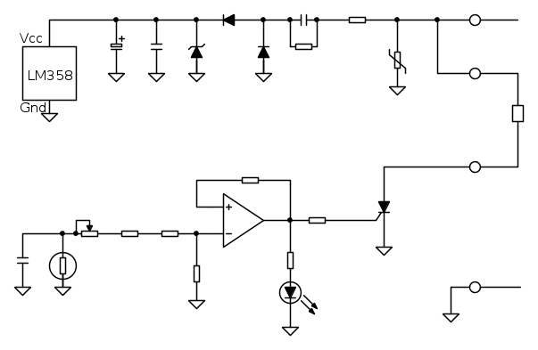
2: non riesco a capire il corretto collegamento di BT150 r800 (non so se nello schema è posizionato correttamente).
Ho già completato la basetta con tutti i componenti, ma ho riscontrato un problema, ovvero, il led di segnalazione
si spegne poco per volta fino a spegnersi completamente.
L'icubatrice funziona in un range di temperatura da 30 a 50 °C circa e nel circuito ho omesso la ventola.
Grazie a tutti.
Termostato 220 V
Moderatori:
g.schgor,
IsidoroKZ
18 messaggi
• Pagina 1 di 2 • 1, 2
0
voti
Spero anche di aver " indovinato" i pin di alimentazione e quelli di connessione della resistenza riscaldante di 140W.
-

aviatorfrank
10 2 - New entry

- Messaggi: 53
- Iscritto il: 25 mar 2012, 13:12
1
voti
aviatorfrank ha scritto:2: non riesco a capire il corretto collegamento di BT150 r800 (non so se nello schema è posizionato correttamente).
credo che se posti anche lo schema elettrico sarà più facile per chi vorrà/potrà aiutarti.
aviatorfrank ha scritto:non riesco a trovare un varistore cnr 07D431k,..
in questo pdf a pag 5 ultimo gruppo in basso seconda riga hai le caratteristiche del varistore quindi basta cercare sul web un equivalente con pari caratteristiche.
0
voti
credo che se posti anche lo schema elettrico sarà più facile per chi vorrà/potrà aiutarti.![]()
Purtroppo ho riprodotto il PCB da una scheda già esistente quindi non sarei in grado di ricreare lo schema
-

aviatorfrank
10 2 - New entry

- Messaggi: 53
- Iscritto il: 25 mar 2012, 13:12
1
voti
intanto verificherei se l'installazione dei componenti critici ( semiconduttori ) sia correttamente installata, se hai la scheda già realizzata da cui hai riprodotto questo PCB non dovrebbe esserti difficile verificare la corretta posizione della polarità dei diodi ed i riferimenti del circuito integrato e del BT150.
aviatorfrank ha scritto: ..riprodotto il PCB da una scheda già esistente..
0
voti
intanto verificherei se l'installazione dei componenti critici ( semiconduttori ) sia correttamente installata, se hai la scheda già realizzata da cui hai riprodotto questo PCB non dovrebbe esserti difficile verificare la corretta posizione della polarità dei diodi ed i riferimenti del circuito integrato e del BT150.
Già fatto per tutti i componenti, solo che nella scheda manca proprio il BT150, rimangono solo i fori, perché un tecnico aveva cercato di sostituire il componente.
comunque posso provare a invertirlo e vedere se funziona.
Il dubbio più grande rimane sui pin di alimentazione e quelli a cui andrà collegata la resistenza riscaldante.
Pensa che ho eseguito correttamente quei collegamenti?
Grazie mille
-

aviatorfrank
10 2 - New entry

- Messaggi: 53
- Iscritto il: 25 mar 2012, 13:12
2
voti
sperando di non dire fesserie, il thyristor BT150 così come è inserito sul PCB che hai postato ha il terminale di gate alimentato da una fase della tensione di rete,e questo a mio avviso onon è corretto in quanto il terminale di gate dovrebbe essere utilizzato per pilotare il BT150, che dovrebbe avere il terminale di catodo (k) sul neutro, e il carico si troverà in serie fra la fase ed il terminale anodo (a), detto questo però aggiungo che è meglio attendere una conferma dagli esperti. 
2
voti
aviatorfrank ha scritto:[...]Purtroppo ho riprodotto il PCB da una scheda già esistente quindi non sarei in grado di ricreare lo schema
... e perché mai? Il lavoro sporco l'hai già fatto, ora è facile:
I valori mettili tu ma...
comunque considera che se il circuito stampato da te rilevato è giusto questo schema non funziona.
1) L'opamp e accessori collegato così non serve a niente, c'è qualcosa che non va...non c'è tensione in ingresso dal ramo del NTC e l'isteresi introdotta e esagerata.
2) Importante: la R=1k in parallelo al condensatore 220nF dell'alimentatore è improponibile, fiammata assicurata.
3) Molto importante: Tutto il circuito, NTC compreso, è a potenziale di rete, è estremamente pericoloso!
P.S. il gate è naturalmente come dice
Se ti serve il valore di beta: hai sbagliato il progetto!
0
voti
[10] Re: Termostato 220 V
Grazie mille...
Non so che dire, ho ricontrollato il circuito e sono sicuro di averlo riprodotto fedelmente.
Non so che dire, ho ricontrollato il circuito e sono sicuro di averlo riprodotto fedelmente.
-

aviatorfrank
10 2 - New entry

- Messaggi: 53
- Iscritto il: 25 mar 2012, 13:12
18 messaggi
• Pagina 1 di 2 • 1, 2
Torna a Elettrotecnica generale
Chi c’è in linea
Visitano il forum: Nessuno e 82 ospiti

Elettrotecnica e non solo (admin)
Un gatto tra gli elettroni (IsidoroKZ)
Esperienza e simulazioni (g.schgor)
Moleskine di un idraulico (RenzoDF)
Il Blog di ElectroYou (webmaster)
Idee microcontrollate (TardoFreak)
PICcoli grandi PICMicro (Paolino)
Il blog elettrico di carloc (carloc)
DirtEYblooog (dirtydeeds)
Di tutto... un po' (jordan20)
AK47 (lillo)
Esperienze elettroniche (marco438)
Telecomunicazioni musicali (clavicordo)
Automazione ed Elettronica (gustavo)
Direttive per la sicurezza (ErnestoCappelletti)
EYnfo dall'Alaska (mir)
Apriamo il quadro! (attilio)
H7-25 (asdf)
Passione Elettrica (massimob)
Elettroni a spasso (guidob)
Bloguerra (guerra)



