Cos'è ElectroYou | Login Iscriviti

ElectroYou - la comunità dei professionisti del mondo elettrico

Algoritmo risoluzione circuiti:regime sinusoidale e thevenin

Circuiti, campi elettromagnetici e teoria delle linee di trasmissione e distribuzione dell’energia elettrica

Moderatori: Foto Utenteg.schgor, Foto UtenteIsidoroKZ

0
voti

[1] Algoritmo risoluzione circuiti:regime sinusoidale e thevenin

Messaggioda Foto Utentealex87alex » 10 lug 2012, 17:25

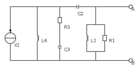
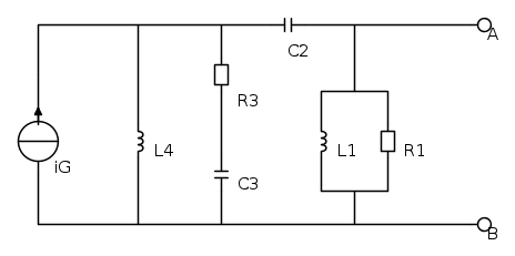
Ciao a tutti, torno a ropervi assillandovi di domande. Mi sto preparando per l'esame di elettrotecnica e per i circuiti a corrente continua ho scritto 2 algoritmi (uno per ilmetodo dei nodi e uno per quello delle maglie) che mi permettono abbastanza agevolmente di risolvere i circuiti. Quando però passo alla corrente alternata ho un sacco di problemi, vado in confusione. oltretutto non ho capito thevenin e di solito il prof ci dà un problema con un circuito a regime sinusoidale chiedendo come primo punto di semplificarlo tramite thevenin..

La mia domanda è questa: siete disponibili a scrivermi una sorta di algoritmo per capire come devo applicare thevenin? Mi spiego leggermente meglio.. L'impedenza equivalente da quanto ho capito si trova "spegnendo" i generatori indipendenti (quelli dipendenti si comportano come un componente resistivo, vero?) e si calcola l'impedenza dal polo a al polo b (di riferimento, dati dal prof). Ma il generatore equivalente?

Detto questo.. Se mi capita un esercizio in cui si devono calcolare le correnti o le tensioni dei componenti devo prestare particolare attenzione a qualcosa? Vi posto un esercizio di esempio così magari dal particolare riesco a capire meglio l'algoritmo generale. Grazie a quanti di voi avranno la pazienza di leggere e un grazie ancora più grande a chi mi vuole rispondere :ok:

Ultima modifica di Foto Utentealex87alex il 10 lug 2012, 17:47, modificato 1 volta in totale.
Avatar utente
Foto Utentealex87alex
45 3
New entry
New entry
 
Messaggi: 52
Iscritto il: 16 giu 2012, 16:15

2
voti

[2] Re: Algoritmo risoluzione circuiti:regime sinusoidale e Thev

Messaggioda Foto Utentelillo » 10 lug 2012, 17:47

alex87alex ha scritto:La mia domanda è questa: siete disponibili a scrivermi una sorta di algoritmo per capire come devo applicare Thevenin?

io te lo farei anche, ma non lo so fare :lol:
nel circuito postato vuoi conoscere l'equivalente di Thevenin ai morsetti a e b ?

da qui trovi la resistenza equivalente.
poi tornando al circuito iniziale per trovare il generatore di tensione equivalente calcola la tensione tra a e b
........
credo che Millman e un partitore di tensione siano sufficienti.
PS: ho spostato il topic in Elettrotecnica generale :ok:
Avatar utente
Foto Utentelillo
20,5k 7 12 13
G.Master EY
G.Master EY
 
Messaggi: 4176
Iscritto il: 25 nov 2010, 11:30
Località: Nuovo Mondo

0
voti

[3] Re: Algoritmo risoluzione circuiti:regime sinusoidale e Thev

Messaggioda Foto Utentealex87alex » 10 lug 2012, 18:08

Anzitutto grazie della risposta :)

Quindi V_{ab}= iG*Z_{eq} ?

E se avessi un generatore dipendente come lo considero? Altro esempio:

Avatar utente
Foto Utentealex87alex
45 3
New entry
New entry
 
Messaggi: 52
Iscritto il: 16 giu 2012, 16:15

0
voti

[4] Re: Algoritmo risoluzione circuiti:regime sinusoidale e Thev

Messaggioda Foto Utentelillo » 10 lug 2012, 18:15

alex87alex ha scritto:Quindi V_{ab}= iG*Z_{eq} ?

:-k
sicuro?
PS: usa Latex per le formule.
Avatar utente
Foto Utentelillo
20,5k 7 12 13
G.Master EY
G.Master EY
 
Messaggi: 4176
Iscritto il: 25 nov 2010, 11:30
Località: Nuovo Mondo

0
voti

[5] Re: Algoritmo risoluzione circuiti:regime sinusoidale e Thev

Messaggioda Foto Utentematteo375 » 10 lug 2012, 18:16

Ciao, il teorema di Thevenin è lo stesso sia in continua che in alternata: probabilmente devi imparare a lavorare con le impedenze, che sono grandezze complesse.
L'enunciato sostiene che un circuito qualsiasi, visto da due morsetti, può esser sostituito con un generatore di tensione, pari alla tensione a vuoto ed una resistenza in serie, pari alla resistenza equivalente vista.
Ora, per calcolare quest'ultima devi disattivare i gen. indipendenti (cortocircuiti quelli di tensione ed apri quelli di corrente) e calcolare la resistenza individuando le varie configurazioni serie, parallelo, triangolo e stella a seconda del circuito. Per i generatori dipendenti perdonami, non ricordo come si fa.
Per calcolare la tensione a vuoto puoi usare la regola del partitore oppure calcolare la corrente del ramo (tramite Kirckoff, correnti di maglia, ecc.) e da questa ricavare la caduta di potenziale.
In sostanza, il metodo è lo stesso, sia in continua che in alternata
Avatar utente
Foto Utentematteo375
340 3 6
Expert
Expert
 
Messaggi: 150
Iscritto il: 12 giu 2012, 19:21

0
voti

[6] Re: Algoritmo risoluzione circuiti:regime sinusoidale e Thev

Messaggioda Foto Utentematteo375 » 10 lug 2012, 18:18

Tu non assilli nessuno, i dubbi vanno chiariti. Sempre
Avatar utente
Foto Utentematteo375
340 3 6
Expert
Expert
 
Messaggi: 150
Iscritto il: 12 giu 2012, 19:21

0
voti

[7] Re: Algoritmo risoluzione circuiti:regime sinusoidale e Thev

Messaggioda Foto UtenteRenzoDF » 10 lug 2012, 18:20

lillo ha scritto:... credo che Millman e un partitore di tensione siano sufficienti....

Anche un partitore di corrente e Ohm potrebbero bastare, oppure un corto ai morsetti e un partitore di corrente per determinare la Icc ... poi ci sarebbe sempre Ahmes :-)

alex87alex ha scritto:... quelli dipendenti si comportano come un componente resistivo, vero?...

In generale no, i generatori dipendenti si comportano come un bipolo resistivo solo in casi eccezionali.
I generatori dipendenti non si "spengono" ma se presenti impediscono la scorciatoia del calcolo dell'impedenza vista ai morsetti attraverso semplici semplificazioni serie parallelo ecc. e impongono l'uso di un generatore forzante esterno, GIT o GIC a seconda della convenienza, che permette di determinare la ZTh dal rapporto fra tensione e corrente ai loro morsetti.
Nel caso per esempio del tuo secondo circuito in [3] è conveniente usare un GIT collegato ai morsetti A B, in quanto essendo spento il GIT indipendente, la tensione di comando vc viene a corrispondere alla tensione del GIT forzante "esterno".
"Il circuito ha sempre ragione" (Luigi Malesani)
Avatar utente
Foto UtenteRenzoDF
55,9k 8 12 13
G.Master EY
G.Master EY
 
Messaggi: 13189
Iscritto il: 4 ott 2008, 9:55

1
voti

[8] Re: Algoritmo risoluzione circuiti:regime sinusoidale e Thev

Messaggioda Foto Utentelillo » 10 lug 2012, 18:38

RenzoDF ha scritto:Anche un partitore di corrente e Ohm potrebbero bastare, oppure un corto ai morsetti e un partitore di corrente per determinare la Icc ... poi ci sarebbe sempre Ahmes :-)

come al solito hai ragione. sono io che appena vedo due nodi parto con zio Millman :D
devo cominciare a toglierlo dalla testa, magari mi fisso su nonno Ahmes :mrgreen:
Avatar utente
Foto Utentelillo
20,5k 7 12 13
G.Master EY
G.Master EY
 
Messaggi: 4176
Iscritto il: 25 nov 2010, 11:30
Località: Nuovo Mondo

0
voti

[9] Re: Algoritmo risoluzione circuiti:regime sinusoidale e Thev

Messaggioda Foto UtenteRenzoDF » 10 lug 2012, 18:42

lillo ha scritto:...devo cominciare a toglierlo dalla testa, magari mi fisso su nonno Ahmes :mrgreen:

Potresti far vedere ad Foto Utentealex87alex come applicare Ahmes per trovare la VTh della prima rete supponendo resistenze reattanze e GIC unitari. ;-)
"Il circuito ha sempre ragione" (Luigi Malesani)
Avatar utente
Foto UtenteRenzoDF
55,9k 8 12 13
G.Master EY
G.Master EY
 
Messaggi: 13189
Iscritto il: 4 ott 2008, 9:55

1
voti

[10] Re: Algoritmo risoluzione circuiti:regime sinusoidale e Thev

Messaggioda Foto Utentelillo » 10 lug 2012, 18:51

Foto UtenteRenzoDF ho 10 min per andare al lavoro. se Foto Utentealex87alex ha pazienza in serata cerco di mostrarlo
Avatar utente
Foto Utentelillo
20,5k 7 12 13
G.Master EY
G.Master EY
 
Messaggi: 4176
Iscritto il: 25 nov 2010, 11:30
Località: Nuovo Mondo

Prossimo

Torna a Elettrotecnica generale

Chi c’è in linea

Visitano il forum: Nessuno e 244 ospiti