sto impazzendo con queste LKT applicate al trasformatore!
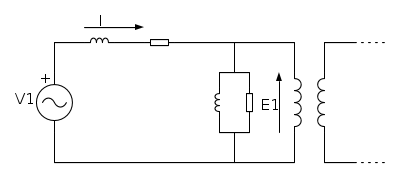
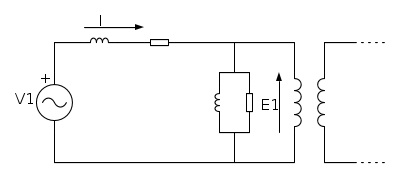
Caso semplice: trasformatore ideale a carico
Se applico la LKT al primario ottengfo che:
V_1-E_1=0 e quindi V_1=E_1 (con V_1 tensione di alimentazione e E_1 f.e.m indotta)
invece la dispensa mi dice che V_1=-E_1
La LKT applicata ai fasori non dovrebbe essere sbagliata infatti ho visto che successivamente nei sistemi trifase la applica così come l'ho applicata adesso.....però non ottengo informazioni sul verso del vettore perché è come se fosse una somma algebrica....

Elettrotecnica e non solo (admin)
Un gatto tra gli elettroni (IsidoroKZ)
Esperienza e simulazioni (g.schgor)
Moleskine di un idraulico (RenzoDF)
Il Blog di ElectroYou (webmaster)
Idee microcontrollate (TardoFreak)
PICcoli grandi PICMicro (Paolino)
Il blog elettrico di carloc (carloc)
DirtEYblooog (dirtydeeds)
Di tutto... un po' (jordan20)
AK47 (lillo)
Esperienze elettroniche (marco438)
Telecomunicazioni musicali (clavicordo)
Automazione ed Elettronica (gustavo)
Direttive per la sicurezza (ErnestoCappelletti)
EYnfo dall'Alaska (mir)
Apriamo il quadro! (attilio)
H7-25 (asdf)
Passione Elettrica (massimob)
Elettroni a spasso (guidob)
Bloguerra (guerra)








