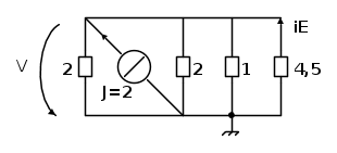
Devo calcolarmi la potenza erogata dal GDT. L'esercizio mi richiede, esplicitamente, di risolverlo col metodo della sovrapposizione degli effetti. Dunque per calcolarmi la potenza (che è
) del GDT ho bisogno di calcolare la corrente dello stesso. Quindi ho (utilizzando il metodo della sovrapposizione degli effetti):
ottenuti, rispettivamente, spegnendo prima il GDC e poi il GDT. Ora
CREDO di averla calcolata correttamente e mi trovo
(Ho messo in SERIE
col parallelo di
). Ma col secondo circuito mi trovo valori strani. Qualcuno può aiutatmi?? Grazie a tutti!!! :)
PS: Il risultato della potenza erogata dal GDT è 4 W

Elettrotecnica e non solo (admin)
Un gatto tra gli elettroni (IsidoroKZ)
Esperienza e simulazioni (g.schgor)
Moleskine di un idraulico (RenzoDF)
Il Blog di ElectroYou (webmaster)
Idee microcontrollate (TardoFreak)
PICcoli grandi PICMicro (Paolino)
Il blog elettrico di carloc (carloc)
DirtEYblooog (dirtydeeds)
Di tutto... un po' (jordan20)
AK47 (lillo)
Esperienze elettroniche (marco438)
Telecomunicazioni musicali (clavicordo)
Automazione ed Elettronica (gustavo)
Direttive per la sicurezza (ErnestoCappelletti)
EYnfo dall'Alaska (mir)
Apriamo il quadro! (attilio)
H7-25 (asdf)
Passione Elettrica (massimob)
Elettroni a spasso (guidob)
Bloguerra (guerra)











potresti dirmi in che verso metterla e perché? poi la stessa come fa a trovarsi 0,2? :V

??