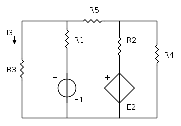
R1 = 20 ohm
R2 = 40 ohm
R3 = 60 ohm
R4 = 100 ohm
R5 = 20 ohm
E1 = 250 V
E2 = k I3 con k = 16 ohm
a) determinare il valore della grandezza pilota
b) calcolare le potenze erogate dai generatori
c) calcolare il nuovo valore della transresistenza k in modo che R5 non sia percorsa da corrente
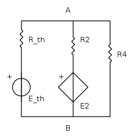
Non posso applicare tevenin alla maglia destra perche la corrente di controllo non si trova li. Ho trasformato la maglia sinistra con thevenin e poi espresso I3:
R_th = 35 ohm
V_th = 187,5 V
poi ho applicato millman

Viene un equazione con E2 come incognita. Sostituendo
ottengo:
Dovrebbe venire 2.5 A. Cosa sto sbagliando?

Elettrotecnica e non solo (admin)
Un gatto tra gli elettroni (IsidoroKZ)
Esperienza e simulazioni (g.schgor)
Moleskine di un idraulico (RenzoDF)
Il Blog di ElectroYou (webmaster)
Idee microcontrollate (TardoFreak)
PICcoli grandi PICMicro (Paolino)
Il blog elettrico di carloc (carloc)
DirtEYblooog (dirtydeeds)
Di tutto... un po' (jordan20)
AK47 (lillo)
Esperienze elettroniche (marco438)
Telecomunicazioni musicali (clavicordo)
Automazione ed Elettronica (gustavo)
Direttive per la sicurezza (ErnestoCappelletti)
EYnfo dall'Alaska (mir)
Apriamo il quadro! (attilio)
H7-25 (asdf)
Passione Elettrica (massimob)
Elettroni a spasso (guidob)
Bloguerra (guerra)








