Cos'è ElectroYou | Login Iscriviti

ElectroYou - la comunità dei professionisti del mondo elettrico

Esercizio di elettrotecnica

Circuiti, campi elettromagnetici e teoria delle linee di trasmissione e distribuzione dell’energia elettrica

Moderatori: Foto Utenteg.schgor, Foto UtenteIsidoroKZ

0
voti

[1] Esercizio di elettrotecnica

Messaggioda Foto Utentenilla92 » 30 nov 2013, 13:24

Salve ragazzi..ho questo semplice circuito ma tanti dubbi.
cioè per esempio quando spengo il primo generatore come faccio a calcolare ad esempio la corrente I3
devo considerare il parallelo che c'è tra R1 ed R2 ? se x esempio volessi calcolare la tensione su R3 uso il partitore di tensione ma tra quali componenti in serie? il parallelo R12 con R3 ?
Cattura.PNG
Cattura.PNG (187.83 KiB) Osservato 8629 volte

Aiutatemi per piacere :(
Ultima modifica di Foto Utentelillo il 30 nov 2013, 15:51, modificato 2 volte in totale.
Motivazione: modifica titolo by Guerra. Inserita Immagine in linea con il testo by lillo.
Avatar utente
Foto Utentenilla92
6 3
 
Messaggi: 46
Iscritto il: 28 nov 2013, 15:31

1
voti

[2] Re: Esercizio di elettrotecnica

Messaggioda Foto Utentespud » 30 nov 2013, 14:14

nilla92 ha scritto:cioè per esempio quando spengo il primo generatore come faccio a calcolare ad esempio la corrente I3 devo considerare il parallelo che c'è tra R1 ed R2 ?

si

nilla92 ha scritto:se x esempio volessi calcolare la tensione su R3 uso il partitore di tensione ma tra quali comopenenti in serie? il parallelo R12 con R3 ?

si, c'è anche R4 però :-)

p.s. schemi in fidocad :D
Atlant.

Behind every great man is a woman rolling her eyes.
Avatar utente
Foto Utentespud
3.767 3 10 12
free expert
 
Messaggi: 1601
Iscritto il: 1 feb 2012, 14:26
Località: Udine

0
voti

[3] Re: Esercizio di elettrotecnica

Messaggioda Foto Utenteyustel » 30 nov 2013, 14:18

nilla92 ha scritto:quando spengo il primo generatore come faccio a calcolare ad esempio la corrente I3
devo considerare il parallelo che c'è tra R1 ed R2 ?

La corrente i3 non è la stessa che esce dall'unico generatore che hai lasciato attivo? Sapresti calcolarla se ci fosse solamente una serie di resistenze e non ci fosse quindi la parte di sinistra? Credo che la parte di sinistra si possa ricondurre ad'una resistenza sola in modo da avere una serie di tre resistori, a quel punto credo t sia capace a calcolare I3. Per fare questo devi proprio considerare il parallelo tra R1 ed R2
In generale su questi tipi di esercizi devi sempre cercare di semplificare il più possibile la rete riducendola sfruttando i vari paralleli/serie tra componenti. Poi se riesci anche a fare in modo che la grandezza che cerchi non scompare perché hai ridotto troppo è meglio ;)

nilla92 ha scritto:se x esempio volessi calcolare la tensione su R3 uso il partitore di tensione ma tra quali comopenenti in serie? il parallelo R12 con R3 ?


Se conosci il valore di I3 il calcolo di V3 è immediato, legge di Ohm.
Se invece vuoi usare il partitore... beh... quand'è che si usa? In una serie.... di conseguenza per applicarlo devi conoscere la tensione che hai ai capi di un ramo serie. A quel punto la tensione la calcoli in generale come:
V=\text{Tensione Serie} \cdot \frac{\text{Resistenza su cui cade la tensione chiesta}}{\text{Somma delle resistenze nella serie}}

Spero di averti aiutato
Avatar utente
Foto Utenteyustel
173 4
New entry
New entry
 
Messaggi: 92
Iscritto il: 22 feb 2010, 18:30

3
voti

[4] Re: Esercizio di elettrotecnica

Messaggioda Foto Utentelillo » 30 nov 2013, 16:41

mettere il verso di I3 in quel modo non aiuta chi è all'inizio, trattasi sicuramente di cattiveria da professore :D
volendo usare il tuo metodo, ovvero quello della sovrapposizione, e considerando la corrente I3 con il tuo stesso verso i due contributi risultano:

  • contributo di E1:
    in questo caso, visto che cerchiamo la corrente potresti trovare la corrente che circola in R2, e poi fare un partitore di corrente sul parallelo R1 e R34 (dove R34 è la serie tra R3 e R4):

    I_{3}^{\prime }=-\frac{E_1}{R_2+R_{134}}\frac{R_1}{R_1+R_{34}}

    e R134 il parallelo tra R1 e R34

  • contributo di E2:

    I_{3}^{\prime \prime}=-\frac{E_2}{R_{12}+R_3+R_4}

    dove R12 è il parallelo tra R1 e R1

Infine non ti resta che sommare i due contributi.
Decisamente più veloce Millman con il quale V1 è immediata.
Ma potremmo anche provare con Thevenin:
infatti scollegando R3 avremmo:

La tensione di A rispetto al riferimento C è immediatamente calcolabile con un partitore di tensione:

V_A=E_1\frac{R_1}{R_1+R_2}=2{,}5\; \text{V}

mentre quella di B è ancora più immediata, infatti non circolando corrente:

V_{B}=-E_2=-2\;\text{V}

quindi:

V_{th}=V_A-V_B=4{,}5\;\text{V}

La resistenza vista da R3 è semplicissima:

R_{th}=(R_2||R_1)+R_4=3\;\Omega

e infine I3 dove il verso da me considerato è opposto a quello indicato da te:

I_3=\frac{V_{th}}{R_{th}+R_3}=0{,}9\;\text{A}
Avatar utente
Foto Utentelillo
20,5k 7 12 13
G.Master EY
G.Master EY
 
Messaggi: 4172
Iscritto il: 25 nov 2010, 11:30
Località: Nuovo Mondo

0
voti

[5] Re: Esercizio di elettrotecnica

Messaggioda Foto Utentenilla92 » 30 nov 2013, 18:42

grazie mille ragazzi...tutti chiarissimi e di grande aiuto !!!
Avatar utente
Foto Utentenilla92
6 3
 
Messaggi: 46
Iscritto il: 28 nov 2013, 15:31

0
voti

[6] Re: Esercizio di elettrotecnica

Messaggioda Foto Utentenilla92 » 1 dic 2013, 11:58

Ragazzi mica mi potreste aiutare anche con questo per cortesia?
lo svolgo sempre con la sovrapposizione e quindi spengo il generatore E1 , calcolo la resistenza equivalente vista da E2 e così calcolo la corrente I E2 ( questo penso di averlo fatto bene)...poi il problema è calcolare l'altra corrente del generatore..allora l'ho vista come la corrente sul resistore R1, ho semplificato il circuito e ho applicato il partitore di tensione ( ma c'è qualcosa che non va)

La stessa cosa ho fatto spegnendo l'altro generatore (la resistenza equivalente è la stessa) e il mio problema è sempre calcolare l'altra corrente


Ti e' gia' stato detto che gli schemi elettrici si postano usando FidocadJ ed ,aggiungo, le formule in Latex; visto che continui a postare immagini per di piu' sfuocate e buie, sono costretto a cancellarle a breve.
Cerca di provvedere secondo le regole, se vuoi che gli altri ti aiutino.
:D
Ultima modifica di Foto Utentemarco438 il 2 dic 2013, 17:50, modificato 1 volta in totale.
Motivazione: Immmagini cancellate perche' inguardabili. Leggi le regole del forum
Avatar utente
Foto Utentenilla92
6 3
 
Messaggi: 46
Iscritto il: 28 nov 2013, 15:31

1
voti

[7] Re: Esercizio di elettrotecnica

Messaggioda Foto Utentelillo » 1 dic 2013, 12:56

Foto Utentenilla92, non è nostra usanza prestare aiuto a chi non segue le regole, nel caso di primo post qualcuno fa uno strappo alla regola, ma non è sempre così.
se vuoi continuare sarebbe gentile che tu postassi i disegni con Fidocadj e le eventuali formule in LaTeX.
trovi tutte le indicazioni cliccando su Help
Avatar utente
Foto Utentelillo
20,5k 7 12 13
G.Master EY
G.Master EY
 
Messaggi: 4172
Iscritto il: 25 nov 2010, 11:30
Località: Nuovo Mondo

0
voti

[8] Re: Esercizio di elettrotecnica

Messaggioda Foto Utentenilla92 » 1 dic 2013, 13:01

Certo, scusami, provvedo subito
Avatar utente
Foto Utentenilla92
6 3
 
Messaggi: 46
Iscritto il: 28 nov 2013, 15:31

0
voti

[9] Re: Esercizio di elettrotecnica

Messaggioda Foto Utentenilla92 » 1 dic 2013, 14:17

Ragazzi mica mi potreste aiutare anche con questo per cortesia?

Cattura.PNG
Cattura.PNG (7.59 KiB) Osservato 8532 volte

lo svolgo sempre con la sovrapposizione e quindi spengo il generatore E1 , calcolo la resistenza equivalente vista da E2 e così calcolo la corrente I E2 ( questo penso di averlo fatto bene)
... R_E_2=[(R_1//R_1)+R_2]//R_1 + R_1= 3 ohm
i'_E_2= E_2/R_E_2 = 6.66Apoi il problema è calcolare l'altra corrente del generatore..allora l'ho vista come la corrente sul resistore R1, ho semplificato il circuito e ho applicato il partitore di tensione ( ma c'è qualcosa che non va)
v'_A=( R_A/(R_A+R_1))*E_2= 6.66V
R_A=[(R_1//R_1)+R_2]//R_1 
V_A= R_1*I'_E_1


Cattura1.PNG
Cattura1.PNG (14.01 KiB) Osservato 8532 volte

La stessa cosa ho fatto spegnendo l'altro generatore (la resistenza equivalente è la stessa) e il mio problema è sempre calcolare l'altra corrente
I''_E_1= E_1/R_E_1= 3.33A
V''_A= R_1*I''_E_2
Cattura3.PNG
Cattura3.PNG (6.64 KiB) Osservato 8532 volte
Avatar utente
Foto Utentenilla92
6 3
 
Messaggi: 46
Iscritto il: 28 nov 2013, 15:31

2
voti

[10] Re: Esercizio di elettrotecnica

Messaggioda Foto Utentelillo » 1 dic 2013, 15:44

#-o
allora, andiamo per passi:
hai scaricato fidocadj, bene.
una volta disegnato il circuito devi selezionarlo (ctrl+A), e copiarlo (ctrl+C).
quando scrivi il messaggio, clicca su fcd in alto nella barra, e appariranno due tag, cioè 'na roba del genere:
Codice: Seleziona tutto
[fcd][/fcd]

all'interno dei tag incolla (ctrl+V) quello che avevi precedentemente copiato.
tu vedrai questo:
Codice: Seleziona tutto
[fcd][FIDOCAD]
MC 45 45 0 0 470
MC 155 45 0 0 470
MC 60 35 0 0 080
MC 130 35 0 0 080
MC 95 35 0 0 080
MC 80 50 1 0 080
MC 120 50 1 0 080
LI 60 35 45 35 0
LI 155 35 140 35 0
LI 70 35 95 35 0
LI 105 35 130 35 0
LI 45 35 45 45 0
LI 155 35 155 45 0
LI 80 50 80 35 0
LI 120 50 120 35 0
LI 80 60 80 75 0
LI 80 75 155 75 0
LI 155 75 155 65 0
LI 45 65 45 75 0
LI 45 75 80 75 0
LI 120 60 120 75 0
TY 164 53 4 3 0 0 0 * E2
TY 31 52 4 3 0 0 0 * E1
TY 41 44 4 3 0 0 0 * +
TY 157 44 4 3 0 0 0 * +
TY 62 24 4 3 0 0 0 * R1
TY 69 53 4 3 0 0 0 * R1
TY 110 53 4 3 0 0 0 * R1
TY 133 24 4 3 0 0 0 * R1
TY 97 25 4 3 0 0 0 * R2
LI 47 31 56 31 2
FCJ 2 0 3 1 0 0
TY 48 23 4 3 0 0 2 * I1
LI 154 32 145 32 2
FCJ 2 0 3 1 0 0
TY 148 24 4 3 0 0 2 * I2
[/fcd]

mentre tutti vedremo:

non è semplice pignoleria, ma un modo per chi ti aiuta di non doversi ridisegnare tutto.
-------------------------------------------------
tornando al problema:
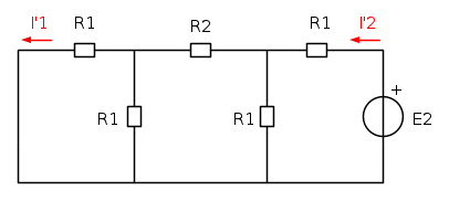
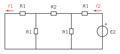
noi stiamo ragionando su questo:

bene per la resistenza equivalente e per la corrente che chiami I'E2
ora, dato che hai calcolato questa corrente, perché non usare una serie di partitori di corrente :?:
Avatar utente
Foto Utentelillo
20,5k 7 12 13
G.Master EY
G.Master EY
 
Messaggi: 4172
Iscritto il: 25 nov 2010, 11:30
Località: Nuovo Mondo

Prossimo

Torna a Elettrotecnica generale

Chi c’è in linea

Visitano il forum: Nessuno e 29 ospiti