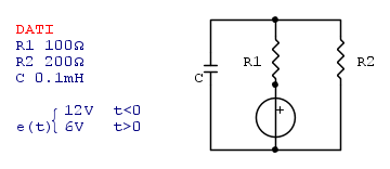
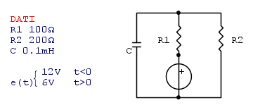
Il circuito in figura e in regime stazionario per t < 0. Il generatore cambia valore all'istante t = 0. Determinare la tensione ai capi del condensatore in ogni istante di tempo.
t<0
Calcolo velocemente considerando
![\[V_{1}=V_{C}\] \[V_{1}=V_{C}\]](/forum/latexrender/pictures/2ec62ddd448c7e21ce80884a4ac22a38.png)
![\[V_{C}=e\frac{R_{1}}{R_{1}+R_{2}}= 4V\] \[V_{C}=e\frac{R_{1}}{R_{1}+R_{2}}= 4V\]](/forum/latexrender/pictures/baaa4343c21e861d1a87d06d5e6cbd0b.png)
in alternativa con le equazioni:
t=0
Calcolo Req dal punto di vista di C
![\[R_{eq}=R_{1}//R_{2}=66.66\Omega\] \[R_{eq}=R_{1}//R_{2}=66.66\Omega\]](/forum/latexrender/pictures/8d67424048a37d02d5f37a793f2f6121.png)
![\[\tau = C R_{eq}\] \[\tau = C R_{eq}\]](/forum/latexrender/pictures/feb7dae5edaf383aaf41154ad7b2e200.png)
![\[V_{C}(0)=4\] \[V_{C}(0)=4\]](/forum/latexrender/pictures/7c677b1179b7abbed6407976e3751fff.png)
t>0
![\[V_{C}= e\frac{R_{1}}{R_{1}+R_{2}}=2V\] \[V_{C}= e\frac{R_{1}}{R_{1}+R_{2}}=2V\]](/forum/latexrender/pictures/c46c81263cf8414b790ff6c9b4a80a58.png)
Con le equazioni
da cui ricavo A imponendo
In definitiva
![{{V}_{C}}(t)=[{{V}_{C}}(0)-{{V}_{C}}(\infty )]{{e}^{-\frac{t}{\tau }}}+{{V}_{C}}(\infty ) {{V}_{C}}(t)=[{{V}_{C}}(0)-{{V}_{C}}(\infty )]{{e}^{-\frac{t}{\tau }}}+{{V}_{C}}(\infty )](/forum/latexrender/pictures/cc91567c29642509e53097986335ef37.png)
![\[V_{C}(t)= 2e^{-150t}+2\] \[V_{C}(t)= 2e^{-150t}+2\]](/forum/latexrender/pictures/52d2c5996794d0b95a97cc632dfa56d9.png)

Elettrotecnica e non solo (admin)
Un gatto tra gli elettroni (IsidoroKZ)
Esperienza e simulazioni (g.schgor)
Moleskine di un idraulico (RenzoDF)
Il Blog di ElectroYou (webmaster)
Idee microcontrollate (TardoFreak)
PICcoli grandi PICMicro (Paolino)
Il blog elettrico di carloc (carloc)
DirtEYblooog (dirtydeeds)
Di tutto... un po' (jordan20)
AK47 (lillo)
Esperienze elettroniche (marco438)
Telecomunicazioni musicali (clavicordo)
Automazione ed Elettronica (gustavo)
Direttive per la sicurezza (ErnestoCappelletti)
EYnfo dall'Alaska (mir)
Apriamo il quadro! (attilio)
H7-25 (asdf)
Passione Elettrica (massimob)
Elettroni a spasso (guidob)
Bloguerra (guerra)

![\[\begin{cases} & i_{1}=i_{C}+i_{2} \\ & V_{1}=V_{C} \\ & e= V_{1}+V_{2} \end{cases}\] \[\begin{cases} & i_{1}=i_{C}+i_{2} \\ & V_{1}=V_{C} \\ & e= V_{1}+V_{2} \end{cases}\]](/forum/latexrender/pictures/de2414cf36c1fdf7de5b5d89823d19dd.png)
![\[y_{oV_{C}}= Ae^{-150t}\] \[y_{oV_{C}}= Ae^{-150t}\]](/forum/latexrender/pictures/6d1306a49b50223157fe0bbcde32bafb.png)
![\[y_{PV_{C}}= Ae^{-150t}+4\] \[y_{PV_{C}}= Ae^{-150t}+4\]](/forum/latexrender/pictures/9cc8571f9047d1ebd00a7a315fb4a1fd.png)

![\[y_{PV_{C}}= Ae^{-150t}+2\] \[y_{PV_{C}}= Ae^{-150t}+2\]](/forum/latexrender/pictures/15762c72e651aa1ea884aca948b0a440.png)
![\[V_{C}(0-)=V_{C}(0+)\] \[V_{C}(0-)=V_{C}(0+)\]](/forum/latexrender/pictures/636351d4e2f1d053f165ff866021d600.png)
![\[4=A+2\; \; \; \Rightarrow A=2\] \[4=A+2\; \; \; \Rightarrow A=2\]](/forum/latexrender/pictures/5bcad29adf51b6ba74afa86d102abe95.png)




procedendo in ordine 

, ovvero?
![\[V_{2}=e\frac{R_{2}}{R_{1}+R_{2}}=\; 12\frac{200}{100+200}=8\] \[V_{2}=e\frac{R_{2}}{R_{1}+R_{2}}=\; 12\frac{200}{100+200}=8\]](/forum/latexrender/pictures/2c6927256feaa72e78a4e6808180852b.png)
se devi trovare la tensione su