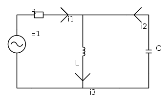
Salve a tutti, stavo risolvendo questo esercizio quando mi sono bloccato perché le equazioni di Kirchhoff al nodo non sono soddisfatte, mentre quelle alla maglia di sinistra si.
secondo i miei calcoli, la corrente sul condensatore è l'opposto di quella sull'induttore, ma allora quella sul resistore dovrebbe essere 0 e non 2/5.
dov'è l'errore?
grazie in anticipo.
Rimossa immagine/disegno
VL = VC?
Moderatori:
g.schgor,
IsidoroKZ
24 messaggi
• Pagina 1 di 3 • 1, 2, 3
-1
voti
[3] Re: VL = VC?
lo so, ma siccome sul foglio c'erano già i passaggi avevo pensato di postarli, inoltre li ho riscritti in bella prima di postarli.
-

Fabioamd87
2 4 - New entry

- Messaggi: 52
- Iscritto il: 7 apr 2009, 17:40
4
voti
[5] Re: VL = VC?
Fabioamd87 ha scritto:lo so, ma siccome sul foglio c'erano già i passaggi avevo pensato di postarli, inoltre li ho riscritti in bella prima di postarli.
Il problema è che se la fatica di riscriverle in bella e scandire il foglio la mettevi nello scriverle con LaTeX e fare lo schemino in FidoCAD, rendevi la vita un po' più semplice a chi aveva voglia di risponderti (e aumentavi di conseguenza la possibilità di risposte...)
ciao
PSQ
_-^-_-^-_-^-_-^-_-^-_-^-_-^-_-^-_-^-_-^-_-^-_-^-_-^-_-^-_
Pepito Sbazzeguti
"gratta il Pepito e troverai il Pepone"
Pepito Sbazzeguti
"gratta il Pepito e troverai il Pepone"
0
voti
[6] Re: VL = VC?
@admin
grazie della rispsta, ma quindi non si fa il paritore di tensione per calcolare la tensione sulla resistenza?
grazie della rispsta, ma quindi non si fa il paritore di tensione per calcolare la tensione sulla resistenza?
-

Fabioamd87
2 4 - New entry

- Messaggi: 52
- Iscritto il: 7 apr 2009, 17:40
0
voti
[8] Re: VL = VC?
forse ho capito, quando raccolgo al denominatore ZL + ZC devo moltiplicarlo al numeratore, ho dimenticato di farlo, in questo modo però la somma al numeratore farebbe 0, e la cosa in un qualche modo è positiva perché affinchè ci sia bilancio delle correnti nel nodo quella sul resistore deve fare zero.
E' giusto tutto ciò?
E' giusto tutto ciò?
-

Fabioamd87
2 4 - New entry

- Messaggi: 52
- Iscritto il: 7 apr 2009, 17:40
0
voti
[9] Re: VL = VC?
perché "però la somma farebbe zero"? Qual è la stranezza? Perché "in qualche modo positiva"? Quale sarebbe la situazione ideale? Preferiresti non moltiplicare il numeratore? Non pensi sia meglio eseguire correttamente i passaggi matematici?
0
voti
[10] Re: VL = VC?





Sovrapposizione 1





Sovrapposizione 2






Risultato



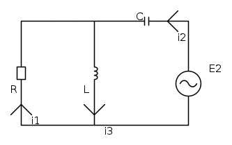
Ecco, ho scritto tutto con il text e disegnato con il fidocad, che fatica... chiedo scusa per il primo messaggio, capisco che effettivamente è più comodo cosi da leggere.
E' giusto il tutto?
-

Fabioamd87
2 4 - New entry

- Messaggi: 52
- Iscritto il: 7 apr 2009, 17:40
24 messaggi
• Pagina 1 di 3 • 1, 2, 3
Torna a Elettrotecnica generale
Chi c’è in linea
Visitano il forum: Nessuno e 117 ospiti

Elettrotecnica e non solo (admin)
Un gatto tra gli elettroni (IsidoroKZ)
Esperienza e simulazioni (g.schgor)
Moleskine di un idraulico (RenzoDF)
Il Blog di ElectroYou (webmaster)
Idee microcontrollate (TardoFreak)
PICcoli grandi PICMicro (Paolino)
Il blog elettrico di carloc (carloc)
DirtEYblooog (dirtydeeds)
Di tutto... un po' (jordan20)
AK47 (lillo)
Esperienze elettroniche (marco438)
Telecomunicazioni musicali (clavicordo)
Automazione ed Elettronica (gustavo)
Direttive per la sicurezza (ErnestoCappelletti)
EYnfo dall'Alaska (mir)
Apriamo il quadro! (attilio)
H7-25 (asdf)
Passione Elettrica (massimob)
Elettroni a spasso (guidob)
Bloguerra (guerra)






