Ciao ragazzi volevo presentarvi questo circuitino:
[FIDOCAD]
Ho bisogno di calcolarmi I2 e V1.
Io dico che i2=-kIa perché la corrente del pilotato andrà tutta nel corto.
Mentre avrò Ia= I1*(rb/(ra+rb)) con un partitore di corrente , mentre V1= I1* (ra//rb) .
Siete d'accordo con me o sbaglio in qualcosa? Ho ottenuto pareri discordanti con altre persone e non riesco a capire se sono io a sbagliare o loro.
Vi ringrazio anticipatamente per la risposta.
Piccolo circuitino
Moderatori:
g.schgor,
IsidoroKZ
15 messaggi
• Pagina 1 di 2 • 1, 2
5
voti
Steppi4 ha scritto:Ciao ragazzi volevo presentarvi questo circuitino:
Piacere, Pietro.
Steppi4 ha scritto:Io dico che i2=-kIa perché la corrente del pilotato andrà tutta nel corto.
Nope, ci sarà la corrente del pilotato ma anche il contributo ripartito dell'altro generatore.
Ciao,
Pietro.
-

PietroBaima
90,7k 7 12 13 - G.Master EY

- Messaggi: 12206
- Iscritto il: 12 ago 2012, 1:20
- Località: Londra
0
voti
Il nome del circuitino è Massimiliano eh!
Comunque il mio problema è che quando scrivevo LKC al nodo B consideravo anche le correnti I1 e Ia, perché essendo collegato da un "filo" pensavo fosse un unico nodo. Ma alla fine guardando meglio, I1 non è altro che la somma della corrente che scorre in Rb e di Ia giusto?
Un'altra cosa...Davanti ad un circuito del genere voi come ragionate? Giusto per capire la mentalità.
Vi ringrazio per le risposte.
Comunque il mio problema è che quando scrivevo LKC al nodo B consideravo anche le correnti I1 e Ia, perché essendo collegato da un "filo" pensavo fosse un unico nodo. Ma alla fine guardando meglio, I1 non è altro che la somma della corrente che scorre in Rb e di Ia giusto?
Un'altra cosa...Davanti ad un circuito del genere voi come ragionate? Giusto per capire la mentalità.
Vi ringrazio per le risposte.
0
voti
Steppi4 ha scritto:IUn'altra cosa...Davanti ad un circuito del genere voi come ragionate?
Mi serve sapere se avrei il valore dei componenti a disposizione o no, perché procederei in due modi diversi.
-

PietroBaima
90,7k 7 12 13 - G.Master EY

- Messaggi: 12206
- Iscritto il: 12 ago 2012, 1:20
- Località: Londra
0
voti
Si scusami hai ragione...
Allora sono note I1 , Ra ed Rb e k. A me interessa sapere V1 e I2 entrambe in funzione di I1.
E' una parte di un esercizio in cui mi si chiedeva di trovare la matrice dei parametri ibridi del doppio bipolo (senza I1 e V2=0)
Allora sono note I1 , Ra ed Rb e k. A me interessa sapere V1 e I2 entrambe in funzione di I1.
E' una parte di un esercizio in cui mi si chiedeva di trovare la matrice dei parametri ibridi del doppio bipolo (senza I1 e V2=0)
0
voti
passami i valori, così lavoriamo su un esempio pratico
-

PietroBaima
90,7k 7 12 13 - G.Master EY

- Messaggi: 12206
- Iscritto il: 12 ago 2012, 1:20
- Località: Londra
3
voti
Vediamo due modi diversi di risolvere.
I modo:
partitore di corrente per trovare Ib (corrente in Rb)

partitore di corrente per trovare Ia

I2 è quindi data dalla somma della corrente del generatore pilotato e della corrente Ib

Avendo Ia è banale trovare V1

II modo (regula falsi, più veloce)
-------------------------
supponiamo che V1 sia pari a 10V.
La corrente Ia è quindi pari a 1A e la corrente Ib pari a 0.5A, per cui, se V1 fosse quella esatta, I1 dovrebbe valere 1.5A:
quindi possiamo scrivere una proporzione:
10 V supposti : 1.5A che ne conseguirebbero = X (tensione incognita) : 1A (generatore I1 vero)
da cui X=6.67 V
Con V1 pari a 10V I2 dovrebbe valere
per cui scrivo una nuova proporzione:
1.5 A supposti : -10,321 A che ne conseguirebbero = 1 A (generatore I1 vero) : Y (corrente I2 incognita)
da cui Y=6.88 A
Ciao,
Pietro.
I modo:
partitore di corrente per trovare Ib (corrente in Rb)

partitore di corrente per trovare Ia

I2 è quindi data dalla somma della corrente del generatore pilotato e della corrente Ib

Avendo Ia è banale trovare V1

II modo (regula falsi, più veloce)
-------------------------
supponiamo che V1 sia pari a 10V.
La corrente Ia è quindi pari a 1A e la corrente Ib pari a 0.5A, per cui, se V1 fosse quella esatta, I1 dovrebbe valere 1.5A:
quindi possiamo scrivere una proporzione:
10 V supposti : 1.5A che ne conseguirebbero = X (tensione incognita) : 1A (generatore I1 vero)
da cui X=6.67 V
Con V1 pari a 10V I2 dovrebbe valere

per cui scrivo una nuova proporzione:
1.5 A supposti : -10,321 A che ne conseguirebbero = 1 A (generatore I1 vero) : Y (corrente I2 incognita)
da cui Y=6.88 A
Ciao,
Pietro.
-

PietroBaima
90,7k 7 12 13 - G.Master EY

- Messaggi: 12206
- Iscritto il: 12 ago 2012, 1:20
- Località: Londra
0
voti
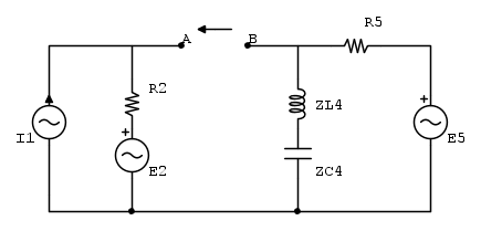
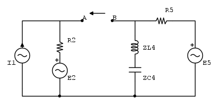
Pietro la ringrazio. Veloce ed efficiente.
Posso sfruttare la sua professionalità per un ultimo circuitino?
Ho bisogno di calcolare la tensione a vuoto Vab.
Io le dico il mio ragionamento...
Considero le due maglie completamente separate tra loro. Nella prima circola
, nella seconda
.
Applico un lkt alla maglia centrale , fissando versi di tensione ( conv utilizz) e avrò:

Posso sfruttare la sua professionalità per un ultimo circuitino?
Ho bisogno di calcolare la tensione a vuoto Vab.
Io le dico il mio ragionamento...
Considero le due maglie completamente separate tra loro. Nella prima circola
, nella seconda
.Applico un lkt alla maglia centrale , fissando versi di tensione ( conv utilizz) e avrò:

15 messaggi
• Pagina 1 di 2 • 1, 2
Torna a Elettrotecnica generale
Chi c’è in linea
Visitano il forum: Nessuno e 137 ospiti

Elettrotecnica e non solo (admin)
Un gatto tra gli elettroni (IsidoroKZ)
Esperienza e simulazioni (g.schgor)
Moleskine di un idraulico (RenzoDF)
Il Blog di ElectroYou (webmaster)
Idee microcontrollate (TardoFreak)
PICcoli grandi PICMicro (Paolino)
Il blog elettrico di carloc (carloc)
DirtEYblooog (dirtydeeds)
Di tutto... un po' (jordan20)
AK47 (lillo)
Esperienze elettroniche (marco438)
Telecomunicazioni musicali (clavicordo)
Automazione ed Elettronica (gustavo)
Direttive per la sicurezza (ErnestoCappelletti)
EYnfo dall'Alaska (mir)
Apriamo il quadro! (attilio)
H7-25 (asdf)
Passione Elettrica (massimob)
Elettroni a spasso (guidob)
Bloguerra (guerra)

pigreco]=π
