Cos'è ElectroYou | Login Iscriviti

ElectroYou - la comunità dei professionisti del mondo elettrico

Esercizio Trasformatore

Circuiti, campi elettromagnetici e teoria delle linee di trasmissione e distribuzione dell’energia elettrica

Moderatori: Foto Utenteg.schgor, Foto UtenteIsidoroKZ

0
voti

[11] Re: Esercizio Trasformatore

Messaggioda Foto Utenteadmin » 9 feb 2011, 19:45

Ti chiedo qualche chiarimento sul tuo metodo che non conosco.
caniblastoise ha scritto:[..]con Norton il generatore di controllo posto su a b è di tensione

Ma perché si mette questo generatore di controllo?
Puoi inserirlo nello schema su a b come dici?
Senza Norton il generatore di controllo è un generatore di corrente?
Va sempre posto su a b? Appoggiato come?
Avatar utente
Foto Utenteadmin
196,7k 9 12 17
Manager
Manager
 
Messaggi: 11953
Iscritto il: 6 ago 2004, 13:14

0
voti

[12] Re: Esercizio Trasformatore

Messaggioda Foto Utentecaniblastoise » 9 feb 2011, 20:59

Avatar utente
Foto Utentecaniblastoise
5 4
New entry
New entry
 
Messaggi: 71
Iscritto il: 27 giu 2009, 11:14

0
voti

[13] Re: Esercizio Trasformatore

Messaggioda Foto UtenteRenzoDF » 9 feb 2011, 21:28

caniblastoise ha scritto:Vi posto proprio la teoria:

http://rapidshare.com/files/447056748/Desktop.rar


non abbiamo bisogno di teoria, ne abbiamo gia' vista troppa, vogliamo vedere come la applichi :-)

BTW Bastava dirci ... andatevi a leggere il De Magistris, Miano :D
"Il circuito ha sempre ragione" (Luigi Malesani)
Avatar utente
Foto UtenteRenzoDF
55,9k 8 12 13
G.Master EY
G.Master EY
 
Messaggi: 13189
Iscritto il: 4 ott 2008, 9:55

0
voti

[14] Re: Esercizio Trasformatore

Messaggioda Foto Utentecaniblastoise » 10 feb 2011, 11:01

Avatar utente
Foto Utentecaniblastoise
5 4
New entry
New entry
 
Messaggi: 71
Iscritto il: 27 giu 2009, 11:14

0
voti

[15] Re: Esercizio Trasformatore

Messaggioda Foto UtenteRenzoDF » 10 feb 2011, 11:18

caniblastoise ha scritto:Wow il mio docente e famoso? xD


Si, ma probabilmente ha usato "troppe note" e non e' riuscito in ben sei pagine di testo a farvi comprendere la vera essenza dei teoremi di Helmholtz-Thévenin e di Mayer-Norton, ovvero vi ha confuso al punto da farvi usare un generatore forzante per trovare un semplice parallelo fra impedenze (NB non e' sbagliato ma è una inutilmente complicazione) :-)

Ad ogni modo il problema non e' quello, come ti ho gia' ricordato NON dobbiamo trovare la corrente entrante in L1 (cercando il circuito equivalente "visto" dai suoi morsetti) ma le altre due: quella proveniente dalla sua sinistra e quella uscente alla sua destra.
A questo punto mi sorge un dubbio e ti chiedo, come avresti "trattato" il mutuo induttore in una situazione di non perfetto accoppiamento?
"Il circuito ha sempre ragione" (Luigi Malesani)
Avatar utente
Foto UtenteRenzoDF
55,9k 8 12 13
G.Master EY
G.Master EY
 
Messaggi: 13189
Iscritto il: 4 ott 2008, 9:55

0
voti

[16] Re: Esercizio Trasformatore

Messaggioda Foto Utentecaniblastoise » 10 feb 2011, 11:32

Io non riesco a capire. Per me la corrente che tu dici e la stessa che passa nell'induttanza. Non c'e motivo di considerarle diverse :-| Help me!!! Poi per trovarla dall'altro lato con la formula di trasporto al secondario.
BTW se fosse stato non perfettamente accoppiato avrei considerato l1 come somma di 2 contributi e messo in serie i 2 pezzi di induttanza. una volta attaccati poi:

Avatar utente
Foto Utentecaniblastoise
5 4
New entry
New entry
 
Messaggi: 71
Iscritto il: 27 giu 2009, 11:14

0
voti

[17] Re: Esercizio Trasformatore

Messaggioda Foto UtenteRenzoDF » 10 feb 2011, 11:39

Ora mi tocca andare, ... per il pomeriggio ripassa la trasformazione

mutuo induttore -> trasformatore ideale piu' xxxxxx

che poi ti interrogo ed eventualmente ti spiego :mrgreen:

Ciao
"Il circuito ha sempre ragione" (Luigi Malesani)
Avatar utente
Foto UtenteRenzoDF
55,9k 8 12 13
G.Master EY
G.Master EY
 
Messaggi: 13189
Iscritto il: 4 ott 2008, 9:55

0
voti

[18] Re: Esercizio Trasformatore

Messaggioda Foto Utentecaniblastoise » 10 feb 2011, 11:43

ok grazie per l'interessamento...ho bisogno di capire =(
Avatar utente
Foto Utentecaniblastoise
5 4
New entry
New entry
 
Messaggi: 71
Iscritto il: 27 giu 2009, 11:14

0
voti

[19] Re: Esercizio Trasformatore

Messaggioda Foto Utenteadmin » 10 feb 2011, 12:33

Ho capito: l'inserzione del generatore di controllo generatore sostituisce la frase più comunenemente usata "vista da" quando si chiede di calcolare l'impedenza equivalente "vista da", appunto, da due terminali.
Serve senz'altro a far capire il concetto di impedenza equivalente, quando lo si spiega la prima volta, ed è utile ricordarlo a chi ha dimenticato che l'impedenza equivalente non è una successione illogica di serie e paralleli, tanto più che a volte, non ci sono né serie, né paralleli. Ma una volta capito il concetto è inutile tirarlo sempre. Se ti si chiede la resistenza equivalente di una serie o di un parallelo, non dici, una volta che lo sai, prendo il generatore di controllo; calcolo la corrente da esso erogata, utilizzando le leggi di Kirchhoff; divido la fem del generatore di controllo per la fem del generatore di controllo e quel rapporto è l'impedenza equivalente, ma fai la somma delle resistenze. Comunque ora è chiaro cosa intendevi ed il procedimento che hai illustrato va bene, come già ti ha detto Renzo.
Nell'ultimo schema però hai messo una I_{cc} di troppo: La corrente sull'induttanza non è la corrente del generatore di Norton, ma una sua parte
Avatar utente
Foto Utenteadmin
196,7k 9 12 17
Manager
Manager
 
Messaggi: 11953
Iscritto il: 6 ago 2004, 13:14

0
voti

[20] Re: Esercizio Trasformatore

Messaggioda Foto UtenteRenzoDF » 10 feb 2011, 16:28

caniblastoise ha scritto:Per me la corrente che tu dici e la stessa che passa nell'induttanza. Non c'e motivo di considerarle diverse

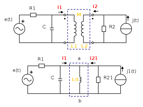
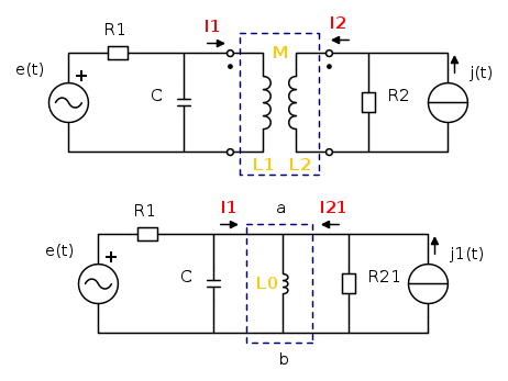
Invece il motivo c'e' in quanto quell'induttore, che per convenienza ho rinominato L0, non e' che una parte del circuito equivalente del mutuo induttore che fa uso del trasformatore ideale; pur avendo riportato tutto al primario e di conseguenza avere eliminato il trasformatore stesso, le correnti utili sono sempre quelle longitudinali, e non quella trasversale su L0!
Tu, correttamente hai calcolato, che risulta pari a L1, ma e' solo un caso particolare, ovvero quello di accoppiamento perfetto fra i due avvolgimenti del mutuo induttore, in generale non è cosi', anzi per essere precisi, di circuiti equivalenti con trasforamtore ideale non ce n'e' uno solo ma infiniti.
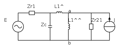
Riposto i due schemi su cui ragionare,
(NB ho cambiato il verso della I21 per renderla equivarsa con la i2(t) richiesta dal problema)

[/quote]

caniblastoise ha scritto:Poi per trovarla dall'altro lato con la formula di trasporto al secondario.

non dobbiamo trasportare la IL0, ma la I21
caniblastoise ha scritto:... se fosse stato non perfettamente accoppiato avrei considerato L1 come somma di 2 contributi e messo in serie i 2 pezzi di induttanza. una volta attaccati poi:

calcolando come queste due parti ?
"Il circuito ha sempre ragione" (Luigi Malesani)
Avatar utente
Foto UtenteRenzoDF
55,9k 8 12 13
G.Master EY
G.Master EY
 
Messaggi: 13189
Iscritto il: 4 ott 2008, 9:55

PrecedenteProssimo

Torna a Elettrotecnica generale

Chi c’è in linea

Visitano il forum: Nessuno e 69 ospiti