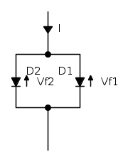
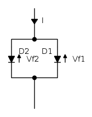
.. ad ogni diodo ci mettiamo una resistenza in serie
Nel tuo circuito ce n'è una sola per tutti e tre.
Moderatori:
g.schgor,
IsidoroKZ
.. ad ogni diodo ci mettiamo una resistenza in serie


elektrojack ha scritto:Ciao a tutti, ho realizzato questo circuito per la carica di batterie da 35 a 110 ah.
Il circuito dovrebbe fornire in uscita una tensione ..... omissis....













la corrente
su quale diodo passa e perche'?



Torna a Elettrotecnica generale
Visitano il forum: Nessuno e 79 ospiti