Domande base sull'elettrotecnica
Moderatori:
g.schgor,
IsidoroKZ
13 messaggi
• Pagina 2 di 2 • 1, 2
0
voti
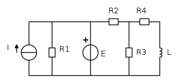
si hai ragione isidoro quello a sinistra è un generatore di corrente... comunque seguo il corso di elettrotecnica in ingegneria.. comunque utilizzo il libro circuiti elettronici di alexandrer.... sul libro non ne parla proprio di tali generatori... ma durante il corso se ne parlava abbastanza...
tipo consideravano il generatore di tensione come tale isolando il genratore di corrente con la resistenza in parallelo... non saprei...
tipo consideravano il generatore di tensione come tale isolando il genratore di corrente con la resistenza in parallelo... non saprei...
0
voti
Modifico pure io
quel simbolo per il generatore di tensione non si usa piu' nemmeno qui a SB
quel simbolo per il generatore di tensione non si usa piu' nemmeno qui a SB
"Il circuito ha sempre ragione" (Luigi Malesani)
13 messaggi
• Pagina 2 di 2 • 1, 2
Torna a Elettrotecnica generale
Chi c’è in linea
Visitano il forum: Nessuno e 13 ospiti

Elettrotecnica e non solo (admin)
Un gatto tra gli elettroni (IsidoroKZ)
Esperienza e simulazioni (g.schgor)
Moleskine di un idraulico (RenzoDF)
Il Blog di ElectroYou (webmaster)
Idee microcontrollate (TardoFreak)
PICcoli grandi PICMicro (Paolino)
Il blog elettrico di carloc (carloc)
DirtEYblooog (dirtydeeds)
Di tutto... un po' (jordan20)
AK47 (lillo)
Esperienze elettroniche (marco438)
Telecomunicazioni musicali (clavicordo)
Automazione ed Elettronica (gustavo)
Direttive per la sicurezza (ErnestoCappelletti)
EYnfo dall'Alaska (mir)
Apriamo il quadro! (attilio)
H7-25 (asdf)
Passione Elettrica (massimob)
Elettroni a spasso (guidob)
Bloguerra (guerra)



