Quale sarebbe il metodo "Pisano" caro
Calcolo resistenza equivalente
Moderatori:
g.schgor,
IsidoroKZ
0
voti
dlbp ha scritto: Quale sarebbe il metodo "Pisano" caroRenzoDF?
Consiste:
a) nel fissare una corrente Ic "conveniente" in un resistore "conveniente"
b) risalire alla d.d.p. ai morsetti VAB
c) calcolare RAB=VAB/Ic
"Il circuito ha sempre ragione" (Luigi Malesani)
0
voti
Se tu sei abituato a risolvere in un altro modo, continua così
A riguardo, se può servirti a capire come era il mio punto di vista leggi il seguente topic:
http://www.electroyou.it/phpBB2/viewtopic.php?f=2&t=27658&p=220137#p220137
0
voti
Grazie mille
0
voti
Mi hai frainteso
dlbp
, non ritenevo la tua una polemica, assolutamente.
L'hai letto il topic che ti ho postato?
In quel topic, io ero in difficoltà e sbagliai inzialmente il calcolo della resistenza equivalente (dovevo applicare Thevenin) e mi fu consigliato per evitare di sbagliare, di fare conto che tra i morsetti A e B ci fosse un generatore e di calcolare la resistenza equivalente considerando quel circuito "nuovo" ma che in realtà di nuovo non aveva nulla.
Mi fu consigliato ciò perché quando andavo a calcolare la resistenza equivalente io sbagliavo e iniziavo a calcolarla partendo da un resistore piuttosto che da un altro.
Tanto per dirne una infatti,
RenzoDF disse che lui preferiva non considerare il generatore di test ma ci metteva "due bei chiodi" (cito) per ricordarsi da dove partire per il calcolo della resistenza.
L'hai letto il topic che ti ho postato?
In quel topic, io ero in difficoltà e sbagliai inzialmente il calcolo della resistenza equivalente (dovevo applicare Thevenin) e mi fu consigliato per evitare di sbagliare, di fare conto che tra i morsetti A e B ci fosse un generatore e di calcolare la resistenza equivalente considerando quel circuito "nuovo" ma che in realtà di nuovo non aveva nulla.
Mi fu consigliato ciò perché quando andavo a calcolare la resistenza equivalente io sbagliavo e iniziavo a calcolarla partendo da un resistore piuttosto che da un altro.
Tanto per dirne una infatti,
0
voti
Diciamo di si. Diciamo che, in parole povere (e spero di non dire fesserie) quando devi calcolare la resistenza vista da due morsetti a e b devi iniziare "dalla parte opposta" ad a e b, cioè a mano a mano che operi le varie riduzioni alle resistenza (siano esse riduzioni serie-parallelo, siano esse riduzioni per trasformazioni stella triangolo), i morsetti a e b sono quelli a cui devi arrivare per ultimo.
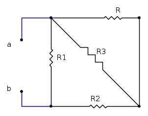
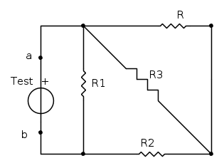
Per farti capire, se ho da calcolare la resistenza vista dai morsetti a e b, come in questo caso:
per non sbagliare devi calcolare la resistenza ai morsetti a e b di questa rete come se dovessi calcolare la resistenza vista dal generatore di test in questa rete:
da dove inizieresti qui?
Per farti capire, se ho da calcolare la resistenza vista dai morsetti a e b, come in questo caso:
per non sbagliare devi calcolare la resistenza ai morsetti a e b di questa rete come se dovessi calcolare la resistenza vista dal generatore di test in questa rete:
da dove inizieresti qui?
0
voti
Praticamente
dlbp concludo così evitiamo di frazionare la spiegazione inutilmente; partendo dal circuito che avevi prima tu avresti dopo:
poi:
ed infine :
Capito il "trucchetto" del generatore di test? Tu te lo piazzi lì tra a e b per ricordarti che tu da a e b non ci devi partire
, ma ci devi arrivare...
poi:
ed infine :
Capito il "trucchetto" del generatore di test? Tu te lo piazzi lì tra a e b per ricordarti che tu da a e b non ci devi partire
0
voti
Ultimissimo esempio per essere (spero) ancora più chiaro:
Come ti dissi qualche post fa
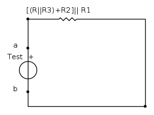
RenzoDF in quel mio topic (che ti ho postato) disse che lui ci preferiva mettere due bei chiodi anzichè del generatore di test, ad indicare che i morsetti a e b rimanevano inchiodati e fissi (spero di aver interpretato bene le sue parole e di essere stato chiaro in questo caso).
Ti riporto lo schema che lui mi fece, che era abbastanza eloquente
:
Ora attendo solo che tu "batta un colpo"
dlbp, per capire se hai capito.
Come ti dissi qualche post fa
Ti riporto lo schema che lui mi fece, che era abbastanza eloquente
Ora attendo solo che tu "batta un colpo"
Torna a Elettrotecnica generale
Chi c’è in linea
Visitano il forum: Nessuno e 17 ospiti

Elettrotecnica e non solo (admin)
Un gatto tra gli elettroni (IsidoroKZ)
Esperienza e simulazioni (g.schgor)
Moleskine di un idraulico (RenzoDF)
Il Blog di ElectroYou (webmaster)
Idee microcontrollate (TardoFreak)
PICcoli grandi PICMicro (Paolino)
Il blog elettrico di carloc (carloc)
DirtEYblooog (dirtydeeds)
Di tutto... un po' (jordan20)
AK47 (lillo)
Esperienze elettroniche (marco438)
Telecomunicazioni musicali (clavicordo)
Automazione ed Elettronica (gustavo)
Direttive per la sicurezza (ErnestoCappelletti)
EYnfo dall'Alaska (mir)
Apriamo il quadro! (attilio)
H7-25 (asdf)
Passione Elettrica (massimob)
Elettroni a spasso (guidob)
Bloguerra (guerra)










