Quindi, ripeto, inizia a disegnare lo schema del primo circuito indicando i versi di riferimento per le tensioni e le correnti sui mutui induttori: in base a tali versi possiamo impostare correttamente le due relazioni sui mutui induttori
Problemi nella risoluzione di reti in regime sinusoid. e non
Moderatori:
g.schgor,
IsidoroKZ
31 messaggi
• Pagina 2 di 4 • 1, 2, 3, 4
0
voti
Quindi, ripeto, inizia a disegnare lo schema del primo circuito indicando i versi di riferimento per le tensioni e le correnti sui mutui induttori: in base a tali versi possiamo impostare correttamente le due relazioni sui mutui induttori
Ultima modifica di
jordan20 il 7 set 2011, 20:35, modificato 1 volta in totale.
"Lo scienziato descrive ciò che esiste, l'ingegnere crea ciò che non era mai stato."
(T. von Kármán)
(T. von Kármán)
0
voti
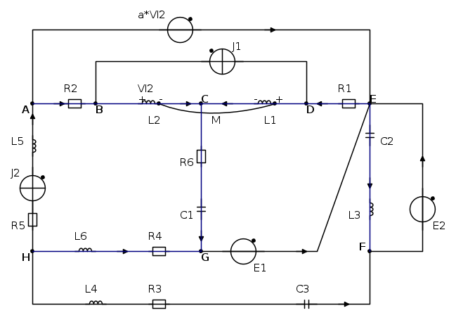
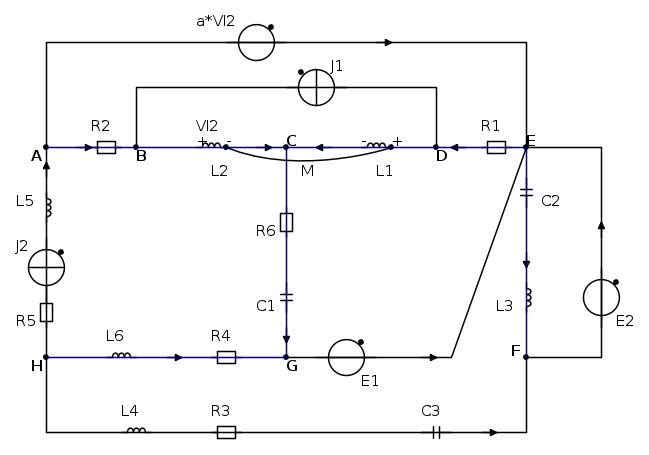
Buonasera a tutti, ho provato a disegnare il circuito del primo esercizio, spero di essere stato chiaro. La rete è in regime sinusoidale. Sarebbe perfetto avere la risoluzione completa con i due metodi, ma la cosa indispensabile è conoscere il contributo di m.i. con il metodo dei p.n.
Ringrazio di nuovo per la pazienza
Ringrazio di nuovo per la pazienza
0
voti
Avevo dimenticato di indicare i nodi..
Ho evidenziato in blu il coalbero
Ho evidenziato in blu il coalbero
0
voti
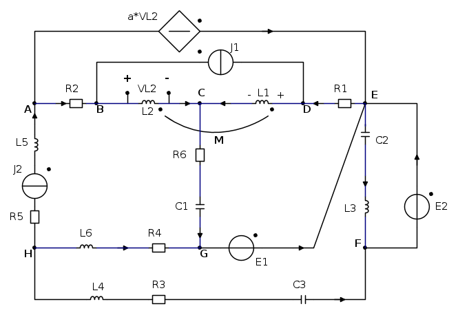
Ho modificato leggermente il disegno al fine di renderlo più leggibile:


0
voti
Perfetto, grazie mille.
0
voti
kowalski ha scritto:Sarebbe perfetto avere la risoluzione completa con i due metodi, ma la cosa indispensabile è conoscere il contributo di m.i. con il metodo dei p.n.
Bene, ora ci siamo, vedi che anche se devi ancora imparare a non cortocircuitare tutti i componenti, sei riuscito a fare un schema "a regola d'arte"
Se nessuno ha gia' intrapreso il lavoro, e se hai un attimo di pazienza, il sistema te lo scrivo io
"Il circuito ha sempre ragione" (Luigi Malesani)
0
voti
Ahaha, grazie Renzo. Purtroppo mi sono messo a disegnare il circuito in fretta e furia senza sapere niente di fidocad, sono impegnatissimo per l'esame e il programma è davvero lungo. Già che ci siamo, puoi dirmi che stupidaggine ho disegnato per cortocircuitare ogni componente? Così al prossimo post disegnerò bene.
Ti ringrazio, aspetto il tuo aiuto.
Ti ringrazio, aspetto il tuo aiuto.
1
voti
non devi sovrapporre il componente alla linea:
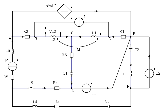
ma devi collegare la linea ai terminali del componente:
ma devi collegare la linea ai terminali del componente:
31 messaggi
• Pagina 2 di 4 • 1, 2, 3, 4
Torna a Elettrotecnica generale
Chi c’è in linea
Visitano il forum: Nessuno e 109 ospiti

Elettrotecnica e non solo (admin)
Un gatto tra gli elettroni (IsidoroKZ)
Esperienza e simulazioni (g.schgor)
Moleskine di un idraulico (RenzoDF)
Il Blog di ElectroYou (webmaster)
Idee microcontrollate (TardoFreak)
PICcoli grandi PICMicro (Paolino)
Il blog elettrico di carloc (carloc)
DirtEYblooog (dirtydeeds)
Di tutto... un po' (jordan20)
AK47 (lillo)
Esperienze elettroniche (marco438)
Telecomunicazioni musicali (clavicordo)
Automazione ed Elettronica (gustavo)
Direttive per la sicurezza (ErnestoCappelletti)
EYnfo dall'Alaska (mir)
Apriamo il quadro! (attilio)
H7-25 (asdf)
Passione Elettrica (massimob)
Elettroni a spasso (guidob)
Bloguerra (guerra)











