Con quel diodo "ci stiamo un po' stretti".
Molto meglio quello che ti avevo indicato o un suo simile.
cos'è il stps?
Moderatori:
g.schgor,
IsidoroKZ
15 messaggi
• Pagina 2 di 2 • 1, 2
0
voti
[12] Re: cos'è il stps?
Volevo dirti che probabilmente per un errore mio di saldatura non riesco a farlo funzionare, cioè collego il mio motore e mi funziona ma la corrente sembra non passare dal circuito, cioè in qualsiasi posizione del potenziometro ho sempre 24 V. Volevo chiederti se esiste un metodo preciso e più efficace per realizzare un circuito, cioè in particolare un metodo per saldare facilmente i vicinissimi piedini dell'integrato ne555 e un modo per non fare ponti di rame per unire vari nodi.Praticamente il mio circuito era una matassa di filo e ponti, alla fine penso di avere collegato tutto in maniera corretta ma è stato davvero difficoltoso e poco pratico. Che tecnica si deve usare per circuiti come questo o più complessi? grazie anticipatamente
-

PIERGIUSEPPE90
1 3 - CRU - Account cancellato su Richiesta utente
- Messaggi: 40
- Iscritto il: 10 mag 2011, 0:43
1
voti
[13] Re: cos'è il stps?
Per saldare i pin degli integrati, prima di ogni altra cosa occorre un saldatore da 30/40W con punta sottile (massimo 1mm).
Non so che tecnica tu abbia seguito per il montaggio dei componenti per trovarti in quella caotica situazione; io per realizzare un circuito, prima lo disegno in modo da evitare ponticelli e grovigli vari, poi lo monto su una millefori di misure adeguate.
Nel caso del tuo circuito, a suo tempo avevo disegnato uno schema pratico, seguendo i collegamenti del quale, potrai montarlo correttamente e senza grovigli; basta che tu segua le indicazioni.
Prima disponi i componenti cosi' come li vedi nel circuito e li saldi alla basetta; poi fai i collegamenti con spezzoni di filo telefonico.
E' sconsigliabile saldare direttamente il 555 sulla basetta; meglio servirsi di apposito zoccolo ( e questo vale per tutti gli integrati.).
Penso che per il momento possa bastare; se hai altri dubbi, chiedi.
Non so che tecnica tu abbia seguito per il montaggio dei componenti per trovarti in quella caotica situazione; io per realizzare un circuito, prima lo disegno in modo da evitare ponticelli e grovigli vari, poi lo monto su una millefori di misure adeguate.
Nel caso del tuo circuito, a suo tempo avevo disegnato uno schema pratico, seguendo i collegamenti del quale, potrai montarlo correttamente e senza grovigli; basta che tu segua le indicazioni.
Prima disponi i componenti cosi' come li vedi nel circuito e li saldi alla basetta; poi fai i collegamenti con spezzoni di filo telefonico.
E' sconsigliabile saldare direttamente il 555 sulla basetta; meglio servirsi di apposito zoccolo ( e questo vale per tutti gli integrati.).
Penso che per il momento possa bastare; se hai altri dubbi, chiedi.
marco
0
voti
[14] Re: cos'è il stps?
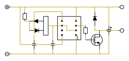
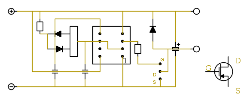
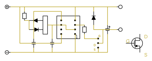
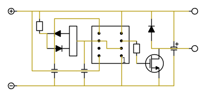
Nel messaggio di ieri (postato frettolosamente e senza controllare) il mosfet e' rappresentato schematicamente e non come si presenta nella realta'.
Ho provveduto quindi a modificarlo per renderti piu' chiaro il posizionamento del componente.
Stessa cosa avrei dovuto fare per il diodo schottky ma non so quale tipo tu abbia adoperato.
Se poi sei in grado di farlo, posso fornirti anche il disegno del PCB che mi e' rimasto in archivio da una precedente realizzazione.
Riguardo poi quello che hai scritto ieri, in questo articolo puoi trovare diversi suggerimenti e "trucchi" per il montaggio su millefori.
Ho provveduto quindi a modificarlo per renderti piu' chiaro il posizionamento del componente.
Stessa cosa avrei dovuto fare per il diodo schottky ma non so quale tipo tu abbia adoperato.
Se poi sei in grado di farlo, posso fornirti anche il disegno del PCB che mi e' rimasto in archivio da una precedente realizzazione.
Riguardo poi quello che hai scritto ieri, in questo articolo puoi trovare diversi suggerimenti e "trucchi" per il montaggio su millefori.
marco
0
voti
[15] Re: cos'è il stps?
PIERGIUSEPPE90 ha scritto:scusa marco ma non so cosa vuol dire fidocadj
Visto che frequenti il forum da qualche mese e di schemi circuitali con FidoCadJ ne hai sicuramente visti, non sarebbe stato meglio fare un giretto per il forum per scoprirne le funzionalità?
15 messaggi
• Pagina 2 di 2 • 1, 2
Torna a Elettrotecnica generale
Chi c’è in linea
Visitano il forum: Nessuno e 71 ospiti

Elettrotecnica e non solo (admin)
Un gatto tra gli elettroni (IsidoroKZ)
Esperienza e simulazioni (g.schgor)
Moleskine di un idraulico (RenzoDF)
Il Blog di ElectroYou (webmaster)
Idee microcontrollate (TardoFreak)
PICcoli grandi PICMicro (Paolino)
Il blog elettrico di carloc (carloc)
DirtEYblooog (dirtydeeds)
Di tutto... un po' (jordan20)
AK47 (lillo)
Esperienze elettroniche (marco438)
Telecomunicazioni musicali (clavicordo)
Automazione ed Elettronica (gustavo)
Direttive per la sicurezza (ErnestoCappelletti)
EYnfo dall'Alaska (mir)
Apriamo il quadro! (attilio)
H7-25 (asdf)
Passione Elettrica (massimob)
Elettroni a spasso (guidob)
Bloguerra (guerra)



